Каталог запасных частей к технике: КМЗ МКСМ-800. Установка подвесок, трубопровода и передаточного звена
1
2
3
4
4
5
6
7
8
9
10
11
11
12
13
13
14
14
15
15
16
17
18
19
20
20
21
21
22
23
24
25
26
27
27
28
29
30
31
31
32
33
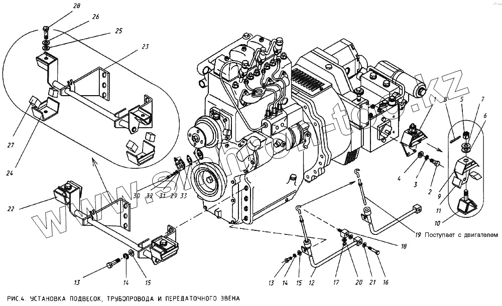
| Позиция на иллюстрации | Заводской номер детали | Название детали | |
|---|---|---|---|
| 1 | 533-9-62-07-070-1К | Подвеска передняя | |
| 2 | Болт М10-6gХ25.46.019 ГОСТ 7796-70 | Болт М10-6gХ25.46.019 ГОСТ 7796-70 | |
| 3 | Шайба 10 ОТ 65Г 06 ГОСТ 6402-70 | Шайба 10 ОТ 65Г 06 ГОСТ 6402-70 | |
| 4 | Шайба 10.01.0118 | Шайба 10.01.0118 | |
| 4 | Шайба 10.02.0118 ГОСТ 11371-78 | Шайба 10.02.0118 ГОСТ 11371-78 | |
| 5 | Гайка 2М12-6Н.6.019 ГОСТ 5932-73 | Гайка 2М12-6Н.6.019 ГОСТ 5932-73 | |
| 6 | 533-0-62-07-080-1К | Прокладка | |
| 7 | 533-0-62-07-081-1К | Шайба | |
| 8 | Шплинт 3.2Х25.0118 ГОСТ 397-79 | Шплинт 3.2Х25.0118 ГОСТ 397-79 | |
| 9 | 533-9-62-07-071-1К | Седло | |
| 10 | 533-9-62-07-075-1К | Кронштейн | |
| 11 | 533-0-62-07-079-1 | Амортизатор | |
| 11 | 533-0-62-07-079-1К | Амортизатор | |
| 12 | 533-9-62-07-106-1К | Трубопровод | |
| 13 | Болт 3М16-6gХ30.46.019 ГОСТ 7796-70 | Болт 3М16-6gХ30.46.019 ГОСТ 7796-70 | |
| 14 | Шайба 16 ОТ 65Г 06 ГОСТ 6402-70 | Шайба 16 ОТ 65Г 06 ГОСТ 6402-70 | |
| 15 | Шайба 16.01.0118 ГОСТ 11371-78 | Шайба 16.01.0118 ГОСТ 11371-78 | |
| 15 | Шайба 16.02.0118 ГОСТ 11371-78 | Шайба 16.02.0118 ГОСТ 11371-78 | |
| 16 | 533-0-43-23-060-1К | Болт | |
| 17 | 533-0-03-07-046-1К | Пробка | |
| 18 | 533-0-62-07-109-1К | Штуцер | |
| 19 | 533-0-62-07-160-1К | Щуп | |
| 20 | Кольцо 12Х16 МН 4152-62 | Кольцо 12Х16 МН 4152-62 | |
| 20 | Кольцо 12Х16 МН4152-62 | Кольцо 12Х16 МН4152-62 | |
| 21 | Кольцо 18Х22 МН 4152-62 | Кольцо 18Х22 МН 4152-62 | |
| 21 | Кольцо 18Х22 МН4152-62 | Кольцо 18Х22 МН4152-62 | |
| 22 | 533-9-62-07-125-1К | Подвеска | |
| 23 | 533-9-62-07-110-1К | Подвеска | |
| 24 | 533-9-62-07-119-1К | Консоль | |
| 25 | 533-0-62-07-080-1К | Прокладка | |
| 26 | 533-0-62-07-081-1К | Шайба | |
| 27 | 533-0-62-07-126-1 | Амортизатор | |
| 27 | 533-0-62-07-126-1К | Амортизатор | |
| 28 | 533-0-62-07-127-1К | Болт | |
| 29 | Передаточное звено 443449015030 | Передаточное звено 443449015030 | |
| 30 | Болт М8-6gХ25.46.019 ГОСТ 7796-70 | Болт М8-6gХ25.46.019 ГОСТ 7796-70 | |
| 31 | Шайба 8.01.0118 ГОСТ 11371-78 | Шайба 8.01.0118 ГОСТ 11371-78 | |
| 31 | Шайба 8.02.0118 ГОСТ 11371-78 | Шайба 8.02.0118 ГОСТ 11371-78 | |
| 32 | Шайба 8Т 65Г 06 ГОСТ 6402-70 | Шайба 8Т 65Г 06 ГОСТ 6402-70 | |
| 33 | Прокладка 4.173.1-М-0-0-23К | Прокладка 4.173.1-М-0-0-23К |
Содержащиеся в справочниках-каталогах запасные части и детали не предлагаются к продаже, а носят исключительно информационный характер