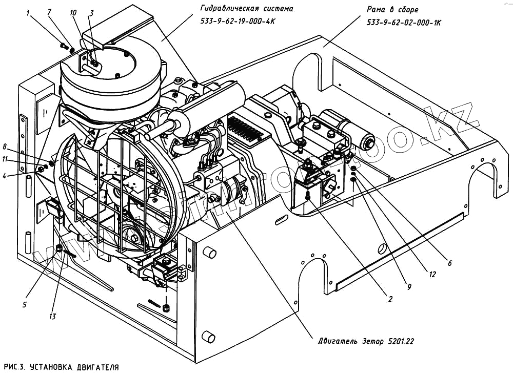
Каталог запасных частей к технике: КМЗ МКСМ-800. Установка двигателя
1
2
3
5
6
7
7
9
9
10
12
13
| Позиция на иллюстрации | Заводской номер детали | Название детали | |
|---|---|---|---|
| 533-9-62-07-000-1К | 533-9-62-07-000-1К | Установка двигателя | |
| 533-9-62-07-000-1-01К | 533-9-62-07-000-1-01К | Установка двигателя | |
| 1 | Болт М8-6gХ25.46.019 ГОСТ 7796-70 | Болт М8-6gХ25.46.019 ГОСТ 7796-70 | |
| 2 | Болт 3М16Х1.5-6gХ4088.38ХС.019 ГОСТ 7796 | Болт 3М16Х1.5-6gХ4088.38ХС.019 ГОСТ 7796-70 | |
| 3 | Гайка М8-6Н.6.019 ГОСТ 5915-70 | Гайка М8-6Н.6.019 ГОСТ 5915-70 | |
| 4 | Гайка М6-6Н.6.019 ГОСТ 5915-70 | Гайка М6-6Н.6.019 ГОСТ 5915-70 | |
| 5 | Гайка М10-6Н.6.019 ГОСТ 5932-73 | Гайка М10-6Н.6.019 ГОСТ 5932-73 | |
| 6 | Гайка М16Х1.5-6Н.6.019 ГОСТ 5915-70 | Гайка М16Х1.5-6Н.6.019 ГОСТ 5915-70 | |
| 7 | Шайба 8.01.0118 ГОСТ 11371-78 | Шайба 8.01.0118 ГОСТ 11371-78 | |
| 7 | Шайба 8.02.0118 ГОСТ 11371-78 | Шайба 8.02.0118 ГОСТ 11371-78 | |
| 8 | 700-31-631 | Шайба | |
| 9 | Шайба 16.01.0118 ГОСТ 11371-78 | Шайба 16.01.0118 ГОСТ 11371-78 | |
| 9 | Шайба 16.02.0118 ГОСТ 11371-78 | Шайба 16.02.0118 ГОСТ 11371-78 | |
| 10 | Шайба 8Т 65Г 06 ГОСТ 6402-70 | Шайба 8Т 65Г 06 ГОСТ 6402-70 | |
| 11 | Шайба 6Т 65Г 06 ГОСТ 6402-70 | Шайба 6Т 65Г 06 ГОСТ 6402-70 | |
| 12 | Шайба 16 ОТ 65Г 06 ГОСТ 6402-70 | Шайба 16 ОТ 65Г 06 ГОСТ 6402-70 | |
| 13 | Шплинт 2Х25.0118 ГОСТ 397-79 | Шплинт 2Х25.0118 ГОСТ 397-79 |
Содержащиеся в справочниках-каталогах запасные части и детали не предлагаются к продаже, а носят исключительно информационный характер