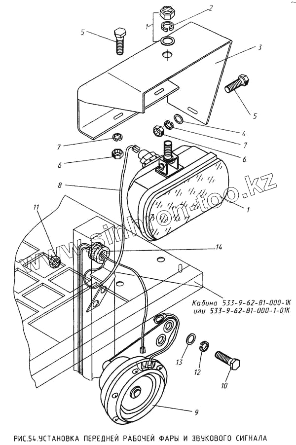
Каталог запасных частей к технике: КМЗ МКСМ-800. Установка передней рабочей фары и звукового сигнала
1
1
2
3
4
5
5
6
6
7
7
8
9
10
11
12
13
13
14
| Позиция на иллюстрации | Заводской номер детали | Название детали | |
|---|---|---|---|
| 1 | Фара ФГ152 АБ"0" ТУ 37.003.751-80 | Фара ФГ152 АБ"0" ТУ 37.003.751-80 | |
| 2 | Шайба 12 ОТ 65Г 06 ГОСТ 6402-70 | Шайба 12 ОТ 65Г 06 ГОСТ 6402-70 | |
| 3 | 533-0-62-33-361-1К | Кожух | |
| 4 | 672-31-162-01 | Шайба | |
| 5 | Болт М6-6gХ16.46.019 ГОСТ 7798-70 | Болт М6-6gХ16.46.019 ГОСТ 7798-70 | |
| 6 | Гайка М6-6Н.6.019 ГОСТ 5915-70 | Гайка М6-6Н.6.019 ГОСТ 5915-70 | |
| 7 | Шайба 6 Т 65Г 06 ГОСТ 6402-70 | Шайба 6 Т 65Г 06 ГОСТ 6402-70 | |
| 8 | 533-9-62-33-338-1К | Провод N 76 | |
| 9 | Сигнал звуковой безрупорный СЗ11В-01 ТУ | Сигнал звуковой безрупорный СЗ11В-01 ТУ 37.003.565-77 | |
| 10 | Болт М8-6gХ22.46.019 ГОСТ 7796-70 | Болт М8-6gХ22.46.019 ГОСТ 7796-70 | |
| 11 | Гайка М8-6Н.6.019 ГОСТ 5915-70 | Гайка М8-6Н.6.019 ГОСТ 5915-70 | |
| 12 | Шайба 8 Т 65Г 06 ГОСТ 6402-70 | Шайба 8 Т 65Г 06 ГОСТ 6402-70 | |
| 13 | Шайба 8.01.0118 ГОСТ 11371-78 | Шайба 8.01.0118 ГОСТ 11371-78 | |
| 13 | Шайба 8.02.0118 ГОСТ 11371-78 | Шайба 8.02.0118 ГОСТ 11371-78 | |
| 14 | 078.338.06.01300 | Втулка |
Содержащиеся в справочниках-каталогах запасные части и детали не предлагаются к продаже, а носят исключительно информационный характер