Каталог запасных частей к технике: КМЗ МКСМ-800. Панель правая
1
1
2
3
4
4
5
5
5
5
6
6
6
7
8
9
10
11
12
13
14
15
16
17
18
19
19
20
21
22
23
24
25
26
27
28
29
30
31
32
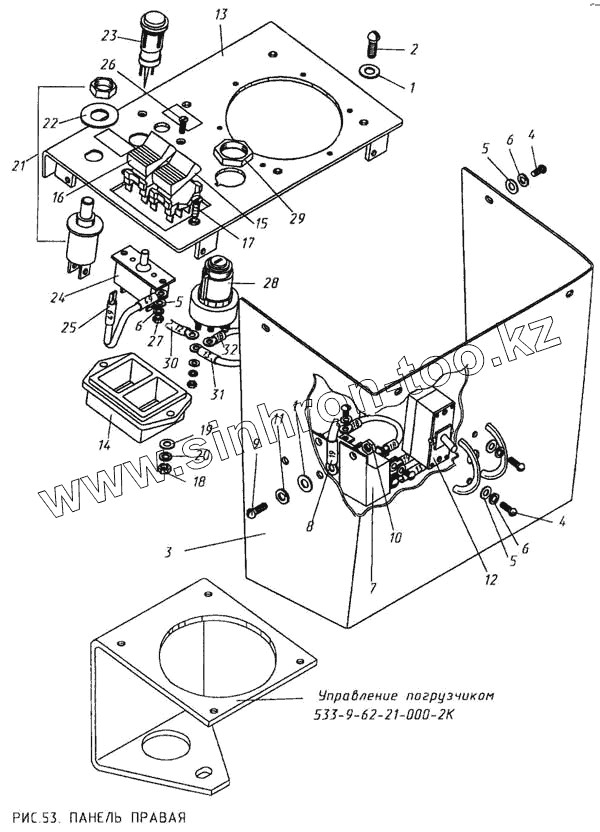
| Позиция на иллюстрации | Заводской номер детали | Название детали | |
|---|---|---|---|
| 533-9-62-33-315-2К | 533-9-62-33-315-2К | Панель правая | |
| 1 | 672-31-162-01 | Шайба | |
| 2 | Винт М6-6gХ12.48.019 ГОСТ 17473-80 | Винт М6-6gХ12.48.019 ГОСТ 17473-80 | |
| 3 | 533-9-62-33-316-1К | Кожух | |
| 4 | Винт М4-6gХ10.48.016 ГОСТ 17473-80 | Винт М4-6gХ10.48.016 ГОСТ 17473-80 | |
| 5 | Шайба 4.01.0118 ГОСТ 11371-78 | Шайба 4.01.0118 ГОСТ 11371-78 | |
| 5 | Шайба 4.02.0118 ГОСТ 11371-78 | Шайба 4.02.0118 ГОСТ 11371-78 | |
| 6 | Шайба 4Т 65Г О5 ГОСТ 6402-70 | Шайба 4Т 65Г О5 ГОСТ 6402-70 | |
| 7 | Реле 73.3747 ТУ 37.469.008-92 | Реле 73.3747 ТУ 37.469.008-92 | |
| 8 | 533-9-62-33-373-1К | Провод N19 | |
| 9 | Винт М6-6gХ16.48.019 ГОСТ 17473-80 | Винт М6-6gХ16.48.019 ГОСТ 17473-80 | |
| 10 | Гайка М6-6Н.6.016 ГОСТ 5915-70 | Гайка М6-6Н.6.016 ГОСТ 5915-70 | |
| 11 | Шайба 6 Т 65Г 06 ГОСТ 6402-70 | Шайба 6 Т 65Г 06 ГОСТ 6402-70 | |
| 12 | Автомат АЗС-2 ТУ 16-526-015-73 | Автомат АЗС-2 ТУ 16-526-015-73 | |
| 13 | 533-9-62-33-318-1К | Панель | |
| 14 | 533-0-62-33-320-1К | Обойма | |
| 15 | Переключатель П147-04.02 ТУ 37.003.701-7 | Переключатель П147-04.02 ТУ 37.003.701-75 | |
| 16 | Переключатель П150-07.28 ТУ37.003.701-75 | Переключатель П150-07.28 ТУ37.003.701-75 | |
| 17 | Винт М5-6gХ16.48.016 ГОСТ 17475-80 | Винт М5-6gХ16.48.016 ГОСТ 17475-80 | |
| 18 | Гайка М5-6Н.6.016 ГОСТ 5915-70 | Гайка М5-6Н.6.016 ГОСТ 5915-70 | |
| 19 | Шайба 5.01.0118 ГОСТ 11371-78 | Шайба 5.01.0118 ГОСТ 11371-78 | |
| 19 | Шайба 5.02.0118 ГОСТ 11371-78 | Шайба 5.02.0118 ГОСТ 11371-78 | |
| 20 | Шайба 5 Т 65Г 06 ГОСТ 6402-70 | Шайба 5 Т 65Г 06 ГОСТ 6402-70 | |
| 21 | Выключатель В К 322 ТУ 37.003.402-73 | Выключатель В К 322 ТУ 37.003.402-73 | |
| 22 | 700-31-168 | Шайба | |
| 23 | Фонарь контрольной лампы 121.3803 ТУ 37. | Фонарь контрольной лампы 121.3803 ТУ 37.003.293-72 | |
| 24 | Переключатель 5102.3709 ТУ 37.003. 1079- | Переключатель 5102.3709 ТУ 37.003. 1079-81 | |
| 25 | 533-9-62-33-369-1К | Провод N49 | |
| 26 | Винт М4-6gХ12.48.016 ГОСТ 17475-80 | Винт М4-6gХ12.48.016 ГОСТ 17475-80 | |
| 27 | Гайка М4-6Н.6.016 ГОСТ 5915-70 | Гайка М4-6Н.6.016 ГОСТ 5915-70 | |
| 28 | Выключатель 1202.3704-05 ТУ 37.003.481-7 | Выключатель 1202.3704-05 ТУ 37.003.481-77 | |
| 29 | 533-0-62-33-323-1К | Гайка | |
| 30 | 533-9-62-33-370-1К | Провод N12 | |
| 31 | 533-9-62-33-371-1К | Провод N13 | |
| 32 | 533-9-62-33-372-1К | Провод N16 |
Содержащиеся в справочниках-каталогах запасные части и детали не предлагаются к продаже, а носят исключительно информационный характер