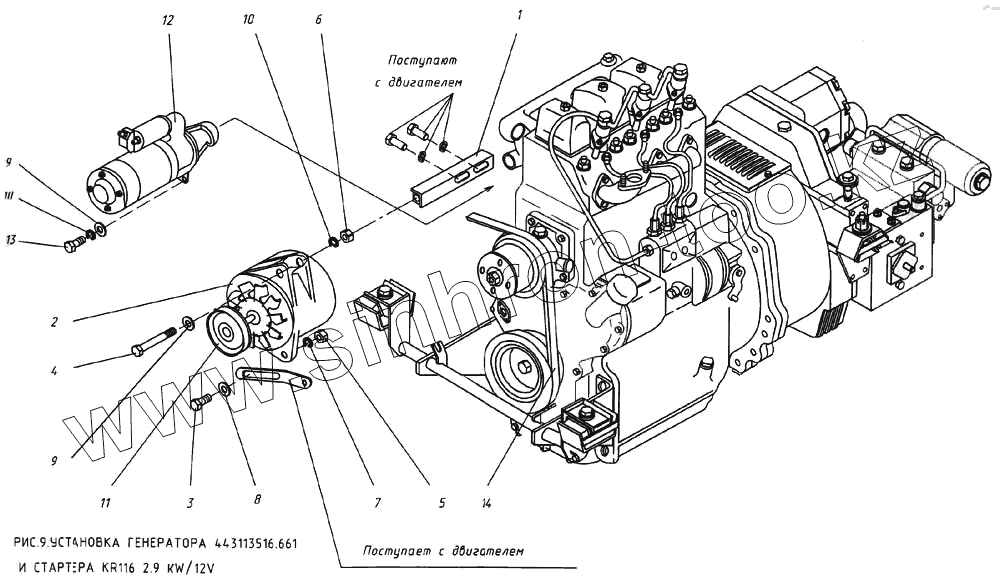
Каталог запасных частей к технике: КМЗ МКСМ-800. Установка генератора и стартера
1
2
3
4
5
6
7
8
8
9
9
10
10
11
12
13
14
14
| Позиция на иллюстрации | Заводской номер детали | Название детали | |
|---|---|---|---|
| 1 | 533-9-62-07-002-1К | Кронштейн | |
| 2 | Генератор переменного тока 443113516.661 | Генератор переменного тока 443113516.661 | |
| 3 | Болт М8-6gХ25.46.019 ГОСТ 7796-70 | Болт М8-6gХ25.46.019 ГОСТ 7796-70 | |
| 4 | Болт М10-6gХ120.46.019 ГОСТ 7795-70 | Болт М10-6gХ120.46.019 ГОСТ 7795-70 | |
| 5 | Гайка М8-6Н.6.019 ГОСТ 5915-70 | Гайка М8-6Н.6.019 ГОСТ 5915-70 | |
| 6 | Гайка М10-6Н.6.019 ГОСТ 5915-70 | Гайка М10-6Н.6.019 ГОСТ 5915-70 | |
| 7 | Шайба 8Т 65Г 06 ГОСТ 6402-70 | Шайба 8Т 65Г 06 ГОСТ 6402-70 | |
| 8 | Шайба 8.02.0118 ГОСТ 11371-78 | Шайба 8.02.0118 ГОСТ 11371-78 | |
| 8 | Шайба 8.01.0118 ГОСТ 11371-78 | Шайба 8.01.0118 ГОСТ 11371-78 | |
| 9 | Шайба 10.01.0118 ГОСТ 11371-78 | Шайба 10.01.0118 ГОСТ 11371-78 | |
| 9 | Шайба 10.02.0118 ГОСТ 11371-78 | Шайба 10.02.0118 ГОСТ 11371-78 | |
| 10 | Шайба 10 ОТ 65Г 06 ГОСТ 6402-70 | Шайба 10 ОТ 65Г 06 ГОСТ 6402-70 | |
| 11 | 533-0-62-07-155-1К | Шкив | |
| 12 | Стартер КR 1162.9КW/12V ТУ П124.20.18.18 | Стартер КR 1162.9КW/12V ТУ П124.20.18.18/89 | |
| 13 | Болт М10-6gХ30.46.019. ГОСТ 7796-70 | Болт М10-6gХ30.46.019. ГОСТ 7796-70 | |
| 14 | Ремень В (Б)-1120 IV ХЛ ГОСТ 1284.1-89 | Ремень В (Б)-1120 IV ХЛ ГОСТ 1284.1-89 | |
| 14 | Ремень В(Б)-1120 IV ХЛ ГОСТ 1284.1-89 | Ремень В(Б)-1120 IV ХЛ ГОСТ 1284.1-89 |
Содержащиеся в справочниках-каталогах запасные части и детали не предлагаются к продаже, а носят исключительно информационный характер