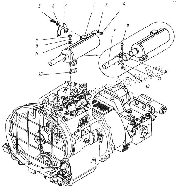
Каталог запасных частей к технике: КМЗ МКСМ-800. Установка глушителя
1
2
3
4
4
5
5
6
6
7
8
9
10
11
12
12
| Позиция на иллюстрации | Заводской номер детали | Название детали | |
|---|---|---|---|
| 1 | 533-9-62-07-029-1К | Глушитель в сборе | |
| 2 | 533-0-62-07-058-1К | Кронштейн | |
| 3 | Болт М10-6gХ30.46.019 ГОСТ 7796-70 | Болт М10-6gХ30.46.019 ГОСТ 7796-70 | |
| 4 | Гайка М10-6Н.6.019 ГОСТ 5915-70 | Гайка М10-6Н.6.019 ГОСТ 5915-70 | |
| 5 | Шайба 10 ОТ 65Г 06 ГОСТ 6402-70 | Шайба 10 ОТ 65Г 06 ГОСТ 6402-70 | |
| 6 | Шайба 10.01.0118 ГОСТ 11371-78 | Шайба 10.01.0118 ГОСТ 11371-78 | |
| 6 | Шайба 10.02.0118 ГОСТ 11371-78 | Шайба 10.02.0118 ГОСТ 11371-78 | |
| 7 | 533-9-62-07-050-1К | Глушитель | |
| 8 | 533-0-62-07-040-2К | Хомут | |
| 9 | Болт М8-6gХ30.46.019 ГОСТ 7796-70 | Болт М8-6gХ30.46.019 ГОСТ 7796-70 | |
| 10 | Гайка М8-6Н.6.019 ГОСТ 5915-70 | Гайка М8-6Н.6.019 ГОСТ 5915-70 | |
| 11 | Шайба 8Т 65Г 06 ГОСТ 6402-70 | Шайба 8Т 65Г 06 ГОСТ 6402-70 | |
| 12 | Прокладка 4.173.1-М-0-0-25К | Прокладка 4.173.1-М-0-0-25К | |
| 12 | Прокладка 4.173.1-М-0-0-25К | Прокладка 4.173.1-М-0-0-25К |
Содержащиеся в справочниках-каталогах запасные части и детали не предлагаются к продаже, а носят исключительно информационный характер