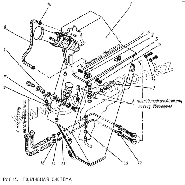
Каталог запасных частей к технике: КМЗ МКСМ-800. Топливная система
1
2
3
4
5
5
6
7
8
9
10
10
10
11
12
12
13
13
14
14
| Позиция на иллюстрации | Заводской номер детали | Название детали | |
|---|---|---|---|
| 1 | 533-9-62-15-001-1-К | Бак топливный | |
| 2 | Болт 3М8-6gХ18.88.38ХС.019 ГОСТ 7796-70 | Болт 3М8-6gХ18.88.38ХС.019 ГОСТ 7796-70 | |
| 3 | 533-0-62-19-818-1-К | Кольцо | |
| 4 | Проволока КО 1.0 ГОСТ 792-67 L=(160+/-5) | Проволока КО 1.0 ГОСТ 792-67 L=(160+/-5)мм | |
| 5 | Шайба 8.01.0118 ГОСТ 11371-78 | Шайба 8.01.0118 ГОСТ 11371-78 | |
| 5 | Шайба 8.02.0118 ГОСТ 11371-78 | Шайба 8.02.0118 ГОСТ 11371-78 | |
| 6 | 311.212.710095-К | Шайба | |
| 7 | Рукав 40У8-13ТУ005.6016-87 L=(650+/-2,5) | Рукав 40У8-13ТУ005.6016-87 L=(650+/-2,5)мм | |
| 8 | Рукав 40У8-13ТУ005.6016-87 L=(900+/-5)мм | Рукав 40У8-13ТУ005.6016-87 L=(900+/-5)мм | |
| 9 | Рукав 40У8-13ТУ005.6016-87 L=(550+/-2.5) | Рукав 40У8-13ТУ005.6016-87 L=(550+/-2.5)мм | |
| 10 | 672-54-сб62 | Хомут универсальный | |
| 11 | 691-05-сб108 | Трубка | |
| 12 | 672-54-сб3 | Хомут | |
| 13 | 533-9-62-15-104-1-К | Трубка | |
| 14 | Шайба 10 ОТ 65Г 06 ГОСТ 6402-70 | Шайба 10 ОТ 65Г 06 ГОСТ 6402-70 |
Содержащиеся в справочниках-каталогах запасные части и детали не предлагаются к продаже, а носят исключительно информационный характер