Каталог запасных частей к технике: ХТЗ МТ-ЛБ. Редуктор промежуточный 6.12.002
2
2
2
2
2
3
4
5
6
6
18
23
27
47
48
49
50
51
52
53
54
55
56
57
58
58
59
60
61
62
63
74
75
76
78
79
80
81
87
94
98
101
102
109
109
113
113
114
115
115
117
119
120
120
121
122
122
123
125
126
126
128
128
129
131
132
132
133
133
135
137
138
141
142
145
145
146
147
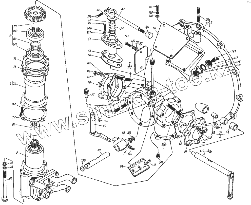
| Позиция на иллюстрации | Заводской номер детали | Название детали | |
|---|---|---|---|
| 2 | 8.12.010 | Картер промежуточного редуктора со шпильками | |
| 3 | 8.12.012 | Валик выключения сцепления с рычагом | |
| 4 | 8.121.015 | Щуп | |
| 5 | 8.12.020-1 | Насос в сборе | |
| 6 | 8.12.021 | Шестерня насоса в сборе | |
| 18 | 6.12.146 | Крышка | |
| 23 | 7.37.201 | Пружина | |
| 27 | 8.12.101 | Картер промежуточного редуктора | |
| 47 | 8.12.123 | Рычаг | |
| 48 | 8.12.124 | Вилка выключения | |
| 49 | 8.12.125 | Валик включения редуктора | |
| 50 | 8.12.126 | Рычаг включения редуктора | |
| 51 | 8.12.127 | Втулка уплотнительная | |
| 52 | 8.12.128 | Шайба | |
| 53 | 8.12.129 | Обойма кольца | |
| 54 | 8.12.130 | Кольцо войлочное | |
| 55 | 8.12.131 | Прокладка регулировочная | |
| 56 | 8.12.132 | Прокладка регулировочная | |
| 57 | 8.12.133 | Винт установочный | |
| 58 | 8.12.134 | Втулка | |
| 59 | 8.12.135 | Втулка | |
| 60 | 8.12.138 | Крышка люка картера | |
| 61 | 8.12.146 | Крышка | |
| 62 | 8.12.147 | Прокладка уплотнительная | |
| 63 | 8.12.149 | Крышка нижнего люка картера | |
| 74 | 8.12.209 | Прокладка уплотнительная | |
| 75 | 8.12.210 | Прокладка | |
| 76 | 8.12.210-01 | Прокладка | |
| 78 | 8.12.213 | Шестерня насоса | |
| 79 | 8.12.214 | Стакан | |
| 80 | 8.12.215 | Кольцо проставочное | |
| 81 | 8.12.216 | Муфта | |
| 87 | 8.12.230 | Болт | |
| 94 | 8.12.304 | Табличка | |
| 98 | 8.12.410 | Прокладка уплотнительная | |
| 101 | А13.05.000 | Рукоятка управления | |
| 102 | 17-361 | Шайба сальника валика обогатителя | |
| 109 | [Болт М8.6gx20.66.019 ГОСТ 7796-70] | Болт М8.6gx20.66.019 ГОСТ 7796-70 | |
| 113 | [Болт М6.6gx12.68.019 ГОСТ 7798-70] | Болт М6.6gx12.68.019 ГОСТ 7798-70 | |
| 114 | [Винт В1.М6-6gx16.58.019 ГОСТ 17475-80] | Винт В1.М6-6gx16.58.019 ГОСТ 17475-80 | |
| 115 | [Гайка М10.6.0112 ГОСТ 5915-70] | Гайка М10.6.0112 ГОСТ 5915-70 | |
| 117 | [Гайка М16х1,5.6Н.8.0112 ГОСТ 5929-70] | Гайка М16х1,5.6Н.8.0112 ГОСТ 5929-70 | |
| 119 | [Заклепка 2-4x8.37 ГОСТ 12642-80] | Заклепка 2-4x8.37 ГОСТ 12642-80 | |
| 120 | [Шайба 8.65Г.0115 ГОСТ 6402-70] | Шайба 8.65Г.0115 ГОСТ 6402-70 | |
| 121 | [Шайба 8.65Г.0115 ГОСт 6402-70] | Шайба 8.65Г.0115 ГОСт 6402-70 | |
| 122 | [Шайба 10.65Г.0115 ГОСТ 6402-70] | Шайба 10.65Г.0115 ГОСТ 6402-70 | |
| 123 | [Шайба 12Т.65Г.0115 ГОСТ 6402-70] | Шайба 12Т.65Г.0115 ГОСТ 6402-70 | |
| 125 | [Шайба 16Т.65Г.0115 ГОСТ 6402-70] | Шайба 16Т.65Г.0115 ГОСТ 6402-70 | |
| 126 | [Шайба 6.01.0115 ГОСТ 11371-78] | Шайба 6.01.0115 ГОСТ 11371-78 | |
| 128 | [Шайба 10.01.0115 ГОСТ 11371-78] | Шайба 10.01.0115 ГОСТ 11371-78 | |
| 129 | [Шайба 12.01.0115 ГОСТ 11371-78] | Шайба 12.01.0115 ГОСТ 11371-78 | |
| 131 | [Шайба 16.01.0115 ГОСТ 11371-78] | Шайба 16.01.0115 ГОСТ 11371-78 | |
| 132 | [Шпилька М10хТо/6gх25.66.013-6 ГОСТ 22036-76] | Шпилька М10хТо/6gх25.66.013-6 ГОСТ 22036-76 | |
| 133 | [Шпилька М10хТо/6gx35.66.013-6 ГОСТ 22036-76] | Шпилька М10хТо/6gx35.66.013-6 ГОСТ 22036-76 | |
| 135 | [Шпонка 4х6,5 ГОСТ 24071-80] | Шпонка 4х6,5 ГОСТ 24071-80 | |
| 137 | [Шпонка 6х10 ГОСТ 24071-80] | Шпонка 6х10 ГОСТ 24071-80 | |
| 138 | [Заглушка 18-08кп Хим. Окс. ГОСТ 3111-31] | Заглушка 18-08кп Хим. Окс. ГОСТ 3111-31 | |
| 141 | [Масленка 2.3.45.Ц6 ГОСТ 19853-74] | Масленка 2.3.45.Ц6 ГОСТ 19853-74 | |
| 142 | [Пробка КГ1/4" ГОСТ 12720-67] | Пробка КГ1/4" ГОСТ 12720-67 | |
| 145 | 180206С9 | Подшипник ГОСТ 8882-75 | |
| 146 | [Шарик БУ 8мм Н ГОСТ 3722-60] | Шарик БУ 8мм Н ГОСТ 3722-60 | |
| 147 | [Манжета 1-16х30-1 ГОСТ 8752-70] | Манжета 1-16х30-1 ГОСТ 8752-70 |
Содержащиеся в справочниках-каталогах запасные части и детали не предлагаются к продаже, а носят исключительно информационный характер