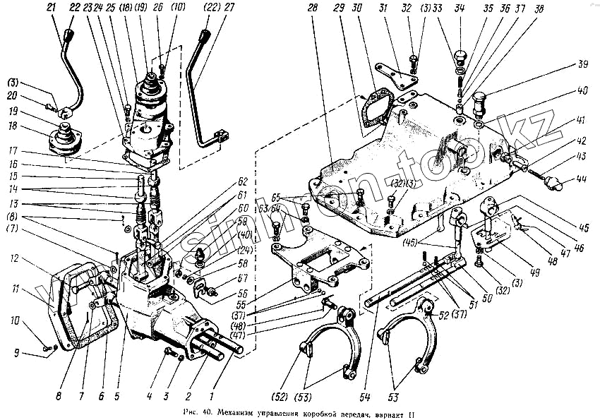
Каталог запасных частей к технике: МТЗ-100. Механизм управления коробкой передач (вариант 2)
1
2
3
3
3
3
3
4
5
6
7
7
8
8
9
10
10
11
12
13
14
15
16
17
18
18
19
19
20
22
23
24
24
25
28
29
30
31
32
32
32
33
34
35
36
37
37
37
38
39
40
40
41
42
43
44
45
45
46
47
47
48
48
49
50
51
52
52
53
53
54
55
56
57
58
59
60
61
62
63
64
65
| Позиция на иллюстрации | Заводской номер детали | Название детали | |
|---|---|---|---|
| 80С-1702080 | 80С-1702080 | Корпус в сборе | |
| 80С-1702090 | 80С-1702090 | Вилка с сухарем и шайбой в сборе | |
| 80С-1702300 | 80С-1702300 | Ограничитель в сборе | |
| 80С-1702010 | 80С-1702010 | Механизм управления в сборе | |
| 1 | 80С-1702060 | Вал | |
| 2 | 80С-1702070 | Вал | |
| 3 | ШП10 | Шайба | |
| 4 | 4М10х30 | Болт | |
| 5 | 80С-1702065 | Корпус | |
| 6 | 80С-1702068 | Прокладка | |
| 7 | ШЧ12 | Шайба | |
| 8 | 32х18 | Шплинт | |
| 9 | ШП6 | Шайба | |
| 10 | М6х16 | Винт | |
| 11 | 80С-1702067 | Крышка | |
| 12 | 12х55 | Палец | |
| 13 | 77-37-117 | Пружина | |
| 14 | 142-1702032 | Сфера | |
| 15 | 80С-1702074-01 | Вилка | |
| 16 | 80С-1702074 | Вилка | |
| 17 | 80С-1702079 | Прокладка | |
| 18 | 80С-1702075 | Шайба | |
| 19 | 55-47-569 | Чехол | |
| 20 | 4М10х30 | Болт | |
| 21 | 80С-1702040 | Рычаг | |
| 22 | А13.14.000 | Рукоятка | |
| 23 | 80С-1702078 | Гнездо | |
| 24 | ШП8 | Шайба | |
| 25 | 4М8х25 | Болт | |
| 26 | М8х20 | Болт | |
| 27 | 80С-1702030 | Рычаг | |
| 28 | 85-1702025 | Крышка | |
| 29 | 8Т6х16 | Штифт | |
| 30 | 80С-1702066 | Прокладка | |
| 31 | 85-3503046 | Кронштейн | |
| 32 | 4М10х25 | Болт | |
| 33 | Д09-035-А | Прокладка | |
| 34 | 50-1404075 | Пробка | |
| 35 | 50-1702148-А | Пружина фиксатора | |
| 36 | 80-1704039 | Направляющая | |
| 37 | 9,992 | Шарик | |
| 38 | 70-1703013 | Втулка | |
| 39 | 85-1702270 | Сапун | |
| 40 | 50-1702048 | Прокладка | |
| 41 | 80С-1702301 | Втулка | |
| 42 | 80С-1702303 | Фиксатор | |
| 43 | 80-1737113 | Пружина | |
| 44 | 80С-1702302 | Корпус | |
| 45 | 85-1702055 | Рычаг | |
| 46 | 6х10 | Заклепка | |
| 47 | 80-1702108 | Болт | |
| 48 | 1,6-0-С | Проволока | |
| 49 | 85-1702052 | Кулиса | |
| 50 | 80С-1702083 | Поводок | |
| 51 | 50-1702148-А | Пружина фиксатора | |
| 52 | 80С-1702091 | Вилка | |
| 53 | 80С-1702092 | Сухарь | |
| 54 | 80С-1702082 | Поводок | |
| 55 | 80С-1702081 | Корпус | |
| 56 | 80С-1702077 | Пластина | |
| 57 | 80С-1702076 | Шпилька | |
| 58 | ШЧ8 | Шайба | |
| 59 | ВК418 | Выключатель | |
| 60 | М8 | Гайка | |
| 61 | 80С-1702073 | Рычаг | |
| 62 | 12х32 | Палец | |
| 63 | 4М12х25 | Болт | |
| 64 | ШП12 | Шайба | |
| 65 | 50-1702092 | Болт призонный М12х42 |
Содержащиеся в справочниках-каталогах запасные части и детали не предлагаются к продаже, а носят исключительно информационный характер