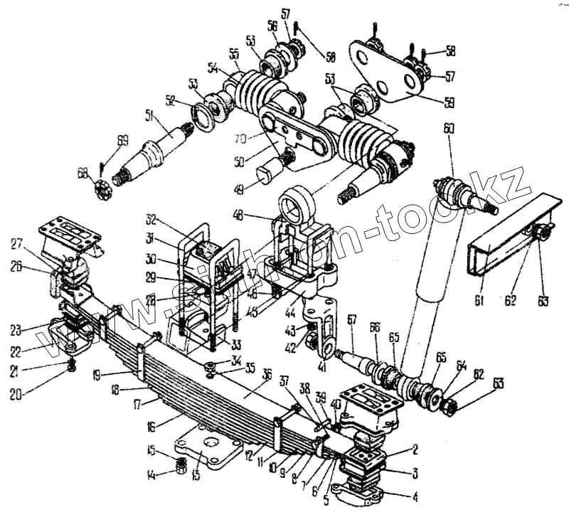
Каталог запасных частей к технике: ПАЗ-3205-110. Рессоры задние
2
4
5
6
8
9
10
11
12
13
14
15
16
16
17
18
20
21
23
27
28
29
30
31
32
33
34
35
36
37
38
40
41
42
43
44
45
48
49
50
51
52
53
53
53
54
55
56
57
57
58
58
59
60
62
62
63
63
64
65
65
66
67
69
70
| Позиция на иллюстрации | Заводской номер детали | Название детали | |
|---|---|---|---|
| 3205-2913413 | 3205-2913413 | Кронштейн крепления серьги левый | |
| 292873-П29 | 292873-П29 | Гайка стремянки передней рессоры ( норма упаковки 0,77 т. шт., 40 кг. ) | |
| 252139-П29 | 252139-П29 | Шайба 16 | |
| 3205-2903016-02 | 3205-2903016-02 | Ушко дополнительной пружины | |
| 53-2902433-А | 53-2902433-А | Упор передней и задней рессоры | |
| 3205-2913008 | 3205-2913008 | Пружины задние дополнительные с кронштейном правые | |
| 3205-2913010 | 3205-2913010 | Пружина дополнительная задняя в сборе | |
| 3205-2913419 | 3205-2913419 | Подкладка стремянок кронштейна серьги левая | |
| 652-2902431-Б | 652-2902431-Б | Опора нижняя передней и задней рессоры | |
| 3205-2913009 | 3205-2913009 | Пружины задние дополнительные с кронштейном левые | |
| 2 | 672-2912015 | Лист № 1 задней рессоры с чашками | |
| 4 | 3205-2912452 | Крышка заднего кронштейна | |
| 5 | 672-2912016 | Лист № 2 задней рессоры с чашками | |
| 6 | 572-2912103-01 | Лист № 4 | |
| 8 | 672-2912051 | Лист № 4 задней рессоры | |
| 9 | 672-2912105-01 | Лист № 5 | |
| 10 | 672-2912106-01 | Лист № 6 | |
| 11 | 672-2912107-01 | Лист № 7 | |
| 12 | 672-2912052 | Лист № 8 задней рессоры | |
| 13 | 672-2912418-10 | Подкладка стремянок задней рессоры | |
| 14 | 292931-П29 | Гайка стремянки задней рессоры | |
| 15 | 252141-П29 | Шайба 20 | |
| 16 | 4301-2915001 | Амортизатор | |
| 16 | 672-2912111-01 | Лист № 11 | |
| 17 | 672-2912110-01 | Лист № 10 | |
| 18 | 672-2912109-01 | Лист № 9 | |
| 20 | 280939-П29 | Болт М12х50 специальный | |
| 21 | 252157-П29 | Шайба 12 | |
| 23 | 52-2902431 | Опора рессоры нижняя | |
| 25 | 53-2912431 | Опора рессоры верхняя | |
| 27 | 672-2912450 | Крышка переднего кронштейна задней рессоры | |
| 28 | 3205-2912410 | Штифт | |
| 29 | 3205-2912416-01 | Подкладка обоймы буфера задней рессоры | |
| 30 | 672-2912412-Е | Накладка задней рессоры | |
| 31 | 3205-2912408-10 | Стремянка задней рессоры | |
| 32 | 652Б-2912622 | Буфер задней рессоры | |
| 33 | 672-2401024-02 | Подушка задней рессоры | |
| 34 | 251815-П2 | Гайка М12 | |
| 35 | 290957-П2 | Болт М12х128 | |
| 36 | 672-2912012-01 | Рессора задняя в сборе | |
| 37 | 353-2902068 | Втулка распорная хомута передней рессоры | |
| 38 | 200277-П2 | Болт М8х90 стяжной хомута | |
| 40 | 260510 | Гайка М8 | |
| 41 | 3205-2915540 | Кронштейн крепления нижней проушины амортизатора | |
| 42 | 201539-П29 | Болт М12х48 | |
| 43 | 252007-П29 | Шайба 12 | |
| 44 | 3205-2913418 | Подкладка стремянок кронштейна серьги правая | |
| 45 | 3205-2913408-10 | Стремянка кронштейна серьги | |
| 48 | 3205-2913412 | Кронштейн крепления серьги правый | |
| 49 | 3205-2913022-10 | Палец дополнительной пружины | |
| 50 | 3205-2913464 | Серьга дополнительной пружины наружная | |
| 51 | 3205-2913024 | Ось дополнительной пружины | |
| 52 | 3205-2913514 | Шайба оси пружины внутренняя с ригелем | |
| 53 | 695-2903046 | Втулка ушка пружины | |
| 54 | 3205-2913012 | Пружина дополнительная задняя в сборе | |
| 55 | 3205-2903016-01 | Ушко дополнительной пружины | |
| 56 | 3205-2913518 | Шайба оси пружины наружная | |
| 57 | 251015-П29 | Гайка М20х1,5 | |
| 58 | 258056-П29 | Шплинт 4х40 | |
| 59 | 3205-2913468 | Серьга дополнительной пружины внутренняя | |
| 60 | 53212-2905006 | Амортизатор | |
| 62 | 252139-П29 | Шайба 16 | |
| 63 | 250561-П29 | Гайка М16х1,5 | |
| 64 | 3205-2905489 | Шайба зажимная под гайкой | |
| 65 | 53212-2901486 | Втулка крепления амортизатора | |
| 66 | 3205-2905488 | Шайба зажимная у пальца | |
| 67 | 3205-2905472 | Палец крепления амортизатора | |
| 69 | 258069-П29 | Шплинт 5х36 | |
| 70 | 3205-2913522 | Гайка М24 | |
| 71 | 3205-2913466-01 | Ригель серьги |
Содержащиеся в справочниках-каталогах запасные части и детали не предлагаются к продаже, а носят исключительно информационный характер