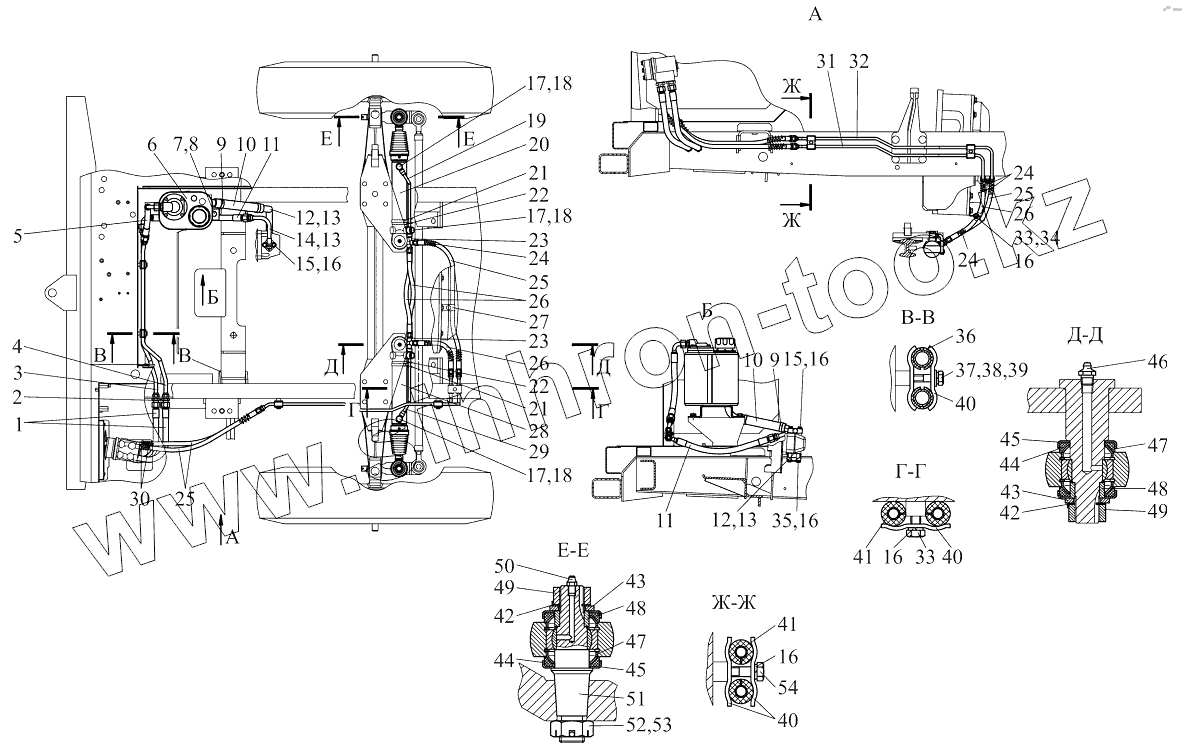
Каталог запасных частей к технике: МТЗ Ш-353М. Гидросистема рулевого управления Ш353М-3407010-Б
1
2
3
4
5
6
7
8
9
9
10
10
11
11
12
12
13
13
13
14
15
15
16
16
16
16
16
16
17
17
17
18
18
18
19
20
21
21
22
22
23
23
24
24
24
25
25
25
26
26
26
27
28
29
30
31
32
33
33
34
35
36
37
38
39
40
40
40
41
41
42
42
43
43
44
44
45
45
46
47
47
48
48
49
49
50
51
52
53
54
| Позиция на иллюстрации | Заводской номер детали | Название детали | |
|---|---|---|---|
| 1 | Ш353М-3407150 | Рукав высокого давления | |
| 2 | Ш353М-3407017 | Гайка | |
| 3 | Ш353М-3407220 | Трубопровод | |
| 4 | Ш353М-3407210 | Трубопровод | |
| 5 | Ш353М-3407160 | Рукав высокого давления | |
| 6 | Ш353М-3407100 | Бак рулевого управления | |
| 7 | БолтМ12-6gх25.88.35.019 | Болт | |
| 8 | 4598166068 | Шайба 12ОТ | |
| 9 | TORRO25-40/971 | Хомут | |
| 10 | Ш353М-3407011 | Рукав | |
| 11 | Ш353М-3407160-01 | Рукав высокого давления | |
| 12 | Ш353М-3407205 | Трубопровод | |
| 13 | Кольцо017-022-30-1-4 | Кольцо | |
| 14 | Ш353М-3407200-Б | Трубопровод | |
| 15 | БолтМ8-6gх30.88.35.019 | Болт | |
| 16 | 4598166046 | Шайба 8Т | |
| 17 | Ф80-3407114 | Шайба | |
| 18 | Ф80-3407201 | Болт | |
| 19 | Ш353М-3407240-01 | Трубопровод | |
| 20 | Ш353М-3407040-А | Гидроцилиндр | |
| 21 | TORRO50-70/971 | Хомут | |
| 22 | Ш353М-3407018 | Прижим | |
| 23 | Ш353М-3404060 | Тройник | |
| 24 | 354-3500309-Б | Оболочка | |
| 25 | 925-3407100 | Рукав высокого давления | |
| 26 | 925-3407100-06 | Рукав высокого давления | |
| 27 | Ш353М-3407190 | Кронштейн | |
| 28 | Ш353М-3407040-А-01 | Гидроцилиндр | |
| 29 | Ш353М-3407240 | Трубопровод | |
| 30 | МЛ131-3400191 | Хомут | |
| 31 | Ш353М-3407235 | Трубопровод | |
| 32 | Ш353М-3407230 | Трубопровод | |
| 33 | БолтМ8-6gх16.88.35.019 | Болт | |
| 34 | ШайбаС8.01.019 | Шайба | |
| 35 | БолтМ8-6gх40.88.35.019 | Болт | |
| 36 | 70-3506027 | Втулка | |
| 37 | БолтМ6-6gх40.88.35.019 | Болт | |
| 38 | ШайбаС6.01.019 | Шайба | |
| 39 | 4598166045 | Шайба 6Т | |
| 40 | 70-3407146 | Планка | |
| 41 | 354-3405017 | Втулка | |
| 42 | Ф80-3405103 | Шайба стопорная | |
| 43 | ШайбаС20.01.019 | Шайба | |
| 44 | Ф80-3405109 | Уплотнитель | |
| 45 | Ф80-3405108 | Чашка уплотнительная | |
| 46 | Масленка1.3.Ц9.хр | Масленка1.3.Ц9.хр | |
| 47 | Ф80-3405107 | Втулка сферическая | |
| 48 | Ф80-3405102-В | Втулка | |
| 49 | ГайкаМ20х1.5-6Н.6.019 | Гайка М20х1.5-6Н.6.019 | |
| 50 | Масленка1.1.Ц9.хр | Масленка | |
| 51 | Ф80-3405101-Б | Палец | |
| 52 | ГайкаМ20х1.5-6Н.04.019 | Гайка М20х1.5-6Н.04.019 | |
| 53 | Шплинт4х36.019 | Шплинт | |
| 54 | БолтМ8-6gх35.88.35.019 | Болт |
Содержащиеся в справочниках-каталогах запасные части и детали не предлагаются к продаже, а носят исключительно информационный характер