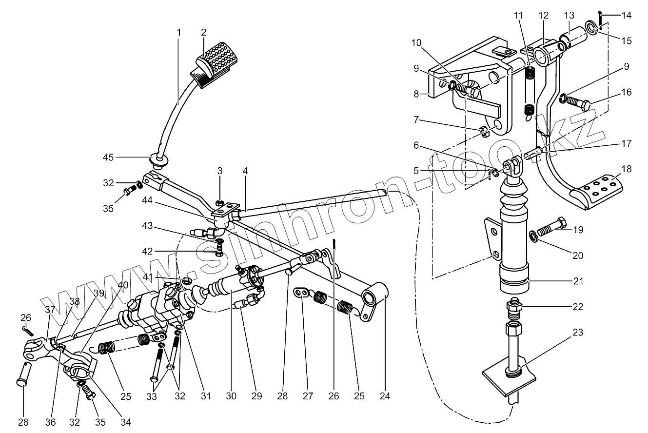
Каталог запасных частей к технике: МТЗ МЛПТ-344. Управление сцеплением
1
2
3
4
5
6
7
8
9
9
10
11
12
13
14
15
16
17
18
19
20
21
22
23
24
25
25
26
26
27
28
28
29
30
31
32
32
32
33
34
35
35
36
37
38
39
40
41
42
43
44
45
| Позиция на иллюстрации | Заводской номер детали | Название детали | |
|---|---|---|---|
| 344-1602010 | 344-1602010 | Управление сцеплением | |
| 1 | 80-1602050-Б | Стержень | |
| 2 | А13.33.002 | Чехол | |
| 3 | М8-6Н.6.019 | Гайка | |
| 4 | МЛ127-1602550 | Цилиндр рабочий | |
| 5 | 3,2x18.019 | Шплинт | |
| 6 | С.10.01.019 | Шайба | |
| 7 | М10-6Н.6.019 | Гайка | |
| 8 | МЛ131-1602060 | Кронштейн | |
| 9 | 4598166067 | Шайба 10ОТ | |
| 10 | М10-6gх18.88.35.019 | Болт | |
| 11 | МЛ131-1602034 | Пружина | |
| 12 | МЛ131-1602040 | Педаль | |
| 13 | МЛ131-1602031 | Втулка | |
| 14 | 4x36.019 | Шплинт | |
| 15 | 50-3503071 | Шайба | |
| 16 | М10-6gх20.88.35.019 | Болт | |
| 17 | 12x32 | Палец | |
| 18 | А13.33.002 | Чехол | |
| 19 | М10-6gх70.88.35.019 | Болт | |
| 20 | 4598166067 | Шайба 10ОТ | |
| 21 | МЛ131-1602610 | Цилиндр главный | |
| 22 | 822-3503701 | Штуцер | |
| 23 | МЛ127-1002011 | Втулка резиновая | |
| 24 | 344-1602020 | Кронштейн | |
| 25 | 50-1605152 | Пружина | |
| 26 | 3,2x18.019 | Шплинт | |
| 27 | 80-1602116 | Ушко | |
| 28 | 12x32 | Палец | |
| 29 | 952-3407100-02 | Рукав высокого давления | |
| 30 | 1221В-1602550 | Цилиндр рабочий | |
| 31 | 80-1602510 | Гидроусилитель | |
| 32 | 4598166068 | Шайба 12ОТ | |
| 33 | М12-6gx100.58.019 | Болт | |
| 34 | СШ-611 | Шпонка | |
| 35 | М12-6Н.6.019 | Гайка | |
| 36 | 80-1602116 | Ушко | |
| 37 | 50-3502203 | Вилка | |
| 38 | М12x1,25-6Н.6.019 | Гайка | |
| 39 | 1221В-1602112 | Тяга | |
| 40 | 80-1601219-Б | Рычаг | |
| 41 | М12-6Н.6.019 | Гайка | |
| 42 | М8-6gx16.88.35.019 | Болт | |
| 43 | 4598166046 | Шайба 8Т | |
| 44 | МЛ131-1602100 | Угольник | |
| 45 | 80-3503158-А | Чехол |
Содержащиеся в справочниках-каталогах запасные части и детали не предлагаются к продаже, а носят исключительно информационный характер