Каталог запасных частей к технике: МТЗ МЛПТ-344. Корпус сцепления
1
2
3
4
4
4
4
5
6
7
8
9
10
11
11
12
13
13
14
15
16
17
18
19
19
19
20
20
21
21
21
22
23
24
25
26
27
28
29
30
31
32
33
34
35
36
37
38
39
40
41
41
41
41
41
42
43
44
45
46
46
47
48
49
50
51
52
53
54
55
56
57
58
59
60
61
62
63
64
65
66
67
68
69
70
71
72
73
74
75
76
77
78
79
80
81
81
82
83
84
85
85
86
87
88
89
90
91
92
93
94
95
96
97
98
99
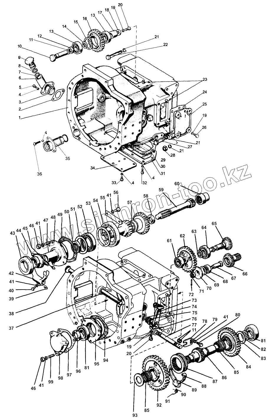
| Позиция на иллюстрации | Заводской номер детали | Название детали | |
|---|---|---|---|
| 80-1600010-02 | 80-1600010-02 | Корпус | |
| 50-1601180-A | 50-1601180-A | Отводка | |
| 70-1601330 | 70-1601330 | Шестерня 70-1601331 с кольцами в сборе | |
| 80-1601030-01 | 80-1601030-01 | Кронштейн отводки | |
| 80-1601040 | 80-1601040 | Стакан с гайкой в сборе | |
| 80-1601050-01 | 80-1601050-01 | Вал | |
| 80-1601070 | 80-1601070 | Шестерня с кольцом и подшипником в сборе | |
| 80-1601160 | 80-1601160 | Вал с подшипниками в сборе | |
| 80-1601180 | 80-1601180 | Шестерня 80-1601182 с осью, подшипником и кольцом в сборе | |
| 80-1601190 | 80-1601190 | Вилка со штифтом в сборе | |
| 85-1601150 | 85-1601150 | Вал в сборе | |
| 240-1002115 | 240-1002115 | Горловина с кольцом пружинным и патрубком в сборе | |
| А19.01.100 | А19.01.100 | Крышка с пробкой и кольцом уплотнительным в сборе | |
| 1 | 80-1601015 | Корпус | |
| 2 | 240-1002082-A | Прокладка | |
| 3 | 240-1002085 | Сетка | |
| 4 | 4598166046 | Шайба 8Т | |
| 5 | M8-6gx20.88.35.019 | Болт | |
| 6 | 240-1002088-B | Патрубок | |
| 7 | A19.01.001 | Пробка | |
| 8 | 042-048-30-2-1 | Кольцо | |
| 9 | A19.01.003 | Кольцо пружинное | |
| 10 | 80-1601335 | Ось | |
| 11 | 020-025-30-1-4 | Кольцо | |
| 12 | 80-1601337 | Шайба | |
| 13 | 305А | Подшипник | |
| 14 | 70-1601333 | Кольцо | |
| 15 | С62 | Кольцо | |
| 16 | 70-1601331 | Шестерня промежуточная | |
| 17 | 80-1601336 | Втулка | |
| 18 | 80-1601334 | Шайба | |
| 19 | 4598166068 | Шайба 12ОТ | |
| 20 | M12-6gx35.88.35.019 | Болт | |
| 21 | 4598166072 | Шайба 20ОТ | |
| 22 | 70-4605036-03 | Болт | |
| 23 | 2.10x25 | Штифт | |
| 24 | 80-1601343 | Прокладка | |
| 25 | 80-1601342 | Крышка | |
| 26 | M12-6gx30.88.35.019 | Болт | |
| 27 | 70-4605036 | Болт | |
| 28 | М20-6Н.6.019 | Гайка | |
| 29 | ПККГ11/4 | Пробка | |
| 30 | 80-1601314 | Прокладка | |
| 31 | 80-1601313 | Крышка | |
| 32 | M8-6gx25.88.35.019 | Болт | |
| 33 | M8-6gx16.88.35.019 | Болт | |
| 34 | 50-1601341 | Крышка сцепления | |
| 35 | 86-1802015-Б | Обойма | |
| 36 | M8-6gx35.88.35.019 | Болт | |
| 37 | 85-1601215 | Вал | |
| 38 | 50-1601022 | Заглушка | |
| 39 | 50-1601218 | Шпонка | |
| 40 | M10-6gx30.88.35.019 | Болт | |
| 41 | 4598166067 | Шайба 10ОТ | |
| 42 | 85-1601203 | Вилка | |
| 43 | 986714К1С23 | Подшипник отводки | |
| 44 | 50-1601185-A | Отводка | |
| 45 | 1.1.Ц9.хр | Масленка | |
| 46 | М10-6Н.6.019 | Гайка | |
| 47 | М103р/6gx25.66.019 | Шпилька | |
| 48 | 85-1601172 | Кронштейн | |
| 49 | 80-1601173 | Прокладка | |
| 50 | 240-1002055 | Манжета 2.1-50х70-4 | |
| 51 | 80-1601319 | Шайба | |
| 52 | 115К5 | Подшипник | |
| 53 | С105 | Кольцо | |
| 54 | 76-1000921 | Подшипник | |
| 55 | 80-1601318 | Планка | |
| 56 | М10-6gх25.88.35.019 | Болт | |
| 57 | 85-1601026 | Вал | |
| 58 | 2.2-38x58-1 | Манжета | |
| 59 | 80-1601113-01 | Вал | |
| 60 | 80C-1601061 | Втулка | |
| 61 | 305А | Подшипник | |
| 62 | 80-1601357-Б | Шестерня | |
| 63 | С35 | Кольцо | |
| 64 | 207 | Шарикоподшипник | |
| 65 | 80-1601071-Б | Шестерня | |
| 66 | 80-1601182 | Шестерня | |
| 67 | 80-1601181 | Ось | |
| 68 | 204А | Подшипник | |
| 69 | С47 | Кольцо | |
| 70 | 80-1601356 | Шайба упорная | |
| 71 | 70-3003032 | Гайка | |
| 72 | 3,2x25.019 | Шплинт | |
| 73 | 80-1601219-Б | Рычаг | |
| 74 | 80-4608024 | Кольцо | |
| 75 | 36-1601016 | Корпус пылеотражателя | |
| 76 | СШ-611 | Шпонка | |
| 77 | 85-1601111 | Валик | |
| 78 | 85-1601099 | Пластина | |
| 79 | С.10.01.019 | Шайба | |
| 80 | М10-6gх20.88.35.019 | Болт | |
| 81 | 209А | Подшипник | |
| 82 | 2С50 | Кольцо | |
| 83 | 80-1601083 | Шайба | |
| 84 | 80-1601086-A | Шестерня | |
| 85 | КК52x60x39 | Подшипник | |
| 86 | 80-1601021 | Вал | |
| 87 | 112-1701343 | Муфта | |
| 88 | 70-1601114 | Штифт | |
| 89 | 80-1601191 | Вилка | |
| 90 | 50-4604046 | Болт вилки | |
| 91 | 1,0-О-С | Проволока | |
| 92 | 80-1601088-A | Шестерня | |
| 93 | 80-1601082 | Шайба | |
| 94 | 80-1601091 | Прикладка | |
| 95 | 80-1601041 | Стакан | |
| 96 | 80-1701045 | Гайка | |
| 97 | 80-1601092 | Прокладка | |
| 98 | 80-1601089 | Крышка | |
| 99 | М103р/6gx35.66.019 | Шпилька |
Содержащиеся в справочниках-каталогах запасные части и детали не предлагаются к продаже, а носят исключительно информационный характер