Каталог запасных частей к технике: МТЗ МЛ-131. Система топливная
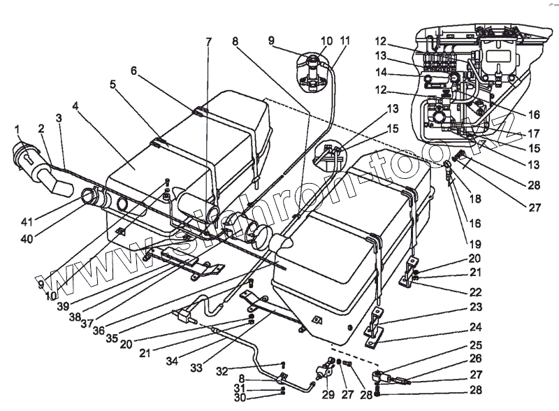
МЛ131-1101010
1
2
3
4
5
6
7
8
8
9
9
10
10
11
12
12
13
13
13
14
15
15
16
16
17
18
19
20
20
21
21
22
23
24
25
26
27
27
27
28
28
28
29
30
31
32
33
34
35
36
37
38
39
40
41
| Позиция на иллюстрации | Заводской номер детали | Название детали | |
|---|---|---|---|
| МЛ131-1101010 | МЛ131-1101010 | Система топливная | |
| 1 | МЛ127-1101050 | Горловина заливная | |
| 2 | МЛ127-1101101 | Рукав 14x23-16 | |
| 3 | 354-3500309-6-04 | Оболочка | |
| 4 | МЛ131-1101020 | Бак топливный | |
| 5 | 354-110060 | Хомут | |
| 6 | ПР36-01 | Прокладка | |
| 7 | 5298710-14 | Хомутик | |
| 8 | 70-1115012-01 | Хомутик | |
| 9 | 36-1104787 | Болт | |
| 10 | 36-1104788 | Прокладка | |
| 11 | 85-1101240 | Трубка | |
| 12 | 354-1101100 | Топливопровод | |
| 13 | Д18-051 | Болт | |
| 14 | Д18-0503АМ | Угольник поворотный | |
| 15 | Д18-055-А | Шайба | |
| 16 | ТУРБ903.201.040-2004 | Хомут «НОРМА» TORRO 16-25/9-C6W | |
| 17 | 354-1101100-01 | Топливопровод | |
| 18 | Ш353М-1101003 | Угольник | |
| 19 | Ш353М-1101004-01 | Шланг | |
| 20 | 4598166067 | Шайба 10ОТ | |
| 21 | ОСТ37.001.115-75 | Шайба 8Т | |
| 22 | 354-1101003 | Проушина | |
| 23 | ПР-43-01 | Уплотнитель | |
| 24 | МЛ131-1101040 | Фиксатор | |
| 25 | МЛ127-1101086 | Угольник | |
| 26 | 354-1101150 | Клапан сливной | |
| 27 | Ал16х22х1,5МН3138-62 | Прокладка | |
| 28 | 354-1101005 | Болт зажимной | |
| 29 | ТУРБ03973223.008-2000 | Кран | |
| 30 | ГОСТ5915-70 | Гайка М6-6Н.6.019 | |
| 31 | С8.01.019 | Шайба | |
| 32 | TM8-6gx16.88.35.019 | Болт | |
| 33 | 354-1101020-Б | Кронштейн | |
| 34 | 354-1101050-Б | Топливопровод | |
| 35 | M10-6gx35.88.35.019 | Болт | |
| 36 | МЛ131-1101130 | Бак топливный | |
| 37 | 70-1101035-Б | Рукав | |
| 38 | 80-1101012-Б | Прокладка | |
| 39 | 354-1101040-Б | Кронштейн | |
| 40 | TORRO50-70/9-C6W | Хомут «НОРМА» | |
| 41 | МЛ131-1101101 | Рукав |
Содержащиеся в справочниках-каталогах запасные части и детали не предлагаются к продаже, а носят исключительно информационный характер