Вернуться на главную
Поиск
Каталоги запчастей к технике
Спецтехника
МТЗ
БЕЛАРУС 1502
Установка щитка приборов
Каталог запасных частей к технике: МТЗ БЕЛАРУС 1502. Установка щитка приборов
zoom-in
zoom-out
enlarge
shrink
circle-right
circle-left
file-text2
info
cart
Тип техники
Не выбрано
Легковые автомобили
Грузовые автомобили и прицепы
Автобусы
Сельхозтехника
Спецтехника
Двигатели
Мототехника
Марка
Не выбрано
Ammann
BOMAG
CARMIX
CASE IH
Changlin
ChengGong
Dimex
Doosan
DYNAPAC
Foton
HAMM
Hidromek
Hitachi
Hyundai
JCB
JLG
John Deere
Komatsu
LIEBHERR
LiuGong
Lonking (LongGong)
Luneng
MANITOU
Mitsuber
New Holland
PENGPU
RM-Terex
SANY
SDLG
SEM
Shantui
Shehwa HBXG
Soosan
TIGARBO
VOGELE
Volvo
WAY
WIRTGEN
XCMG
XGMA
Xiamen
YTO
Yuchai
Zoomlion
Автокран
АЗСМ
Алтайлесмаш
Амкодор
АОМЗ
Атек
АТЗ
Балканкар Рекорд
БелАЗ
Беловеж
Борекс
Брянский Арсенал
Булат
ВЭКС
ГАЗ
Геомаш
Гидромаш
Донекс
Дормаш
Дормашина
Дорэлектромаш
ДЭЗ
ЕлАЗ
ЗЗГТ
Ижнефтемаш
Канаш-электрокар
КЗКТ
ККЗ
Клевер
Клинцовский автокрановый завод
КМЗ
КМЗ 1 Мая
Ковровец
Коммаш
Кранэкс
КЭЗ
КЭМЗ
ЛЗА
МАЗ
МЗИК
МЗКМ
МЗКТ
Михневский РМЗ
МоАЗ
Мозырский МЗ
МТЗ
ОЗП
Онежец
ПАО "ТЗА"
ППС Детва
Промтрактор
ПТЗ
Раскат
СпецАгрегат
ТВЭКС
ТТМ
УВЗ
Угличмаш
УЗТМ
ХТЗ
ЧЗКМ
ЧСДМ
ЧТЗ
ЭКСКО
ЭКСМАШ
ЮрМаш
Модель
Не выбрано
1502 (2012)
БЕЛАРУС 1502 (2015)
БЕЛАРУС 1502 (2017)
БЕЛАРУС МПТ-461.1 (2015)
КРМ-2 (САЗ) (2015)
М75-04 (2010)
МЛ-131 (2008)
МЛПТ-344 (2011)
МЛПТ-354М (2008)
МПТ-461.1 (2010)
МР-40-01 (2010)
МТЗ-320 МК (2010)
МУП-351 (2010)
ОБ-12 (САЗ) (2015)
ТТР-401М (2010)
Ш-353М (2015)
ЩК-00.010-М (САЗ) (2015)
ЩК-1 (САЗ) (2015)
Схема
>
Не выбрано
Трактор гусеничный «БЕЛАРУС» 1502
Полурама
Установка силовая. Топливопровод сливной. Топливопровод. Кран
Агрегат силовой. Установка стартера. Отводка. Подшипник
Система топливная. Бак топливный правый. Клапан сливной. Топливопровод
Пробка
Управление подачей топлива. Серьга
Система охлаждения. Устройство сливное. Штуцер сливной
Ограждение вентилятора
Охлаждение наддувочного воздуха
Система выпуска. Труба выпускная
Система очистки воздуха
Трансмиссия
Передача карданная трансмиссии
Корпус сцепления. Горловина заливная. Шестерня. Кронштейн отводки. Вал. Втулка. Вилка. Вал-шестерня. Стакан
Управление сцеплением. Крышка. Бачок. Педаль. Угольник. Рукав гибкий. Тяга
Гидроусилитель. Толкатель
Коробка передач
Коробка передач
Коробка передач
Коробка передач
Узел передач. Стакан. Синхронизатор. Вал промежуточный
Фильтр. Труба
Механизм управления. Рычаги КП. Сапун. Тяга
Корпус вилок
Привод насоса. Клапан
Фильтр-распределитель. Ротор с осью. Ось ротора. Стакан ротора. Сетка фильтрующая
Гидросистема ГСП
Гидросистема ГСП
Клапан перепускной
Радиатор масляный ГСП
Мост задний. Передача конечная
Мост задний
Мост задний
Мост задний. Маслопровод. Вал отбора мощности. Кожух. Вал ведущий
Вал-шестерня
Коробка клапанная с фильтром. Клапан
Передача конечная. Крышка. Шестерня ведомая
Устройство тягово-сцепное. Кронштейн задний. Рыхлитель
Устройство тягово-сцепное. Тяга
Крюк с амортизатором
Рама
Каретка
Каретка однобалансирная
Каток поддерживающий
Механизм натяжения гусеницы
Колесо направляющее
Гидросистема механизма натяжения гусениц. Колодка
Привод поворота рулевой. Колонка рулевая. Тяга
Колонка рулевая. Кардан. Вал. Колесо рулевое
Редуктор рулевой с нульустановителем
Механизм поворота
Механизм поворота
Водило
Полумуфта
Система управления тормозами
Система управления тормозами
Слив конденсата. Баллон
Тормоз
Регулятор давления. Клапан. Диафрагма
Механизм отключения гидромотора
Электрооборудование двигателя
Электрооборудование двигателя
Электрооборудование трансмиссии
Установка фар рабочих, стеклоомывателя, переднего и заднего стеклоочистителя
Установка батарей аккумуляторных
Электрооборудование гидросистемы. Панель боковая
Установка фонарей передних и фар дорожных
Электрооборудование кабины. Установка фонарей задних
Электрооборудование кондиционера или отопителя-вентилятора
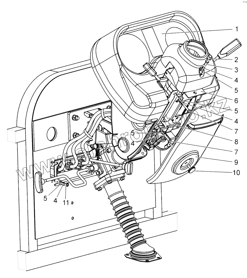
Установка щитка приборов
Щиток приборов
Щиток приборов
Щиток приборов
Установка инструментального ящика
Таблички фирменные и инструкционные
Таблички фирменные и инструкционные
Аптечка
Установка сиденья. Установка подлокотника. Подлокотник
Сиденье оператора. Салазки. Подвеска
ВОМ задний
ВОМ задний
Редуктор. Вал-шестерня
Распределитель
Гидросистема
Гидросистема
Гидросистема
Гидросистема. Клапан замедлительный
Колодка напорная
Привод насоса. Вал
Устройство навесное
Установка отвала (прямого). Вилка. Раскос
Установка отвала. Вилка. Тяга верхняя. Винт
Корчеватель. Комплект монтажных частей
Гидроцилиндр. Клапан замедлительный
Гидроцилиндр
Пробка. Клапан
Бак
Установка кабины
Кабина. Установка пульта. Пульт
Облицовка
Установка верхнего пояса. Панель. Козырек
Крыша. Установка фильтра. Панель
Крыша
Дверь левая. Стекло. Запорное устройство
Дверь правая. Стекло. Запорное устройство
Стекло заднее. Установка панели
Стекло боковое левое. Фиксатор левый
Зеркало
Облицовка
Крылья
Установка крыльев
Крыло левое
Крыло правое
Установка лесенки и поручня
Система кондиционирования
Компрессор кондиционера с приводом. Рычаг натяжной
Система отопления и вентиляции. Арматура отопителя. Отопитель-вентилятор
1502-3805105
1
2
3
4
4
4
5
5
5
6
7
7
8
9
10
11
Позиция на иллюстрации
Заводской номер детали
Название детали
1502-3805105
1502-3805105
Установка щитка приборов
1
1502-3805110
Щиток приборов
2
А30.04.017
Колпачок
3
БолтМ6-6gх16.88.35.019
Болт
4
4598166045
Шайба 6Т
5
ШайбаС.6.01.019
Шайба С.6.01.019
6
822-3805080-Б
Кронштейн
7
БолтМ6-6gх25.88.35.019
Болт
8
822-3805095
Кронштейн
9
822-3805163
Кожух
10
80-3805065
Винт
11
ГайкаМ6-6Н.6.019
Гайка
Содержащиеся в справочниках-каталогах запасные части и детали не предлагаются к продаже, а носят исключительно информационный характер
Дополнительная информация
×
Название:
Номер:
Примечание: