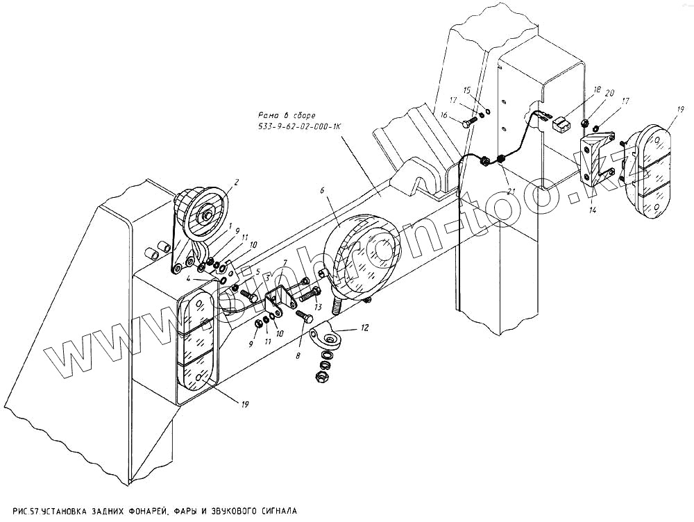
Каталог запасных частей к технике: КМЗ МКСМ-800. Установка задних фонарей, фары и звукового сигнала
1
2
3
4
4
5
6
7
8
9
9
10
10
11
11
12
13
14
15
16
17
17
18
19
19
20
21
| Позиция на иллюстрации | Заводской номер детали | Название детали | |
|---|---|---|---|
| 1 | 533-9-62-33-338-1К | Провод N 76 | |
| 2 | Сигнал звуковой безрупорный С311В-01 ТУ | Сигнал звуковой безрупорный С311В-01 ТУ 37. 003.565-77 | |
| 3 | Болт М8-6gХ16.46.019 ГОСТ 7796-70 | Болт М8-6gХ16.46.019 ГОСТ 7796-70 | |
| 4 | Шайба 8.01.0118 ГОСТ 11371-78 | Шайба 8.01.0118 ГОСТ 11371-78 | |
| 4 | Шайба 8.02.0118 ГОСТ 11371-78 | Шайба 8.02.0118 ГОСТ 11371-78 | |
| 5 | Шайба 8 Т 65Г 06 ГОСТ 6402-70 | Шайба 8 Т 65Г 06 ГОСТ 6402-70 | |
| 6 | Фара 30.3711 ТУ 37.003.989-80 | Фара 30.3711 ТУ 37.003.989-80 | |
| 7 | 010.48.130 | Кронштейн | |
| 8 | Болт М10-6gХ25.46.019 ГОСТ 7796-70 | Болт М10-6gХ25.46.019 ГОСТ 7796-70 | |
| 9 | Гайка М10-6Н.6.019 ГОСТ 5915-70 | Гайка М10-6Н.6.019 ГОСТ 5915-70 | |
| 10 | Шайба 10.01.0118 ГОСТ 11371-78 | Шайба 10.01.0118 ГОСТ 11371-78 | |
| 10 | Шайба 10.02.0118 ГОСТ 11371-78 | Шайба 10.02.0118 ГОСТ 11371-78 | |
| 11 | Шайба 10 ОТ 65Г 06 ГОСТ 6402-70 | Шайба 10 ОТ 65Г 06 ГОСТ 6402-70 | |
| 12 | 54.48.431-1К | Чашка кронштейна фары | |
| 13 | Болт М10-6gХ60.46.019 ГОСТ 7795-70 | Болт М10-6gХ60.46.019 ГОСТ 7795-70 | |
| 14 | 533-9-62-33-324-1К | Кронштейн | |
| 15 | 672-31-162-01 | Шайба | |
| 16 | Болт Мв-6gХ14.46.019 ГОСТ 7798-70 | Болт Мв-6gХ14.46.019 ГОСТ 7798-70 | |
| 17 | Шайба 6 Т 65Г 06 ГОСТ 6402-70 | Шайба 6 Т 65Г 06 ГОСТ 6402-70 | |
| 18 | Колодка гнездовая 02-6.3-04 (45 7373 900 | Колодка гнездовая 02-6.3-04 (45 7373 9007) ОСТ37.003.032-88 | |
| 19 | Фонарь задний 33.3716 ГОСТ 6964-72 | Фонарь задний 33.3716 ГОСТ 6964-72 | |
| 19 | Фонарь задний 713716 ГОСТ 6964-72 | Фонарь задний 713716 ГОСТ 6964-72 | |
| 20 | Гайка М6-6Н.6.019 ГОСТ 5915-70 | Гайка М6-6Н.6.019 ГОСТ 5915-70 | |
| 21 | 14.48.243 | Втулка изоляционная |
Содержащиеся в справочниках-каталогах запасные части и детали не предлагаются к продаже, а носят исключительно информационный характер