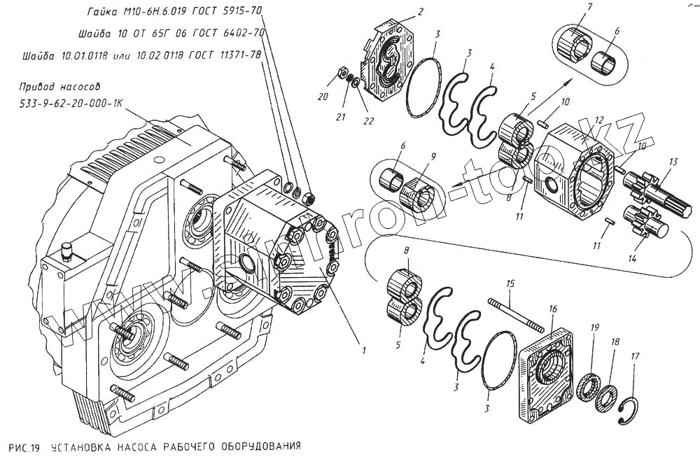
Каталог запасных частей к технике: КМЗ МКСМ-800. Установка насоса рабочего оборудования
1
2
3
3
4
4
4
4
5
5
6
6
8
8
9
10
10
11
11
12
13
14
15
16
17
18
19
19
20
21
22
22
| Позиция на иллюстрации | Заводской номер детали | Название детали | |
|---|---|---|---|
| 1 | 533-9-62-19-917-1К | Насос | |
| 2 | 533-0-62-19-925-1К | Крышка | |
| 3 | 533-0-62-19-891-1К | Кольцо | |
| 4 | 533-0-62-19-892-1К | Кольцо защитное | |
| 5 | 533-9-62-19-918-1-01К | Подшипник | |
| 6 | 533-0-62-19-1043-1К | Втулка | |
| 7 | 533-0-62-19-919-1-01К | Подшипник | |
| 8 | 533-9-62-19-918-1К | Подшипник | |
| 9 | 533-0-62-19-919-1К | Подшипник | |
| 10 | Штифт 2.8u8Х22.К.207...256НВОСТ3-2234-93 | Штифт 2.8u8Х22.К.207...256НВОСТ3-2234-93 | |
| 11 | Штифт 2.6u8Х20.К.207...256НВОСТ3-2234-93 | Штифт 2.6u8Х20.К.207...256НВОСТ3-2234-93 | |
| 12 | 533-0-62-19-924-1К | Корпус | |
| 13 | 533-0-62-19-921-1К | Шестерня ведущая | |
| 14 | 533-0-62-19-922-1К | Шестерня ведомая | |
| 15 | 672-29-58 | Шпилька | |
| 16 | 533-0-62-19-923-1К | Фланец | |
| 17 | Кольцо В 55 Хим. Окс. прм. ГОСТ 13943-86 | Кольцо В 55 Хим. Окс. прм. ГОСТ 13943-86 | |
| 18 | 533-0-62-19-920-1К | Упор | |
| 19 | Манжета 1.2-30Х52-1 ГОСТ 8752-79/ОСТ38.0 | Манжета 1.2-30Х52-1 ГОСТ 8752-79/ОСТ38.05146-78 | |
| 19 | Манжета 1.2-30Х52-3 ГОСТ 8752-79/ОСТ38.0 | Манжета 1.2-30Х52-3 ГОСТ 8752-79/ОСТ38.05146-78 | |
| 20 | Гайка М10-6Н.6.019 ГОСТ 5915-70 | Гайка М10-6Н.6.019 ГОСТ 5915-70 | |
| 21 | Шайба 10 ОТ 65Г 06 ГОСТ 6402-70 | Шайба 10 ОТ 65Г 06 ГОСТ 6402-70 | |
| 22 | Шайба 10.01.0118 ГОСТ 11371-78 | Шайба 10.01.0118 ГОСТ 11371-78 | |
| 22 | Шайба 10.02.0118 ГОСТ 11371-78 | Шайба 10.02.0118 ГОСТ 11371-78 |
Содержащиеся в справочниках-каталогах запасные части и детали не предлагаются к продаже, а носят исключительно информационный характер