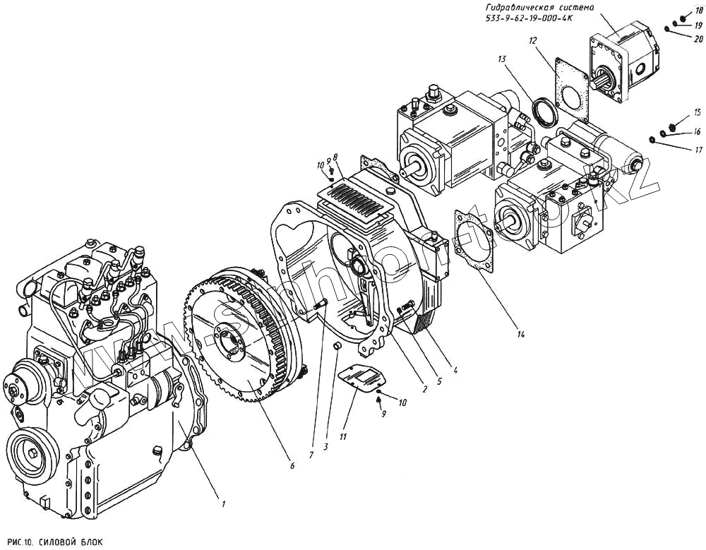
Каталог запасных частей к технике: КМЗ МКСМ-800. Силовой блок
1
2
3
4
5
6
7
8
9
9
10
10
11
12
13
14
15
16
17
17
18
19
20
20
| Позиция на иллюстрации | Заводской номер детали | Название детали | |
|---|---|---|---|
| 533-9-62-08-000-1К | 533-9-62-08-000-1К | Силовой блок | |
| 1 | Двигатель Зетор 5201.22ТР27-05.1-01/90 | Двигатель Зетор 5201.22ТР27-05.1-01/90 | |
| 2 | 533-9-62-20-000-1К | Привод насосов | |
| 3 | Втулка центрирующая 4.173.1-М-0-0-31-1К | Втулка центрирующая 4.173.1-М-0-0-31-1К | |
| 4 | Болт М12-6gХ35.88.38ХС.019 ГОСТ 7796-70 | Болт М12-6gХ35.88.38ХС.019 ГОСТ 7796-70 | |
| 5 | Шайба 12 ОТ 65Г 06 ГОСТ 6402-70 | Шайба 12 ОТ 65Г 06 ГОСТ 6402-70 | |
| 6 | 533-9-62-20-001-1К | Сцепление | |
| 7 | Болт М12Х1.5-6gХ45.88.38ХС.019 ГОСТ 7795 | Болт М12Х1.5-6gХ45.88.38ХС.019 ГОСТ 7795-70 | |
| 8 | 533-0-62-20-041-1К | Решетка | |
| 9 | Болт М6-6gХ16.46.019 ГОСТ 7798-70 | Болт М6-6gХ16.46.019 ГОСТ 7798-70 | |
| 10 | Шайба 6Т 65Г 06 ГОСТ 6402-70 | Шайба 6Т 65Г 06 ГОСТ 6402-70 | |
| 11 | 533-0-62-20-042-1К | Крышка | |
| 12 | 533-0-62-08-001-1К | Прокладка | |
| 13 | 533-0-62-20-037-1К | Кольцо | |
| 14 | 533-0-62-08-002-1К | Прокладка | |
| 15 | Гайка М14-6Н.04.019 ГОСТ 2526-70 | Гайка М14-6Н.04.019 ГОСТ 2526-70 | |
| 16 | Шайба 14 ОТ 65Г 06 ГОСТ 6402-70 | Шайба 14 ОТ 65Г 06 ГОСТ 6402-70 | |
| 17 | Шайба 14.01.0118 ГОСТ 11371-78 | Шайба 14.01.0118 ГОСТ 11371-78 | |
| 17 | Шайба 14.02.0118 ГОСТ 11371-78 | Шайба 14.02.0118 ГОСТ 11371-78 | |
| 18 | Гайка М10-6Н.6.019 ГОСТ 5915-70 | Гайка М10-6Н.6.019 ГОСТ 5915-70 | |
| 19 | Шайба 10 ОТ 65Г 06 ГОСТ 6402-70 | Шайба 10 ОТ 65Г 06 ГОСТ 6402-70 | |
| 20 | Шайба 10.01.0118 ГОСТ 11371-78 | Шайба 10.01.0118 ГОСТ 11371-78 | |
| 20 | Шайба 10.02.0118 ГОСТ 11371-78 | Шайба 10.02.0118 ГОСТ 11371-78 |
Содержащиеся в справочниках-каталогах запасные части и детали не предлагаются к продаже, а носят исключительно информационный характер