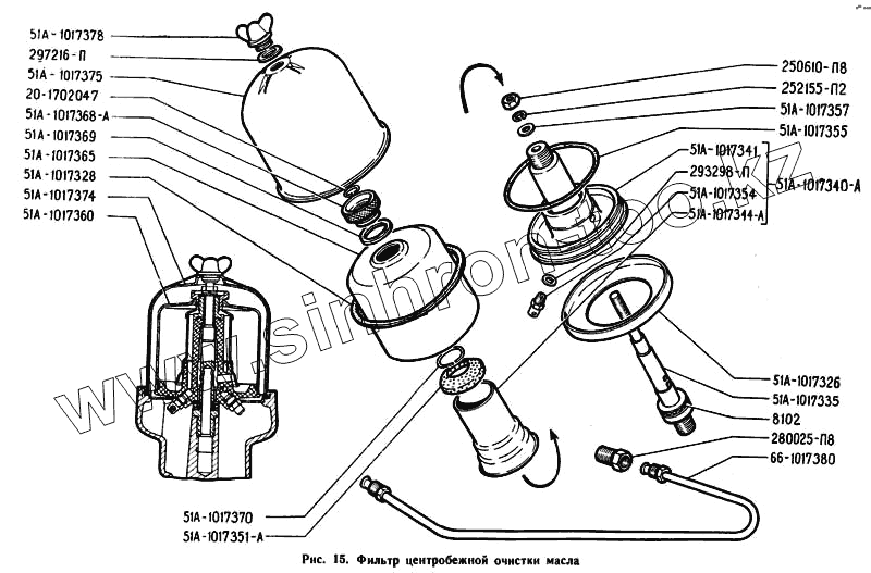
Каталог запасных частей к технике: ГАЗ-71. Фильтр центробежной очистки масла
51А-1017326
280025-П8
51А-1017357
51А-1017369
252155-П2
293298-П
297216-П
66-1017380
51А-1017344-А
51А-1017351-А
51А-1017341
51А-1017340-А
51А-1017328
51А-1017337
51А-1017378
51А-1017335
51А-1017355
20-1702047
51А-1017370
51А-1017374
51А-1017375
51А-1017360
51А-1017365
51А-1017354
250610-П8
51А-1017368-А
| Позиция на иллюстрации | Заводской номер детали | Название детали | |
|---|---|---|---|
| 51А-1017326 | 51А-1017326 | Отражатель фильтра центробежной очистки масла | |
| 280025-П8 | 280025-П8 | Штуцер К 3/8 трубки | |
| 51А-1017357 | 51А-1017357 | Шайба упорная ротора фильтра центробежной очистки масла | |
| 51А-1017369 | 51А-1017369 | Шайба ротора фильтра центробежной очистки масла | |
| 252155-П2 | 252155-П2 | Шайба 8Л ОСТ 37.001.115-75 | |
| 293298-П | 293298-П | Шайба 10 жиклера | |
| 297216-П | 297216-П | Шайба 16 | |
| 66-1017380 | 66-1017380 | Трубка нагнетательная фильтра центробежной очистки масла в сборе | |
| 51А-1017344-А | 51А-1017344-А | Стакан направляющий ротора фильтра центробежной очистки масла | |
| 51А-1017351-А | 51А-1017351-А | Сетка фильтра центробежной очистки масла | |
| 51А-1017341 | 51А-1017341 | Ротор фильтра центробежной очистки масла с втулками в сборе | |
| 51А-1017340-А | 51А-1017340-А | Ротор фильтра центробежной очистки масла в сборе | |
| 51А-1017328 | 51А-1017328 | Прокладка кожуха фильтра центробежной очистки масла | |
| 51А-1017337 | 51А-1017337 | Подшипник 8102 ГОСТ 520-91 | |
| 51А-1017378 | 51А-1017378 | Гайка-барашек фильтра центробежной очистки масла | |
| 51А-1017335 | 51А-1017335 | Ось ротора фильтра центробежной очистки масла | |
| 51А-1017311 | 51А-1017311 | Комплект деталей фильтра | |
| 51А-1017355 | 51А-1017355 | Кольцо уплотнительное ротора фильтра центробежной очистки масла | |
| 20-1702047 | 20-1702047 | Кольцо стопорное | |
| 51А-1017370 | 51А-1017370 | Кольцо стопорное гайки кожуха ротора | |
| 51А-1017374 | 51А-1017374 | Кожух фильтра центробежной очистки масла в сборе | |
| 51А-1017375 | 51А-1017375 | Кожух фильтра центробежной очистки масла | |
| 51А-1017360 | 51А-1017360 | Кожух ротора фильтра центробежной очистки масла в сборе | |
| 51А-1017365 | 51А-1017365 | Кожух ротора фильтра центробежной очистки масла | |
| 51А-1017354 | 51А-1017354 | Жиклер ротора фильтра центробежной очистки масла | |
| 250610-П8 | 250610-П8 | Гайка М8х1,25 | |
| 51А-1017368-А | 51А-1017368-А | Гайка кожуха ротора фильтра центробежной очистки масла |
Содержащиеся в справочниках-каталогах запасные части и детали не предлагаются к продаже, а носят исключительно информационный характер