Вернуться на главную
Поиск
Каталоги запчастей к технике
Спецтехника
ГАЗ
ГАЗ-71
Бензиновый бак
Каталог запасных частей к технике: ГАЗ-71. Бензиновый бак
zoom-in
zoom-out
enlarge
shrink
circle-right
circle-left
file-text2
info
cart
Тип техники
Не выбрано
Легковые автомобили
Грузовые автомобили и прицепы
Автобусы
Сельхозтехника
Спецтехника
Двигатели
Мототехника
Марка
Не выбрано
Ammann
BOMAG
CARMIX
CASE IH
Changlin
ChengGong
Dimex
Doosan
DYNAPAC
Foton
HAMM
Hidromek
Hitachi
Hyundai
JCB
JLG
John Deere
Komatsu
LIEBHERR
LiuGong
Lonking (LongGong)
Luneng
MANITOU
Mitsuber
New Holland
PENGPU
RM-Terex
SANY
SDLG
SEM
Shantui
Shehwa HBXG
Soosan
TIGARBO
VOGELE
Volvo
WAY
WIRTGEN
XCMG
XGMA
Xiamen
YTO
Yuchai
Zoomlion
Автокран
АЗСМ
Алтайлесмаш
Амкодор
АОМЗ
Атек
АТЗ
Балканкар Рекорд
БелАЗ
Беловеж
Борекс
Брянский Арсенал
Булат
ВЭКС
ГАЗ
Геомаш
Гидромаш
Донекс
Дормаш
Дормашина
Дорэлектромаш
ДЭЗ
ЕлАЗ
ЗЗГТ
Ижнефтемаш
Канаш-электрокар
КЗКТ
ККЗ
Клевер
Клинцовский автокрановый завод
КМЗ
КМЗ 1 Мая
Ковровец
Коммаш
Кранэкс
КЭЗ
КЭМЗ
ЛЗА
МАЗ
МЗИК
МЗКМ
МЗКТ
Михневский РМЗ
МоАЗ
Мозырский МЗ
МТЗ
ОЗП
Онежец
ПАО "ТЗА"
ППС Детва
Промтрактор
ПТЗ
Раскат
СпецАгрегат
ТВЭКС
ТТМ
УВЗ
Угличмаш
УЗТМ
ХТЗ
ЧЗКМ
ЧСДМ
ЧТЗ
ЭКСКО
ЭКСМАШ
ЮрМаш
Модель
Не выбрано
ГАЗ-71
Дополнение к ГАЗ-3403
Схема
>
Не выбрано
Стеклоочиститель
Стекла, уплотнение ветрового окна и противосолнечный козырек
Опрыскиватель ветрового стекла
Дверь
Сиденье водителя
Отопитель кабины
Обогрев ветрового стекла
Отопитель кузова
Корпус
Пол корпуса
Воздухопритоки, воздухоотводы и рубка корпуса
Люки корпуса
Брызговики и крыло корпуса
Сиденье корпуса
Тент
Подвеска двигателя
Блок и головка блока цилиндров
Распределительный механизм
Поршни и шатуны
Коленчатый вал
Распределительный вал. Клапаны и толкатели
Газопровод
Масляный картер и маслоприемник
Масляный насос и привод распределителя зажигания
Масляный радиатор и вентиляция картера
Пусковое оборудование
Пусковое оборудование
Пусковое оборудование
Фильтр центробежной очистки масла
Бензиновый бак
Бензинопровод
Бензиновый отстойник
Бензиновый насос
Карбюратор
Карбюратор
Карбюратор
Карбюратор
Управление карбюратором (акселератор)
Управление карбюратором (акселератор)
Воздушный фильтр
Пневмоцентробежный ограничитель оборотов
Фильтр тонкой очистки топлива
Глушитель
Радиатор и подвеска радиатора
Трубопроводы, шланги и расширительный бачок
Пробка радиатора, сливные краники и расширительный бачок
Пусковое оборудование
Водяной насос
Водяной насос
Вентилятор
Вентилятор
Вентилятор
Кожух вентилятора
Жалюзи радиатора
Сцепление
Сцепление
Сцепление
Привод сцепления
Привод сцепления
Привод сцепления
Коробка передач в сборе
Коробка передач
Коробка передач
Коробка передач
Механизм переключения передач
Механизм переключения передач
Механизм блокировки переключения передач со сцеплением
Раздаточная коробка и механизм переключения раздаточной коробки
Раздаточная коробка
Механизм переключения раздаточной коробки
Промежуточный карданный вал
Главная передача
Главная передача
Главная передача
Фрикционы
Тормоза
Привод управления фрикционами и тормозами
Соединительные муфты, полуоси и бортовая передача
Бортовая передача и ведущие колеса
Буксирный прибор
Передние буксирные крюки и крепление номерных знаков
Амортизаторы передние (опорного катка)
Амортизаторы передние и задние
Амортизаторы передние и задние
Амортизаторы задние (ленивца)
Подвеска катков движителя
Подвеска катков движителя
Подвеска направляющего колеса (ленивца)
Подвеска направляющего колеса (ленивца)
Опорные катки
Ленивец (направляющее колесо)
Гусеница движителя
Снегоочиститель
Генератор
Генератор
Реле-регулятор
Реле-регулятор
Аккумуляторная батарея
Аккумуляторная батарея
Катушка зажигания, распределитель зажигания, свечи и провода зажигания
Распределитель зажигания
Стартер
Стартер
Фары
Фары и подфарники
Внутреннее освещение
Задний фонарь
Включатель света "стоп"
Электропровода
Электропровода
Щиток приборов
Щиток приборов
Трюмный электронасос
Трюмный электронасос
Клапан слива воды из корпуса
Шоферский инструмент
Шанцевый инструмент и принадлежности
Санитарные принадлежности
Гусеничный транспортер ГАЗ-71
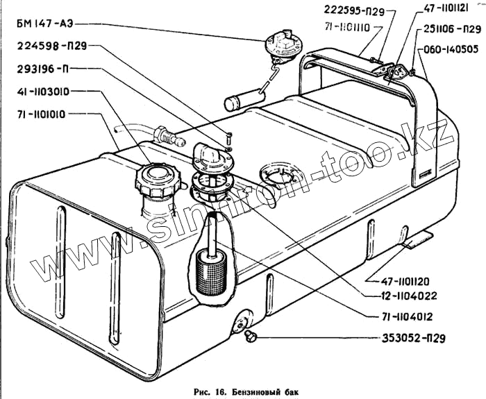
71-1101010
224598-П29
222595-П29
251106-П29
БМ147-АЭ
41-1103010
353052-П29
47-1101120
47-1101121
12-1104022
71-1104012
71-1101110
060-140505
293196-П
Позиция на иллюстрации
Заводской номер детали
Название детали
71-1101010
71-1101010
Бак в сборе
224599-П29
224599-П29
Винт М5-6gх14
224598-П29
224598-П29
Винт М5-6gх12 ОСТ 37.001.130-81
222595-П29
222595-П29
Винт хомута
251106-П29
251106-П29
Гайка М8
БМ147-АЭ
БМ147-АЭ
Датчик указателя уровня топлива
41-1103010
41-1103010
Пробка в сборе
353052-П29
353052-П29
Пробка К1/4"
47-1101120
47-1101120
Прокладка бака
47-1101121
47-1101121
Прокладка бака
12-1104022
12-1104022
Прокладка датчика и фланца
12-1104022
12-1104022
Прокладка датчика и фланца
71-1104012
71-1104012
Трубка приемная бензинопровода с фильтром в сборе
71-1101110
71-1101110
Хомут крепления бака длинный в сборе
060-140505
060-140505
Хомут крепления бака короткий в сборе
293196-П
293196-П
Шайба 5,5 ГОСТ 11371-78
Содержащиеся в справочниках-каталогах запасные части и детали не предлагаются к продаже, а носят исключительно информационный характер
Дополнительная информация
×
Название:
Номер:
Примечание: