Каталог запасных частей к технике: МТЗ-923. Управление подачей топлива
1
2
2
2
2
2
3
4
5
5
5
6
7
8
9
10
11
12
13
14
15
16
16
17
18
19
20
20
21
22
23
24
25
26
27
28
29
30
31
32
33
34
35
36
37
38
39
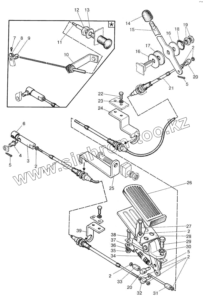
| Позиция на иллюстрации | Заводской номер детали | Название детали | |
|---|---|---|---|
| 1 | 80В-1108300-02 | Трос | |
| 2 | М6 | Гайка | |
| 3 | 600-1108032 | Ось | |
| 4 | 600-1108031 | Шарнир | |
| 5 | 3,2х18 | Шплинт | |
| 6 | 600-1108033 | Скоба | |
| 7 | В1М4х10 | Винт | |
| 8 | 70-1310441 | Фиксатор | |
| 9 | 70-1108317-01 | Бонка | |
| 10 | 80-1108026 | Кронштейн | |
| 11 | 80-1108630-01 | Трос | |
| 12 | М12х1,25 | Гайка | |
| 13 | ШЧ12 | Шайба | |
| 14 | А13.11.000-01 | Рукоятка | |
| 15 | 1522-1108350 | Рукоятка | |
| 16 | 80-1108028 | Шайба | |
| 17 | 80-1108178 | Шайба фрикционная | |
| 18 | 80В-1108347 | Пружина тарельчатая | |
| 19 | М14х1,5 | Гайка | |
| 20 | 80В-1108317 | Бонка | |
| 21 | 80В-1108300-01 | Трос | |
| 22 | М6х16 | Винт | |
| 23 | ШП6 | Шайба | |
| 24 | 923-1108501 | Кронштейн | |
| 25 | 821-1108053 | Кронштейн | |
| 26 | А13.36.001 | Чехол | |
| 27 | М6х30 | Болт | |
| 28 | 80В-1108510 | Педаль | |
| 29 | М10х25 | Болт | |
| 30 | ШП10 | Шайба | |
| 31 | 75-1108310 | Серьга | |
| 32 | 600-1108017 | Бонка | |
| 33 | 75-1108333 | Муфта | |
| 34 | 70-4803019 | Пружина | |
| 35 | М8 | Гайка | |
| 36 | ШП8 | Шайба | |
| 37 | 806-1108341 | Пластина | |
| 38 | М8х25 | Болт | |
| 39 | 821-1108504 | Кронштейн |
Содержащиеся в справочниках-каталогах запасные части и детали не предлагаются к продаже, а носят исключительно информационный характер