Каталог запасных частей к технике: МТЗ-923. Управление подачей топлива
1
2
2
2
2
3
3
4
4
5
5
6
7
8
8
8
8
9
9
10
10
11
12
12
12
13
14
15
16
17
18
19
20
21
22
23
24
25
26
27
27
28
29
30
31
32
33
34
35
36
37
38
39
40
41
42
43
44
45
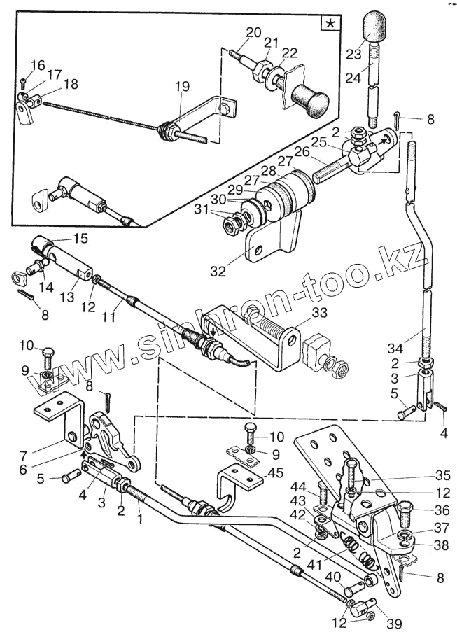
| Позиция на иллюстрации | Заводской номер детали | Название детали | |
|---|---|---|---|
| 1 | 821-1108537 | Тяга | |
| 2 | М8 | Гайка | |
| 3 | 80В-1108542 | Наконечник тяги | |
| 4 | 2х12 | Шплинт | |
| 5 | 70-1601109-01 | Палец | |
| 6 | 80В-1108506 | Рычаг | |
| 7 | 821-1108030 | Кронштейн | |
| 8 | 3,2х18 | Шплинт | |
| 9 | ШП6 | Шайба | |
| 10 | М6х20 | Винт | |
| 11 | 80-1108300-02 | Трос | |
| 12 | М6 | Гайка | |
| 13 | 600-1108032 | Ось | |
| 14 | 600-1108031 | Шарнир | |
| 15 | 600-1108033 | Скоба | |
| 16 | ВМ4х10 | Винт | |
| 17 | 70-1310441 | Фиксатор | |
| 18 | 70-1108317-01 | Бонка | |
| 19 | 80-1108026 | Кронштейн | |
| 20 | 80-1108630 | Трос | |
| 21 | М12х1,25 | Гайка | |
| 22 | ШП12 | Шайба | |
| 23 | А13.11.000-01 | Рукоятка | |
| 24 | 922-1108146 | Рукоятка | |
| 25 | 70-1108317 | Бонка | |
| 26 | 822-1108030-Б | Валик | |
| 27 | 80-1108178 | Шайба фрикционная | |
| 28 | 822-1108022 | Втулка | |
| 29 | 822-1108028 | Шайба | |
| 30 | 80В-1108347 | Пружина тарельчатая | |
| 31 | М14х1,5 | Гайка | |
| 32 | 822-1108021 | Кронштейн | |
| 33 | 821-1108053 | Кронштейн | |
| 34 | 821-1108073 | Тяга | |
| 35 | М6х30 | Болт | |
| 36 | М10х25 | Болт | |
| 37 | ШП10 | Шайба | |
| 38 | 922-1108010 | Педаль | |
| 39 | 808-1108317 | Бонка | |
| 40 | Палец 8х22 | Палец | |
| 41 | 70-4803019 | Пружина | |
| 42 | ШП8 | Шайба | |
| 43 | 80В-1108341 | Кронштейн | |
| 44 | М8х25 | Болт | |
| 45 | 821-1108504 | Кронштейн |
Содержащиеся в справочниках-каталогах запасные части и детали не предлагаются к продаже, а носят исключительно информационный характер