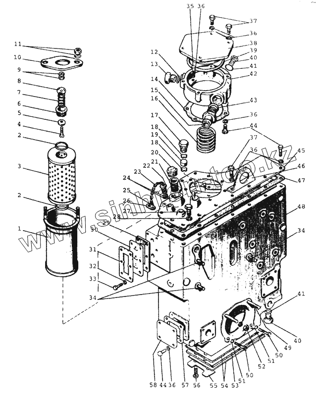
Каталог запасных частей к технике: МТЗ-80 (2002). 4608 Корпус гидроагрегатов и фильтр
1
2
2
3
4
5
6
7
8
9
10
11
12
13
14
15
16
17
18
18
19
20
21
22
23
24
25
26
27
28
29
30
31
32
33
34
34
35
36
36
36
36
36
37
37
38
39
40
40
41
41
42
43
44
44
45
46
47
48
49
50
50
51
51
52
53
54
55
56
57
58
| Позиция на иллюстрации | Заводской номер детали | Название детали | |
|---|---|---|---|
| 85-4608090 | 85-4608090 | Клапан 85-4608091 в сборе | |
| 85-4608010-01 | 85-4608010-01 | Корпус гидросистемы в сборе | |
| А28.04.10.000 | А28.04.10.000 | Клапан 8.20.004 в сборе | |
| 1 | А28.04.20.000-А | Корпус | |
| 2 | ГОСТ9833-73 | Кольцо 010-015-30-2-3 | |
| 3 | 761-00-00-00 | Элемент фильтрующий Реготмас 635-1 | |
| 4 | ГОСТ17473-80 | Винт ВМ6-6gх12.58.019 | |
| 5 | 8.20.004 | Клапан | |
| 6 | А28.04.10.001 | Корпус | |
| 7 | 8.20.002 | Пружина | |
| 8 | 8.20.005 | Шайба опорная | |
| 9 | ГОСТ5913-70 | Гайка М6-6Н.6.019 | |
| 10 | А28.04.00.001 | Ограничитель | |
| 11 | ГОСТ5916-70 | Гайка М14х 1,5-6Н.6.019 | |
| 12 | ГОСТ9833-73 | Кольцо 010-015-30-2-3 | |
| 13 | 85-4608021 | Пробка | |
| 14 | 85-4608089 | Прокладка | |
| 15 | С80-4607034 | Штуцер | |
| 16 | 85-4608057 | Пружина | |
| 17 | 50-4608059 | Пробка сапуна | |
| 18 | 50-4608062 | Шайба сапуна | |
| 19 | 50-4608063 | Фильтр | |
| 20 | Пробка КГ 1/4 | Пробка КГ 1/4 | |
| 21 | А61-С06-А2 | Фильтр | |
| 22 | 85-4608091 | Клапан | |
| 23 | 50-1002450 | Цепочка | |
| 24 | ГОСТ9833-73 | Кольцо 010-015-30-2-3 | |
| 25 | 36-1101067 | Кольцо | |
| 26 | 50-3407069 | Чека | |
| 27 | ГОСТ7796-70 | Болт М8-6gх20.88.35.019 | |
| 28 | ОСТ37.001.115-75 | Шайба 8Т | |
| 29 | 85-4608086-А | Прокладка | |
| 30 | 85-4608087 | Указатель | |
| 31 | 85-4608088 | Пластина | |
| 32 | ОСТ37.001.115-75 | Шайба 8Т | |
| 33 | ГОСТ7798-70 | Болт M6-6gx16.88.35.019 | |
| 34 | ГОСТ22034-76 | Шпилька M8 3p/6gx18.66.019 | |
| 35 | ГОСТ7796-70 | Болт М8-6gх20.88.35.019 | |
| 36 | ОСТ37.001.115-75 | Шайба 8Т | |
| 37 | ГОСТ7796-70 | Болт М8-6gх20.88.35.019 | |
| 38 | 85-4608022 | Крышка | |
| 39 | ГОСТ9833-73 | Кольцо 010-015-30-2-3 | |
| 40 | 50-4608027-В | Пробка | |
| 41 | ГОСТ9833-73 | Кольцо 010-015-30-2-3 | |
| 42 | 85-4608018-01 | Стакан | |
| 43 | ГОСТ9833-73 | Кольцо 010-015-30-2-3 | |
| 44 | ГОСТ7796-70 | Болт М8-6gх20.88.35.019 | |
| 45 | 85-4608025-02 | Крышка | |
| 46 | 80-4608073 | Кронштейн | |
| 47 | 85-4608031 | Прокладка | |
| 48 | 85-4608016-А | Корпус гидросистемы | |
| 49 | ГОСТ22034-76 | Шпилька M8 3p/6gx18.66.019 | |
| 50 | ГОСТ7796-70 | Болт М8-6gх20.88.35.019 | |
| 51 | ОСТ37.001.115-75 | Шайба 8Т | |
| 52 | ГОСТ5915-70 | Гайка М6-6Н.6.019 | |
| 53 | 70-4608072 | Пластина | |
| 54 | 50-4608049 | Прокладка | |
| 55 | 70-4607168 | Пластина | |
| 56 | ГОСТ7796-70 | Болт М8-6gх20.88.35.019 | |
| 57 | 70-4608033 | Прокладка | |
| 58 | 70-4608019 | Крышка |
Содержащиеся в справочниках-каталогах запасные части и детали не предлагаются к продаже, а носят исключительно информационный характер