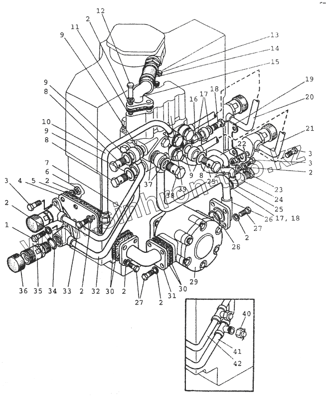
Каталог запасных частей к технике: МТЗ-80 (2002). 4607 Арматура корпуса гидроагрегатов
1
2
2
2
2
2
2
2
2
3
3
3
4
5
6
7
8
8
8
9
9
9
9
10
11
12
13
14
15
16
17
17
18
18
19
20
21
22
23
24
25
25
25
26
27
27
28
29
29
30
30
31
32
33
34
35
36
37
38
39
40
41
42
| Позиция на иллюстрации | Заводской номер детали | Название детали | |
|---|---|---|---|
| 80-4607075Б | 80-4607075Б | Труба | |
| 50-4607096-А | 50-4607096-А | Патрубок | |
| 1 | ГОСТ7796-70 | Болт М8-6gх20.88.35.019 | |
| 2 | OCT37.001.115-75 | Шайба 6Т | |
| 3 | ГОСТ7796-70 | Болт М8-6gх20.88.35.019 | |
| 4 | 80-4608019-01 | Крышка | |
| 5 | 70-4608033-01 | Прокладка | |
| 6 | ГОСТ5915-70 | Гайка М6-6Н.6.019 | |
| 7 | 80X-4607120 | Труба | |
| 8 | 40-4607032 | Болт | |
| 9 | 40-4607038-A-01 | Шайба | |
| 10 | 80-4607165 | Труба | |
| 11 | 40-4607018-01 | Прокладка | |
| 12 | 1ГОСТ7796-70 | Болт M8-6gx110.88.35.019 | |
| 13 | XC-31 | Хомут или хомут «Норма» 25-40 | |
| 14 | 85-4607063 | Шланг | |
| 15 | 85-4607425 | Угольник | |
| 16 | 80-4607142 | Штуцер | |
| 17 | Д18-055A-01 | Кольцо уплотнительное | |
| 18 | Д18-051 | Болт | |
| 19 | 80-4607119 | Кронштейн | |
| 20 | 80-4607110 | Труба | |
| 21 | 80-4607115-Б | Труба | |
| 22 | 80-4607115 | Труба | |
| 23 | 80-4607175 | Труба | |
| 24 | 1221-1802091 | Пробка резьбовая | |
| 25 | 80-4607310-А | Труба | |
| 25 | 80-4607320-Б | Кронштейн | |
| 26 | 80-4607075А | Труба | |
| 27 | ГОСТ7796-70 | Болт М8-6gх20.88.35.019 | |
| 28 | ГОСТ9833-73 | Кольцо 010-015-30-2-3 | |
| 29 | НШ32А-3 | Насос шестеренный | |
| 29 | НШ32М-3 | Насос | |
| 30 | 50-4607097-01 | Прокладка | |
| 31 | 70-4607096-А | Патрубок | |
| 32 | 80Х-4607130 | Труба | |
| 33 | ГОСТ7796-70 | Болт М8-6gх20.88.35.019 | |
| 34 | ГОСТ9833-73 | Кольцо 010-015-30-2-3 | |
| 35 | 3057-4616330-А | Клапан запорного устройства | |
| 36 | 50-4607039-А | Колпак | |
| 37 | 40-4607033-А-01 | Шайба | |
| 38 | 40-4607037 | Болт | |
| 39 | Р80-3/4-222-3Гг | Гидрораспределитель | |
| 40 | Н.036.12.010 | Заглушка | |
| 41 | 80-4607130-Б | Трубопровод | |
| 42 | 80-4607120-Б | Трубопровод |
Содержащиеся в справочниках-каталогах запасные части и детали не предлагаются к продаже, а носят исключительно информационный характер