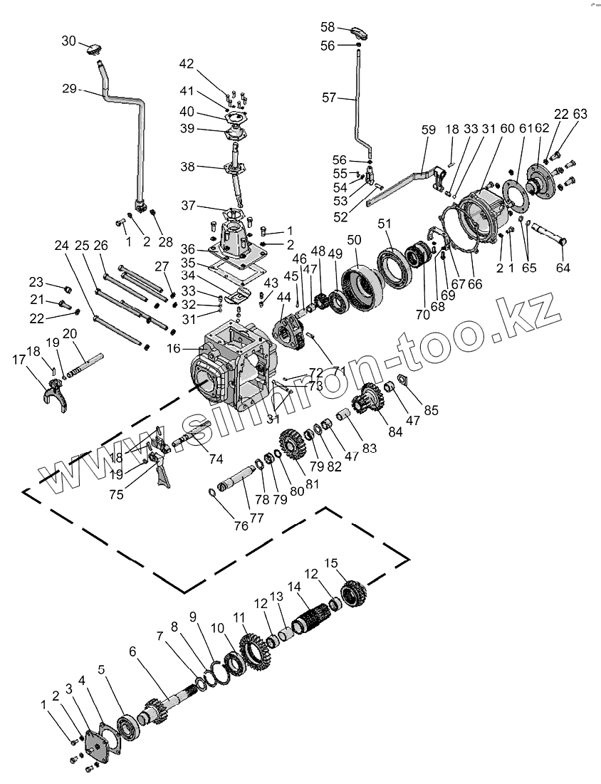
Каталог запасных частей к технике: МТЗ-80.1. Ходоуменьшитель механический
1
1
1
1
2
2
2
2
3
4
5
6
7
8
9
10
11
12
12
13
14
15
16
16
17
18
18
18
19
19
20
21
22
22
23
24
25
26
27
28
29
30
31
31
31
32
33
33
34
35
36
37
38
39
40
41
42
43
44
45
46
47
47
47
48
49
50
51
52
53
54
55
56
56
57
58
59
60
60
61
62
63
64
65
66
67
68
69
70
71
72
73
74
75
76
77
78
79
79
80
81
82
83
84
85
| Позиция на иллюстрации | Заводской номер детали | Название детали | |
|---|---|---|---|
| 102-1742010 | 102-1742010 | Ходоуменьшитель механический | |
| 1 | М10-6gх30.88.35.019 | Болт ГОСТ 7796-70 | |
| 2 | 10.ОТ | Шайба | |
| 3 | 102-1742012 | Крышка | |
| 4 | 102-1742013 | Прокладка | |
| 5 | 308 | Подшипник | |
| 6 | 102-1742037 | Вал-шестерня | |
| 7 | 102-1742014 | Шайба | |
| 8 | 2С55 | Кольцо | |
| 9 | 2С90 | Кольцо | |
| 10 | 111 | Подшипник | |
| 11 | 102-1742040 | Солнечная шестерня | |
| 11 | 102-1742042 | Шестерня | |
| 12 | 942/35 | Подшипник | |
| 13 | 102-1742043 | Втулка | |
| 14 | 102-1742041 | Вал-шестерня | |
| 15 | 102-1742036 | Шестерня | |
| 16 | 102-1742015 | Корпус | |
| 16 | 102-1742015-01 | Корпус | |
| 17 | 102-1745004 | Вилка | |
| 18 | 6х30 | Штифт | |
| 19 | 012-016-25-2-4 | Кольцо | |
| 20 | 102-1745007 | Валик | |
| 21 | М12-6gх35.88.35.019 | Болт | |
| 22 | 12.ОТ | Шайба | |
| 23 | ПККГ3/8 | Пробка | |
| 24 | М12-6gх220.88.35.019 | Болт | |
| 25 | 102-1742039 | Болт | |
| 26 | М12-6gх200.88.35.019 | Болт | |
| 27 | 70-1741036 | Шайба | |
| 28 | 70-1723053 | Шпонка | |
| 29 | 102-1745040 | Рычаг | |
| 30 | 70-1702125 | Рукоятка | |
| 31 | 9,922-60 | Шарик ГОСТ 3722-81 | |
| 32 | 102-1742016 | Бонка | |
| 33 | 50-1702148-А | Пружина фиксатора | |
| 34 | 102-1745001 | Кулиса | |
| 35 | 102-1745008 | Прокладка | |
| 36 | 102-1745011 | Крышка | |
| 36 | 102-1745010 | Крышка | |
| 37 | 102-1745014 | Прокладка | |
| 38 | 102-1745020 | Рычаг | |
| 39 | 102-1745013 | Чехол | |
| 40 | 102-1745012 | Пластина | |
| 41 | 6Т | Шайба | |
| 42 | М6-6gх20.88.35.019 | Болт | |
| 43 | 102-1745009 | Штифт | |
| 44 | 102-1742020 | Водило | |
| 44 | 102-1742021 | Водило | |
| 45 | А.4х30.65Г | Штифт | |
| 46 | 80-1743026 | Ось сателлита | |
| 47 | 3х23,8А3 | Ролик | |
| 48 | 102-1742022 | Сателлит | |
| 49 | 209А | Подшипник | |
| 50 | 102-1742050 | Шестерня коронная | |
| 50 | 102-1742051 | Шестерня коронная | |
| 51 | 120 | Подшипник | |
| 52 | 8х30 | Палец | |
| 53 | А20.213-А | Вилка | |
| 54 | С.8.01.019 | Шайба | |
| 55 | 3,2х18.019 | Шплинт | |
| 56 | М8-6Н.6.019 | Гайка | |
| 57 | 102-1745050 | Тяга | |
| 57 | 102-1745051 | Тяга | |
| 58 | А.13.28.000 | Рукоятка | |
| 59 | 102-1742080 | Рычаг | |
| 60 | 102-1742063 | Крышка | |
| 60 | 102-1742063-01 | Крышка | |
| 61 | 102-1742066 | Прокладка | |
| 62 | 102-1742060 | Крышка | |
| 62 | 102-1742061 | Крышка | |
| 63 | М12-6gх35.88.35.019 | Болт | |
| 64 | 102-1742065 | Валик | |
| 65 | 016-020-25-2-2 | Кольцо | |
| 66 | 102-1742011 | Прокладка | |
| 67 | 102-1742070 | Вилка | |
| 68 | 8Т | Шайба | |
| 69 | М8-6gх20.88.35.019 | Болт | |
| 70 | 102-1742062 | Муфта | |
| 71 | А.8х45.65Г | Штифт | |
| 72 | 102-1742017 | Штифт | |
| 73 | 102-1742001 | Штифт | |
| 74 | 102-1745005 | Валик | |
| 75 | 102-1745002 | Вилка | |
| 76 | 025-030-30-2-2 | Кольцо | |
| 77 | 80-1743031 | Ось | |
| 78 | 102-1742038-01 | Шайба | |
| 79 | 3х15,8А3 | Ролик | |
| 80 | 80-1742039 | Кольцо | |
| 81 | 80-1743037-Б | Шестерня промежуточная | |
| 82 | 102-1742038 | Шайба | |
| 83 | 102-1742029 | Втулка | |
| 84 | 102-1742031 | Шестерня приводная | |
| 85 | 102-1742018 | Шайба |
Содержащиеся в справочниках-каталогах запасные части и детали не предлагаются к продаже, а носят исключительно информационный характер