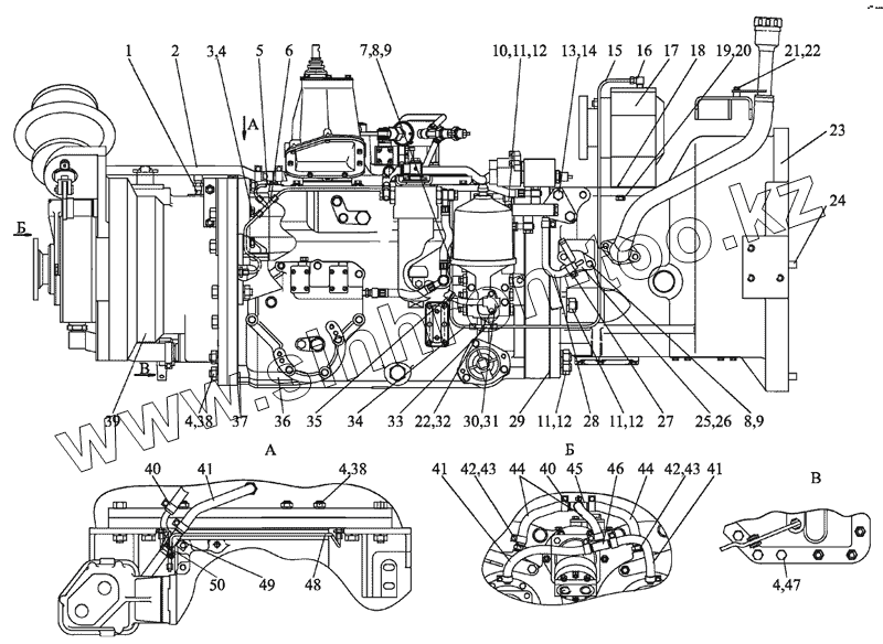
Каталог запасных частей к технике: МТЗ-2103. Блок трансмиссионный
2103-0002000
1
2
3
4
4
4
4
5
6
7
8
8
9
9
10
11
11
11
12
12
12
13
14
15
16
17
18
19
20
21
22
22
23
24
25
26
27
28
29
30
31
32
33
34
35
36
37
38
38
39
40
40
41
41
41
42
42
43
43
44
44
45
46
47
48
49
50
| Позиция на иллюстрации | Заводской номер детали | Название детали | |
|---|---|---|---|
| 2103-0002000 | 2103-0002000 | Блок трансмиссионный | |
| 1 | 1221-2401060 | Штуцер | |
| 2 | 2103-0002001-02 | Рукав | |
| 3 | 1221-2401011 | Болт | |
| 4 | 4598166071 | Шайба 180Т ОСТ 37.00.115-70 | |
| 5 | 70-4802043 | Кляммер | |
| 6 | 1221-2407288-02 | Тройник | |
| 7 | 1522-2407317 | Трубка | |
| 8 | M10-6gx20.88.35.019 | Болт | |
| 9 | 4598166067 | Шайба 10ОТ | |
| 10 | 2025-1701525 | Шпилька | |
| 11 | М20-6Н.6.019 | Гайка | |
| 12 | 4598166072 | Шайба 20ОТ | |
| 13 | M16-6gx32.88.35.019 | Болт | |
| 14 | 459816607 | Шайба 16 ОТ | |
| 15 | 1802-4203050 | Маслопровод | |
| 16 | 86-1802088 | Угольник | |
| 17 | 2103-4203010 | Редуктор | |
| 18 | 1802-4203026 | Прокладка | |
| 19 | M14-6gx40.88.35.019 | Болт | |
| 20 | 4598166069 | Шайба 14 ОТ | |
| 21 | M8-6gx20.88.35.019 | Болт | |
| 22 | 8Т | Шайба | |
| 23 | 2103-1600010 | Корпус сцепления | |
| 24 | 50-1601352 | Штифт | |
| 25 | 2103-1602060 | Крышка | |
| 26 | 85-1702218 | Прокладка | |
| 27 | NORMA TORRO 12-22/971 | Хомут | |
| 28 | 2103-0002002 | Рукав | |
| 29 | 80-1701026 | Прокладка | |
| 30 | 1221-2401005 | Патрубок | |
| 31 | 017-022-30-1-4 | Кольцо | |
| 32 | M8-6gx30.88.35.019 | Болт | |
| 33 | 1221-2407288 | Тройник | |
| 34 | 1802-3600230 | Маслопровод | |
| 35 | 2103-0002001-03 | Рукав | |
| 36 | 2103-1700010 | Коробка передач | |
| 37 | 2022-2401017 | Прокладка | |
| 38 | M18-6Н.6.019 | Гайка | |
| 39 | 2103-3600050 | Механизм поворота | |
| 40 | NORMA TORRO 16-27/971 | Хомут | |
| 41 | 2103-0002001-01 | Рукав | |
| 42 | 2103-3600290 | Штуцер | |
| 43 | МН 3138-62 | Прокладка | |
| 44 | 2103-0002001 | Рукав | |
| 45 | 2103-3600090 | Крестовина | |
| 46 | 364-3500020 | Тройник | |
| 47 | 1802-1701526 | Болт | |
| 48 | 1802-3600220 | Маслопровод | |
| 49 | 2103-3502050 | Тройник | |
| 50 | 1802-3600210 | Маслопровод |
Содержащиеся в справочниках-каталогах запасные части и детали не предлагаются к продаже, а носят исключительно информационный характер