Каталог запасных частей к технике: МТЗ-1222/1523. Кран тормозной
80-3514010-01
80-3514010
А29.351.4010
А29.351.4010-01
14.3514010
1
1
2
3
4
5
6
7
7
8
8
9
10
11
12
13
14
15
16
17
18
19
20
21
22
23
24
24
25
25
26
26
27
28
29
30
31
32
33
34
35
36
37
37
38
39
40
41
42
43
44
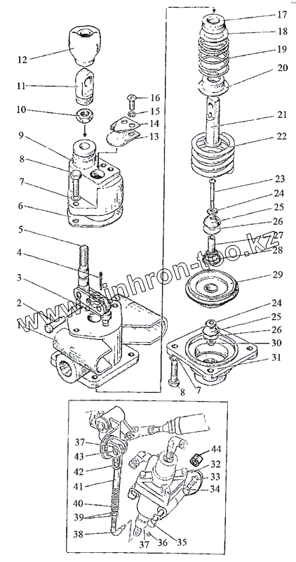
| Позиция на иллюстрации | Заводской номер детали | Название детали | |
|---|---|---|---|
| 80-3514010-01 | 80-3514010-01 | Кран тормозной | |
| 1522М-3514012 | 1522М-3514012 | Плита | |
| 1522M-3514014 | 1522M-3514014 | Болт | |
| 1522M-3514121 | 1522M-3514121 | Тяга | |
| 80-3514010 | 80-3514010 | Кран тормозной | |
| 1522М-3514120 | 1522М-3514120 | Тяга | |
| 1522-3514120 | 1522-3514120 | Тяга | |
| 80-3514020 | 80-3514020 | Диафрагма в сборе | |
| А29.351.4010 | А29.351.4010 | Кран тормозной | |
| А29.351.4010-01 | А29.351.4010-01 | Кран тормозной | |
| 14.3514010 | 14.3514010 | Кран тормозной | |
| 1 | 80-3514061 | Корпус | |
| 1 | 80-3514060 | Корпус со штифтом и манжетой в сборе | |
| 2 | 6x18 | Палец | |
| 3 | 80-3514063 | Штифт | |
| 4 | 2x12 | Шплинт | |
| 5 | 80-3514070 | Тяга | |
| 6 | ШКЯМ188.00.02 | Прокладка | |
| 7 | ШП6 | Шайба | |
| 8 | М6х20 | Винт | |
| 9 | 80-3514084 | Крышка | |
| 10 | М8 | Гайка | |
| 11 | 80-3514017 | Ушко | |
| 12 | 80-3514016 | Чехол | |
| 13 | 80-3514019 | Клапан | |
| 14 | 80-3514018 | Прижим | |
| 15 | ШП5 | Шайба | |
| 16 | ВМ5х12 | Винт | |
| 17 | 80-3514062 | Манжета | |
| 18 | 80-3514087 | Втулка | |
| 19 | 80-3514014 | Пружина | |
| 20 | 80-3514013 | Тарелка пружины | |
| 21 | 80-3514082 | Шток | |
| 22 | 80-3514012 | Пружина | |
| 23 | 80-3514023 | Винт | |
| 24 | 80-3514021 | Шайба | |
| 25 | 80-3514026 | Клапан | |
| 26 | 80-3514027 | Шайба | |
| 27 | 80-3514022 | Трубка | |
| 28 | 80-3514024 | Пружина | |
| 29 | 80-3514040 | Диафрагма | |
| 30 | М4 | Гайка | |
| 31 | 80-3514083 | Крышка | |
| 32 | 1522-3514011 | Кронштейн | |
| 33 | ШП10 | Шайба | |
| 34 | M10x40 | Болт | |
| 35 | M10x70 | Болт | |
| 36 | ШЧ8 | Шайба | |
| 37 | 3,2x18 | Шплинт | |
| 38 | 1522-3514121 | Тяга | |
| 39 | M12x1,25 | Гайка | |
| 40 | ДСШ-14.21.141 | Пружина | |
| 41 | 80-3514132 | Наконечник | |
| 42 | 80-3514133 | Гайка | |
| 43 | 12x32 | Палец | |
| 44 | 1522М-3514013 | Бобышка |
Содержащиеся в справочниках-каталогах запасные части и детали не предлагаются к продаже, а носят исключительно информационный характер