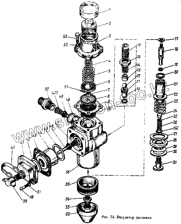
Каталог запасных частей к технике: МТЗ-100. Регулятор давления
1
2
3
4
5
6
7
8
8
9
10
10
11
12
13
14
15
16
17
18
19
20
21
22
23
24
25
26
27
28
29
30
31
32
33
34
35
36
37
38
39
40
41
42
43
44
45
46
47
47
48
49
50
51
52
53
| Позиция на иллюстрации | Заводской номер детали | Название детали | |
|---|---|---|---|
| А29.51.700 | А29.51.700 | Поршень в сборе | |
| А29.51.130 | А29.51.130 | Клапан разгрузочный в сборе | |
| А29.51.000-Б | А29.51.000-Б | Регулятор давления в сборе | |
| 1 | А29.51.025 | Колпак | |
| 2 | А29.51.015 | Крышка | |
| 3 | А29.51.041 | Корпус | |
| 4 | А29.51.018-Б | Пружина | |
| 5 | А29.51.017-А | Пружина | |
| 6 | А29.51.019 | Шайба | |
| 7 | М6 | Гайка | |
| 8 | А29.51.022 | Шайба | |
| 9 | А29.51.042 | Диафрагма | |
| 10 | 010-014-25-1-3 | Кольцо | |
| 11 | А29.51.038 | Седло | |
| 12 | 10-40 | Шарик | |
| 13 | 120-3513057 | Сухарь | |
| 14 | 120-3513060 | Пружина | |
| 15 | 120-3513063 | Гайка | |
| 16 | 120-3513062 | Винт | |
| 17 | А29.51.021 | Шайба | |
| 18 | А29.51.005 | Поршень | |
| 19 | 006-010-25-1-3 | Кольцо | |
| 20 | 016-020-25-1-3 | Кольцо | |
| 21 | А29.51.109 | Поршень | |
| 22 | А29.51.118 | Шайба | |
| 23 | 50-1702137-Б | Пружина | |
| 24 | А29.51.119 | Клапан | |
| 25 | А29.51.120 | Шайба | |
| 26 | А29.51.103-А | Пружина | |
| 27 | А29.51.040 | Прокладка | |
| 28 | А29.51.111 | Седло | |
| 29 | А29.51.116 | Втулка | |
| 30 | А29.51.115 | Шайба | |
| 31 | А29.51.117 | Стержень | |
| 32 | А29.51.032 | Насадка | |
| 33 | М10х30 | Болт | |
| 34 | М10 | Гайка | |
| 35 | А29.51.033 | Крышка | |
| 36 | А29.51.110 | Корпус | |
| 37 | ШП5 | Шайба | |
| 38 | В1М5х18 | Винт | |
| 39 | А29.51.024 | Гайка-барашек | |
| 40 | А29.51.031 | Петля | |
| 41 | А29.51.034 | Крышка | |
| 42 | 024-030-36-1-3 | Кольцо | |
| 43 | А29.51.035 | Прокладка | |
| 44 | А29.51.004-01 | Фильтр | |
| 45 | А29.51.002 | Прокладка | |
| 46 | А29.51.300 | Клапан | |
| 47 | 127-3514238 | Пружина | |
| 48 | А29.51.009 | Прокладка | |
| 49 | А29.51.200 | Клапан | |
| 50 | А29.51.008 | Штуцер | |
| 51 | 1,6х16 | Шплинт | |
| 52 | ШП6 | Шайба | |
| 53 | М6х20 | Винт |
Содержащиеся в справочниках-каталогах запасные части и детали не предлагаются к продаже, а носят исключительно информационный характер