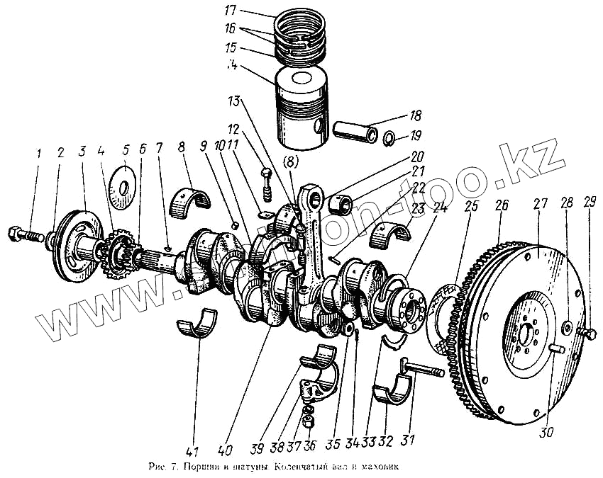
Каталог запасных частей к технике: МТЗ-100. Поршни и шатуны. Коленчатый вал и маховик
1
2
3
4
5
6
7
8
8
9
10
11
12
13
14
15
16
17
18
19
20
21
22
23
24
25
26
27
28
29
30
31
32
33
34
35
36
37
38
39
40
41
| Позиция на иллюстрации | Заводской номер детали | Название детали | |
|---|---|---|---|
| А27.01.00.001 | А27.01.00.001 | Кольцо компрессионное | |
| 50-1005054 | 50-1005054 | Болт | |
| 240-1005131-Б-02 | 240-1005131-Б-02 | Шкив | |
| 240-1004100-А | 240-1004100-А | Шатун в сборе | |
| 245-1004010 | 245-1004010 | Поршень с шатуном в сборе | |
| 240-1004010 | 240-1004010 | Поршень с шатуном в сборе | |
| 240-1004021-А | 240-1004021-А | Поршень | |
| 240-1005122 | 240-1005122 | Палец | |
| 245-1005115 | 245-1005115 | Маховик с венцом в сборе | |
| 240-1005114 | 240-1005114 | Маховик с венцом в сборе | |
| 245-1004060 | 245-1004060 | Комплект поршневых колец | |
| 240-1004060 | 240-1004060 | Комплект поршневых колец | |
| А23.01-74-240Т | А23.01-74-240Т | Вкладыши шатунные | |
| 50-1004140-А | 50-1004140-А | Вкладыши шатунные | |
| А23.01-81-240Т | А23.01-81-240Т | Вкладыши коренные | |
| 245-1005014 | 245-1005014 | Вал коленчатый в сборе | |
| А20.07.000 | А20.07.000 | Болт шатунный с гайкой в сборе | |
| 240-1005020-Б1 | 240-1005020-Б1 | Вал коленчатый | |
| 240-1005014 | 240-1005014 | Вал коленчатый в сборе | |
| 240-1005015-Б | 240-1005015-Б | Вал коленчатый в сборе | |
| 50-1005100-Б3 | 50-1005100-Б3 | Комплект вкладышей коренных | |
| 245-1005015 | 245-1005015 | Вал коленчатый в сборе | |
| 240-1005010 | 240-1005010 | Вал коленчатый с вкладышами в сборе | |
| 245-1005010 | 245-1005010 | Вал коленчатый с вкладышами в сборе | |
| Вкладыш коренной | Вкладыш коренной | Вкладыш коренной | |
| А23.01-8102-А | А23.01-8102-А | Вкладыш коренной | |
| А23.01-8104 | А23.01-8104 | Вкладыш коренной | |
| А23.01-8109-А | А23.01-8109-А | Вкладыш коренной | |
| А23.01-7401-А | А23.01-7401-А | Вкладыш шатунный | |
| 1 | 245-1005054 | Болт | |
| 2 | 50-1005055-А | Шайба | |
| 3 | 240-1005131-В | Шкив | |
| 4 | 240-1005033 | Шестерня | |
| 5 | 50-1005042 | Маслоотражатель | |
| 6 | 240-1005030-А | Шестерня | |
| 7 | 6х9 | Шпонка | |
| 8 | А23.01-8116 | Вкладыш коренной | |
| 9 | 50-1005021-А | Заглушка | |
| 10 | 240-1005017 | Противовес | |
| 11 | 240-1005024 | Пластина стопорная | |
| 12 | 240-1005018 | Болт | |
| 13 | А20.07.002 | Болт | |
| 14 | 245-1004021 | Поршень | |
| 15 | А27.11.70.000 | Кольцо маслосъемное в сборе | |
| 16 | А27.00.02.202 | Кольцо компрессионное | |
| 17 | А27.01.02.129 | Кольцо компрессионное | |
| 18 | 50-1004042-А1 | Палец поршневой | |
| 19 | 240-1004022 | Кольцо стопорное | |
| 20 | 240-1004112-А | Шатун | |
| 21 | 240-1004115 | Втулка | |
| 22 | 50-1005191 | Трубка | |
| 23 | А23.01-8118 | Вкладыш коренной | |
| 24 | А23.01-10401 | Полукольцо | |
| 25 | 50-1005043 | Маслоотражатель | |
| 26 | 50-1005121 | Венец маховика | |
| 27 | 240-1005120 | Маховик | |
| 28 | 48-1002318 | Шайба | |
| 29 | 50-1005127-А | Болт | |
| 30 | 50-1005019 | Штифт | |
| 31 | 245-1005122 | Палец | |
| 32 | А23.01-8119 | Вкладыш коренной | |
| 33 | А23.01-10403 | Полукольцо | |
| 34 | 4х22 | Шплинт | |
| 35 | 50-1005157-В | Заглушка | |
| 36 | А20.03.001 | Гайка | |
| 37 | 245-1004190 | Шайба | |
| 38 | 240-1004125-А | Крышка шатуна | |
| 39 | А23.01-7403 | Вкладыш шатунный | |
| 40 | 240-1005020-Б2 | Вал коленчатый | |
| 41 | А23.01-8117 | Вкладыш коренной |
Содержащиеся в справочниках-каталогах запасные части и детали не предлагаются к продаже, а носят исключительно информационный характер