Вернуться на главную
Поиск
Каталоги запчастей к технике
Сельхозтехника
МТЗ
МТЗ-100
Головка цилиндров
Каталог запасных частей к технике: МТЗ-100. Головка цилиндров
zoom-in
zoom-out
enlarge
shrink
circle-right
circle-left
file-text2
info
cart
Тип техники
Не выбрано
Легковые автомобили
Грузовые автомобили и прицепы
Автобусы
Сельхозтехника
Спецтехника
Двигатели
Мототехника
Марка
Не выбрано
AGCO
Amity
CASE IH
DongFeng
Fortschritt
Foton
Franz Kleine
Gaspardo
Great Plains
KRONE
KUHN
Lemken
Lovol
MacDon
Massey Ferguson
New Holland
TIGARBO
Vaderstad
Versatile
Wirax
Агро
Агротехмаш
Бобруйскагромаш (ОАО «УКХ «Бобруйскагромаш»)
БЭМЗ
ВгТЗ
Воронежсельмаш
ВТЗ
Гомсельмаш
ДКЗ
ЗАО "Техника-сервис"
ЗиД
КЗК
Кировец-Ландтехник
Клевер
Красная Звезда
Лидагропроммаш
Лидсельмаш
ЛТЗ
Машстройхолдинг
Минитракторы
Мордовагромаш
МТЗ
Навигатор-Новое машиностроение
Нефтекамский автозавод
ПТЗ
Ремком
РСМ
Сибсельмаш
ТеКЗ
ТКЗ
ХЗТСШ
ХТЗ
ЮМЗ
Модель
Не выбрано
1025.5 (2013)
1025/1025.2/1025.3 (2009)
1220 (2011)
1220.5 (2013)
1523.5 (2013)
1523.5 с ГМТ (2014)
2122.3/2122.4 (2015)
3022ДЦ.1 (2011)
320.4М (2019)
622 (2012)
800/900 (2003)
80Х (2012)
892 (2011)
922.3 / 922.4 (2013)
922.5 (2013)
923.4 (2014)
923.5 (2013)
92П (2010)
952.5 (2013)
БЕЛАРУС 1025.7 (2022)
БЕЛАРУС 1220.7 (2022)
БЕЛАРУС 1221.7 (2022)
БЕЛАРУС 2103 (2015)
БЕЛАРУС 320 (1998)
БЕЛАРУС 3522.5 (2013)
БЕЛАРУС 3525 (2019)
БЕЛАРУС 421 (2014)
БЕЛАРУС 451 (2023)
БЕЛАРУС 651 (2023)
БЕЛАРУС 923.7 (2022)
БЕЛАРУС 952.7 (2022)
Беларус-08Н (09Н) (2015)
Беларус-422.1 (2018)
КБ-00.000 (САЗ) (2015)
КМ-2 (САЗ) (2015)
МТЗ-082
МТЗ-100
МТЗ-1005 (2008)
МТЗ-1021.3 (2010)
МТЗ-1025.4 (2009)
МТЗ-112Н, 132Н (2010)
МТЗ-1221 (1997)
МТЗ-1221 (2009) (2009)
МТЗ-1221.4 (2009)
МТЗ-1221.4 (2009)
МТЗ-1221.5 (2013)
МТЗ-1222/1523 (2009)
МТЗ-1522 (2008)
МТЗ-1523
МТЗ-1523 (2013)
МТЗ-1523 (2008) (2008)
МТЗ-1523.4 (2010)
МТЗ-1523.6 (2018)
МТЗ-2022 (2010)
МТЗ-2103 (2010)
МТЗ-2522 (2010)
МТЗ-310, 320, 321 (2011)
МТЗ-3522 (2011)
МТЗ-510/512, 520/522 (2010)
МТЗ-570 (2010)
МТЗ-80 (1998)
МТЗ-80 (2002) (2002)
МТЗ-80 (2009) (2009)
МТЗ-80.1 (2015)
МТЗ-821/921 (2009)
МТЗ-822 (2008)
МТЗ-826 (2010)
МТЗ-90/92 (2008)
МТЗ-900
МТЗ-900/920/950/952 (2009)
МТЗ-920.4/952.4 (2009)
МТЗ-922 (2008)
МТЗ-923 (2008)
ФР-00.010 (САЗ) (2015)
ФР-00700-Б (САЗ) (2015)
Схема
>
Не выбрано
Кабина трактора
Кабина трактора
Электрический стеклоочиститель
Ручной стеклоочиститель
Стеклоомыватель
Двери кабины
Сиденье водителя
Сиденье дополнительное
Отопитель
Арматура отопителя
Электрофакельный подогреватель
Внутреннее зеркало
Наружное зеркало
Козырек притивосолнечиый
Облицовка
Передние крылья
Подножка
Подвеска и блок цилиндров
Головка цилиндров. Клапаны и толкатели клапанов
Головка цилиндров
Поршни и шатуны. Коленчатый вал и маховик
Распределительный механизм
Газопровод дизеля Д-245
Газопровод дизеля Д-240
Установка привода гидронасоса
Баки топливные
Топливные трубопроводы и установка топливной аппаратуры
Насос топливный высокого давления
Регулятор частоты вращения
Корректор по наддуву 4УТНМ-Т-110500-01
Подкачивающий насос УТН-3-1106010-А4
Форсунка
Фильтр топливный тонкой очистки
Фильтр топливный грубой очистки
Управление подачей топлива
Воздушный фильтр
Моноциклон
Аварийный останов дизеля
Турбокомпрессор ТКР-7Н-6
Глушитель
Радиатор водяной
Термостат системы охлаждения
Водяной насос и вентилятор
Шторка
Масляный картер
Масляный насос
Центробежный масляный фильтр
Радиатор масляный
Сцепление
Корпус сцепления
Корпус сцепления
Управление сцеплением
Коробка передач (вариант 1)
Коробка передач (вариант 1)
Коробка передач (вариант 1)
Коробка передач (вариант 1)
Коробка передач (вариант 1)
Механизм переключения передач (вариант 1)
Управление коробкой передач (вариант 1)
Узел передач коробки передач (вариант 2)
Механизм управления коробкой передач (вариант 2)
Привод насосов
Насос шестеренный
Распределитель коробки передач (вариант 1)
Коробка клапанная коробки передач (вариант 2)
Фильтр
Фильтр-распределитель
Гидроходоуменьшитель
Гидроходоуменьшитель
Привод переднего ведущего моста
Кран переднего ведущего моста
Управление передним ведущим мостом
Привод карданный
Передний ведущий мост
Главная передача переднего ведущего моста
Редуктор конечной передачи переднего ведущего моста
Корпус заднего моста
Механизм блокировки дифференциала
Полурама
Буксирное устройство
Гидрофицированный прицепной крюк
Передняя ось и рулевые тяги
Колеса передние направляющие
Колеса передние ведущие
Колеса задние
Привод рулевого механизма
Механизм поворота
Гидроаккумулятор
Трубопроводы и арматура рулевого управления
Насос-дозатор НД-80К
Насос шестеренный
Тормоза и управление тормозами
Стояночно-запасной тормоз и управление стояночно-запасным тормозом
Переходник пневматический
Трубопроводы и арматура пневмопривода тормозов прицепа
Регулятор давления
Баллон
Кран тормозной
Головка соединительная
Компрессор и установка компрессора
Схема электрооборудования
Генератор 468.3701
Аккумуляторная батарея
Стартер 20.3708 (Для Д-245)
Стартер (Для Д-240)
Передняя фара
Задняя фара
Фонари тракторные передние
Плафон освещения кабины
Фонари задние
Фонарь освещения номерного знака
Световозвращатели
Щиток приборов
Совмещенное прицепное устройство
Вал отбора мощности
Приводной шкив
Управление задним ВОМ
Балласт
Привод насоса
Механизм задней навески
Гидроагрегаты и арматура
Гидроагрегаты и арматура
Управление гидрораспределителем
Бак масляный и фильтр
Гидроаккумулятор
Кран
Цилиндр
Распределитель
Насос шестеренный
Регулятор
Привод регулятора
Муфта быстросоединяемая
Смеситель
Механизм фиксации
Арматура и трубопроводы гидросистемы отбора мощности
Управление сумматором
Сумматор
Привод насосов гидравлической системы отбора мощности
Радиатор и арматура гидравлической системы отбора мощности
Управление
Распределитель
Инструмент тракториста
Аптечка
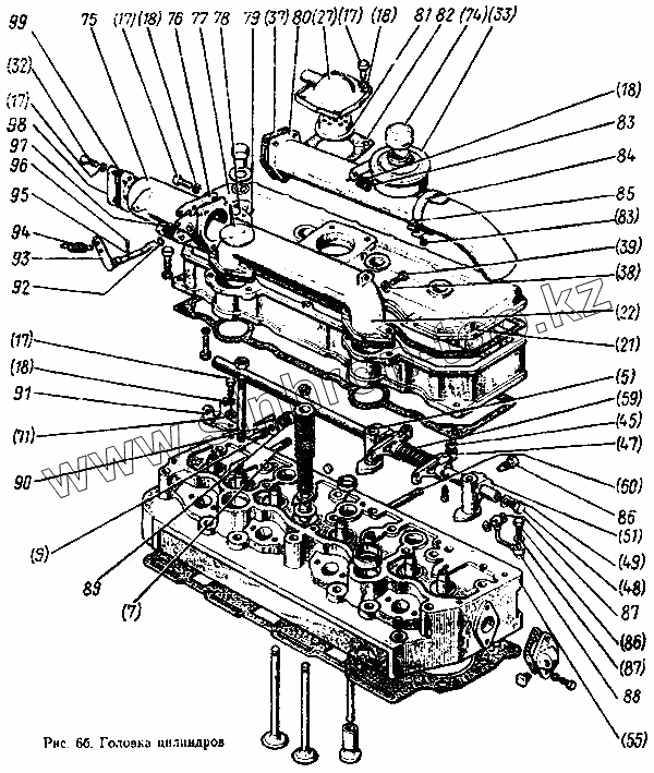
75
76
77
78
79
80
81
82
83
83
84
85
86
86
87
87
88
89
90
91
92
93
94
95
96
97
98
99
Позиция на иллюстрации
Заводской номер детали
Название детали
75
240-1003222-Б-01
Патрубок
76
70-4803021
Кронштейн
77
240-1003221
Заслонка
78
240-1003229-01
Заглушка
79
240-3509157
Прокладка
80
240-1003260
Труба
81
240-1002440
Фильтр
82
240-1002444-А
Прокладка
83
М8
Гайка
84
ХС-61.019
Хомут
85
М8х30
Болт
86
240-1007202
Штуцер
87
240-1007209
Прокладка
88
240-1007200-А
Трубка
89
ШП12
Шайба
90
70-3407164
Кронштейн
91
70-1302042-Б
Кронштейн
92
009-013-25-2-1
Кольцо
93
240-1003240-А
Валик заслонки
94
240-1003226
Пружина
95
ШП4
Шайба
96
М4-6gх10
Винт
97
240-1003227
Штифт
98
240-1003034
Крышка
99
240-3507115-А
Прокладка
Содержащиеся в справочниках-каталогах запасные части и детали не предлагаются к продаже, а носят исключительно информационный характер
Дополнительная информация
×
Название:
Номер:
Примечание: