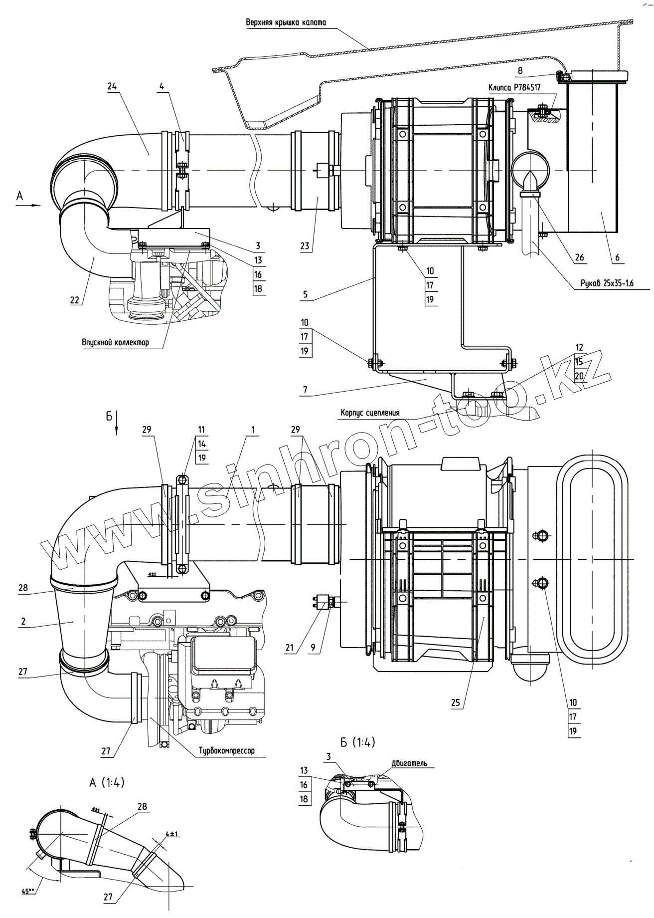
Каталог запасных частей к технике: МТЗ БЕЛАРУС 3522.5. Установка воздухоочистителя
1
2
3
3
4
5
6
7
8
9
10
10
10
11
12
13
13
14
15
16
16
17
17
17
18
18
19
19
19
19
20
21
22
23
24
24
25
26
26
27
27
27
27
27
27
27
27
28
28
28
28
29
29
| Позиция на иллюстрации | Заводской номер детали | Название детали | |
|---|---|---|---|
| 3522.5-1109125-Б | 3522.5-1109125-Б | Установка воздухоочистителя | |
| 1 | 3522.5-1109010-Б | Воздуховод | |
| 2 | 3522.5-1109020-Б | Воздуховод | |
| 3 | 3522.5-1109035-Б | Кронштейн | |
| 4 | 3522.5-1109040-Б | Кронштейн | |
| 5 | 3522.5-1109110 | Кронштейн | |
| 6 | 3522.5-1109115 | Кронштейн | |
| 7 | 3522-1109020-В | Воздухозаборник | |
| 8 | А37.08.045-12 | Уплотнитель | |
| 9 | 80-1701549 | Штуцер | |
| 10 | Болт М8-6дх25.88.35.019 | Болт | |
| 11 | Болт М8-6дх30.88.35.019 | Болт | |
| 12 | Болт М12-6дх25.88.35.019 | Болт | |
| 13 | Болт М6-6дх20.58.35.019 | Болт | |
| 14 | Гайка М8-6Н.6.019 | Гайка М8-6Н.6.019 | |
| 15 | Шайба С 12.01.019 | Шайба | |
| 16 | Шайба С 6.01.019 | Шайба | |
| 17 | Шайба С.8.01.019 | Шайба | |
| 18 | Шайба 6 Т | Шайба | |
| 19 | Шайба 8Т | Шайба 8Т | |
| 20 | Шайба 12 | Шайба | |
| 21 | X770062 | Датчик засорённости воздуха | |
| 22 | Патрубок силиконовый угловой | Патрубок силиконовый угловой | |
| 23 | Патрубок силиконовый | Патрубок силиконовый | |
| 24 | Р143895 | Рукав-деталь | |
| 24 | EPDM-17223 | Рукав-деталь | |
| 25 | D120116 | Фильтр воздушный D120116 | |
| 26 | Хомут | Хомут | |
| 26 | Хомут | Хомут | |
| 27 | Хомут | Хомут | |
| 27 | Хомут | Хомут | |
| 28 | Хомут | Хомут | |
| 28 | Хомут | Хомут | |
| 29 | Хомут | Хомут |
Содержащиеся в справочниках-каталогах запасные части и детали не предлагаются к продаже, а носят исключительно информационный характер