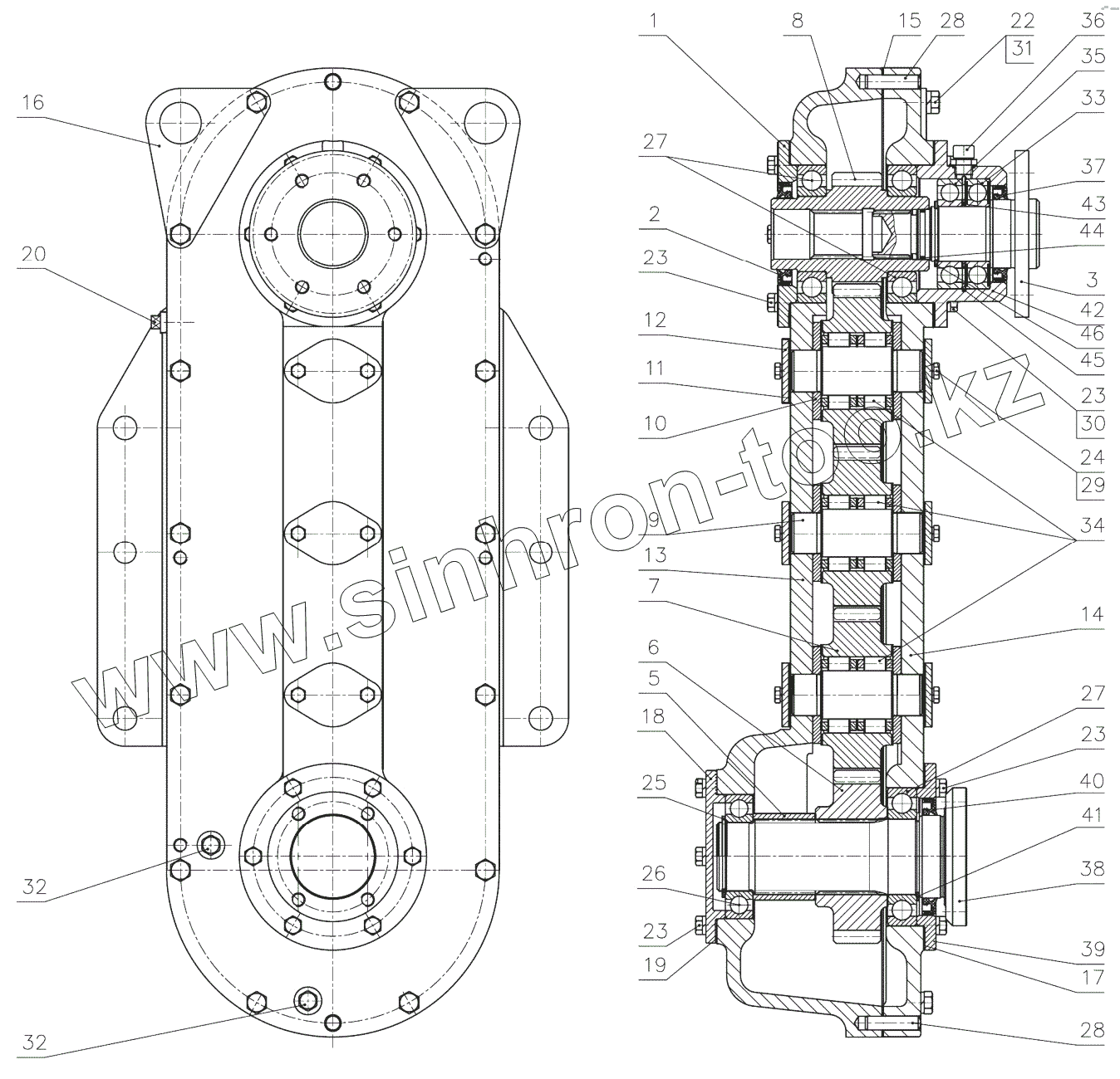
Каталог запасных частей к технике: МТЗ БЕЛАРУС 3522.5. Передний ВОМ
1
2
3
5
6
7
8
9
10
11
12
13
14
15
16
17
18
19
20
22
23
23
23
23
24
25
26
27
27
28
28
29
30
31
32
32
33
34
35
36
37
38
39
40
41
42
43
44
45
46
| Позиция на иллюстрации | Заводской номер детали | Название детали | |
|---|---|---|---|
| 3520-4209010 | 3520-4209010 | Редуктор | |
| 1 | 3520-4209009 | Крышка | |
| 2 | Манжета 2.2-52x75-1 | Манжета | |
| 3 | 3520-4209007 | Вал | |
| 5 | 3520-4209001 | Втулка | |
| 6 | 3520-4209002 | Шестерня | |
| 7 | 3520-4209003 | Шестерня | |
| 8 | 3520-4209004 | Вал | |
| 9 | 3520-4209006 | Вал | |
| 10 | 3520-4209011 | Шайба | |
| 11 | 3520-4209012 | Прокладка | |
| 12 | 3520-4209013 | Крышка | |
| 13 | 3520-4209014 | Корпус | |
| 14 | 3520-4209016 | Крышка | |
| 15 | 3520-4209017 | Прокладка | |
| 16 | 3520-4209018 | Ухо | |
| 17 | 2522-4209033 | Прокладка | |
| 18 | 2822-4209038 | Крышка | |
| 19 | 2822-4209039 | Прокладка | |
| 20 | ПК КГ 3/8" | Пробка | |
| 22 | Болт М10-6дх45.88.35.019 | Болт | |
| 23 | Болт М8-6дх20.88.35.019 | Болт | |
| 24 | Болт М6-6дх14.88.35.019 | Болт | |
| 25 | Кольцо 2С50 | Кольцо | |
| 26 | 210 АУШ1 | Подшипник | |
| 27 | 211 АУШ1 | Подшипник | |
| 28 | Штифт 10х40 | Штифт | |
| 29 | Шайба 6Т | Шайба 6Т | |
| 30 | Шайба 8Т | Шайба 8Т | |
| 31 | Шайба 10 | Шайба 10 | |
| 32 | Пробка | Пробка | |
| 33 | 208А | Подшипник | |
| 34 | 822707Д | Подшипник | |
| 35 | 180208 | Подшипник | |
| 36 | MINTOR TSS0G-1/8" | Сапун | |
| 37 | Манжета 2.2-52х75-1 | Манжета | |
| 38 | 2522-4209037 | Вал | |
| 39 | 2522-4209038 | Крышка | |
| 40 | Манжета 2.2-60х85-1 | Манжета | |
| 41 | Кольцо 2С55 | Кольцо | |
| 42 | 3520-4209008 | Крышка | |
| 43 | 1525-2302106 | Шайба | |
| 44 | Кольцо 032-036-25-2-4 | Кольцо | |
| 45 | Кольцо 2С80 | Кольцо | |
| 46 | Кольцо С40 | Кольцо |
Содержащиеся в справочниках-каталогах запасные части и детали не предлагаются к продаже, а носят исключительно информационный характер