Вернуться на главную
Поиск
Каталоги запчастей к технике
Сельхозтехника
МТЗ
БЕЛАРУС 2103
Компрессор кондиционера с приводом. Рычаг натяжной
Каталог запасных частей к технике: МТЗ БЕЛАРУС 2103. Компрессор кондиционера с приводом. Рычаг натяжной
zoom-in
zoom-out
enlarge
shrink
circle-right
circle-left
file-text2
info
cart
Тип техники
Не выбрано
Легковые автомобили
Грузовые автомобили и прицепы
Автобусы
Сельхозтехника
Спецтехника
Двигатели
Мототехника
Марка
Не выбрано
AGCO
Amity
CASE IH
DongFeng
Fortschritt
Foton
Franz Kleine
Gaspardo
Great Plains
KRONE
KUHN
Lemken
Lovol
MacDon
Massey Ferguson
New Holland
TIGARBO
Vaderstad
Versatile
Wirax
Агро
Агротехмаш
Бобруйскагромаш (ОАО «УКХ «Бобруйскагромаш»)
БЭМЗ
ВгТЗ
Воронежсельмаш
ВТЗ
Гомсельмаш
ДКЗ
ЗАО "Техника-сервис"
ЗиД
КЗК
Кировец-Ландтехник
Клевер
Красная Звезда
Лидагропроммаш
Лидсельмаш
ЛТЗ
Машстройхолдинг
Минитракторы
Мордовагромаш
МТЗ
Навигатор-Новое машиностроение
Нефтекамский автозавод
ПТЗ
Ремком
РСМ
Сибсельмаш
ТеКЗ
ТКЗ
ХЗТСШ
ХТЗ
ЮМЗ
Модель
Не выбрано
1025.5 (2013)
1025/1025.2/1025.3 (2009)
1220 (2011)
1220.5 (2013)
1523.5 (2013)
1523.5 с ГМТ (2014)
2122.3/2122.4 (2015)
3022ДЦ.1 (2011)
320.4М (2019)
622 (2012)
800/900 (2003)
80Х (2012)
892 (2011)
922.3 / 922.4 (2013)
922.5 (2013)
923.4 (2014)
923.5 (2013)
92П (2010)
952.5 (2013)
БЕЛАРУС 1025.7 (2022)
БЕЛАРУС 1220.7 (2022)
БЕЛАРУС 1221.7 (2022)
БЕЛАРУС 2103 (2015)
БЕЛАРУС 320 (1998)
БЕЛАРУС 3522.5 (2013)
БЕЛАРУС 3525 (2019)
БЕЛАРУС 421 (2014)
БЕЛАРУС 451 (2023)
БЕЛАРУС 651 (2023)
БЕЛАРУС 923.7 (2022)
БЕЛАРУС 952.7 (2022)
Беларус-08Н (09Н) (2015)
Беларус-422.1 (2018)
КБ-00.000 (САЗ) (2015)
КМ-2 (САЗ) (2015)
МТЗ-082
МТЗ-100
МТЗ-1005 (2008)
МТЗ-1021.3 (2010)
МТЗ-1025.4 (2009)
МТЗ-112Н, 132Н (2010)
МТЗ-1221 (1997)
МТЗ-1221 (2009) (2009)
МТЗ-1221.4 (2009)
МТЗ-1221.4 (2009)
МТЗ-1221.5 (2013)
МТЗ-1222/1523 (2009)
МТЗ-1522 (2008)
МТЗ-1523
МТЗ-1523 (2013)
МТЗ-1523 (2008) (2008)
МТЗ-1523.4 (2010)
МТЗ-1523.6 (2018)
МТЗ-2022 (2010)
МТЗ-2103 (2010)
МТЗ-2522 (2010)
МТЗ-310, 320, 321 (2011)
МТЗ-3522 (2011)
МТЗ-510/512, 520/522 (2010)
МТЗ-570 (2010)
МТЗ-80 (1998)
МТЗ-80 (2002) (2002)
МТЗ-80 (2009) (2009)
МТЗ-80.1 (2015)
МТЗ-821/921 (2009)
МТЗ-822 (2008)
МТЗ-826 (2010)
МТЗ-90/92 (2008)
МТЗ-900
МТЗ-900/920/950/952 (2009)
МТЗ-920.4/952.4 (2009)
МТЗ-922 (2008)
МТЗ-923 (2008)
ФР-00.010 (САЗ) (2015)
ФР-00700-Б (САЗ) (2015)
Схема
>
Не выбрано
Трактор гусеничный
Трактор гусеничный
Блок трансмиссионный
Установка силовая. Кран. Топливопровод. Топливопровод сливной
Агрегат силовой. Установка стартера. Муфта сцепления. Опора. Диск. Рычаг
Полурама
Система подогрева. Бачок топливный. Кран
Система топливная. Бак топливный правый. Клапан сливной. Топливопровод
Управление подачей топлива. Кронштейн. Серьга
Система очистки воздуха
Система выпуска
Блок охлаждения. Устройство сливное. Штуцер сливной
Ограждение вентилятора
Охлаждение наддувочного воздуха
Корпус сцепления
Отводка. Подшипник
Горловина заливная
Управление сцеплением. Бачок. Крышка. Педаль. Угольник. Рукав гибкий. Маслопровод
Гидроусилитель. Толкатель
Коробка передач
Коробка передач
Коробка передач
Коробка передач. Распределитель
Узел передач. Вал промежуточный
Клапан защитный
Фрикцион. Поршень
Установка рычага КП. Механизм управления. Сапун. Маслопровод. Цилиндр
Привод насоса. Клапан
Фильтр. Труба
Фильтр-распределитель. Ротор с осью. Ось ротора. Стакан ротора. Сетка фильтрующая
Гидросистема ГСП
Гидросистема ГСП
Клапан перепускной
Радиатор масляный ГСП
Передача карданная трансмиссии
Мост задний. Передача конечная
Мост задний. Насос шестеренный. Крышка. Опора. Шестерня ведомая
Мост задний. Насос шестеренный. Крышка. Опора. Шестерня ведомая
Мост задний. Насос шестеренный. Крышка. Опора. Шестерня ведомая
Вал-шестерня
Коробка клапанная с фильтром. Клапан
Горловина заправочная
Передача конечная. Крышка. Шестерня ведомая
Передача конечная. Крышка. Шестерня ведомая
Рама
Балласт
Движитель гусеничный. Гусеница. Колесо секторное
Движитель гусеничный
Каретка
Каретка однобалансирная
Гидроамортизатор
Каток поддерживающий
Механизм натяжения гусеницы. Амортизатор. Кожух
Механизм натяжения гусеницы. Амортизатор
Колесо направляющее
Привод поворота рулевой. Колонка рулевая. Тяга
Колонка рулевая. Кардан. Вал. Колесо рулевое
Редуктор рулевой с нульустановителем
Система управления тормозами
Система управления тормозами
Тормоз
Баллон
Механизм поворота
Механизм поворота
Водило
Полумуфта
Механизм отключения гидромотора
Электрооборудование двигателя
Электрооборудование трансмиссии
Электрооборудование кабины. Установка фонарей задних
Установка стеклоомывателя, переднего и заднего стеклоочистителя, фар рабочих
Установка фонарей передних и фар дорожных
Установка батарей аккумуляторных
Электрооборудование отопителя
Электрооборудование кондиционера
Электрооборудование системы подогрева
Установка щитка приборов
Щиток приборов
Щиток приборов
Щиток приборов
Установка инструментального ящика
Таблички фирменные и инструкционные
Таблички фирменные и инструкционные
Аптечка
Вал отбора мощности. Вал ведущий. Фрикцион. Кожух. Втулка. Крышка
Редуктор. Вал-шестерня
Распределитель
Управление распределителем заднего ВОМ. Переключатель. Распределитель. Кран
Гидросистема
Гидросистема
Гидросистема
Гидрозамок
Клапан предохранительный
Клапан предохранительный
Устройство навесное. Винт. Тяга верхняя. Тяга правая. Тяга левая. Раскос. Устройство тягово-сцепное. Тяга
Крюк с амортизатором
Пробка. Клапан
Бак
Привод насоса. Вал
Фильтр
Установка кабины
Кабина. Установка пульта. Пульт. Установка панели
Облицовка
Установка верхнего пояса. Панель. Козырек
Крыша. Установка фильтра. Панель
Крыша
Дверь левая. Стекло. Запорное устройство
Дверь правая. Стекло. Запорное устройство
Стекло заднее. Установка панели
Стекло боковое левое. Фиксатор левый
Установка сиденья
Сиденье оператора
Система кондиционирования. Кондиционер. Конденсатор кондиционера
Система кондиционирования. Кондиционер. Конденсатор кондиционера
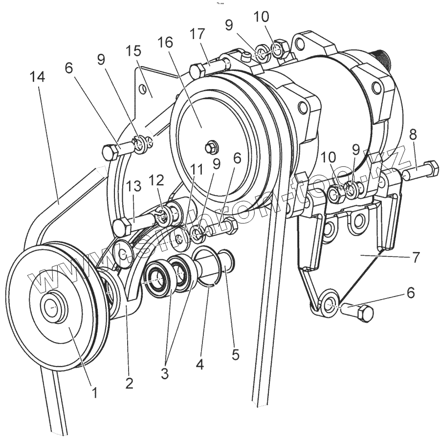
Компрессор кондиционера с приводом. Рычаг натяжной
Система отопления и вентиляции. Отопитель-вентилятор
Зеркало
Облицовка. Капот
Облицовка. Капот
Крылья
Установка крыльев и упоров
Крыло левое
Крыло правое
Установка подножек
Управление навесным устройством
Управление переключением передач и редуктором. Панель
1
2
3
4
5
6
6
6
7
8
9
9
9
9
10
10
11
12
13
14
15
16
17
Позиция на иллюстрации
Заводской номер детали
Название детали
2103-8114020
2103-8114020
Рычаг натяжной
2103-8114010
2103-8114010
Установка компрессора
1
2103-8114021
Шкив
2
1221-8114071
Рычаг натяжной
3
180203 К1С17
Подшипник
4
С40
Кольцо
5
2103-8114022
Ось
6
Болт М10-6gх25.88.35.019
Болт М10-6gх25.88.35.019
7
1221-8114022
Кронштейн
8
364-8114013
Болт специальный
9
4598166067
Шайба 10ОТ
10
Гайка М10-6Н.6.019
Гайка М10-6Н.6.019
11
50-1002073
Шайба
12
4598166068
Шайба 12ОТ
13
Болт М12-6gх35.88.35.019
Болт М12-6gх35.88.35.019
14
SPA/S-1650
Ремень
15
364-8114011
Пластина
16
015200
Компрессор
17
Болт М10-6gх30.88.35.019
Болт
Содержащиеся в справочниках-каталогах запасные части и детали не предлагаются к продаже, а носят исключительно информационный характер
Дополнительная информация
×
Название:
Номер:
Примечание: