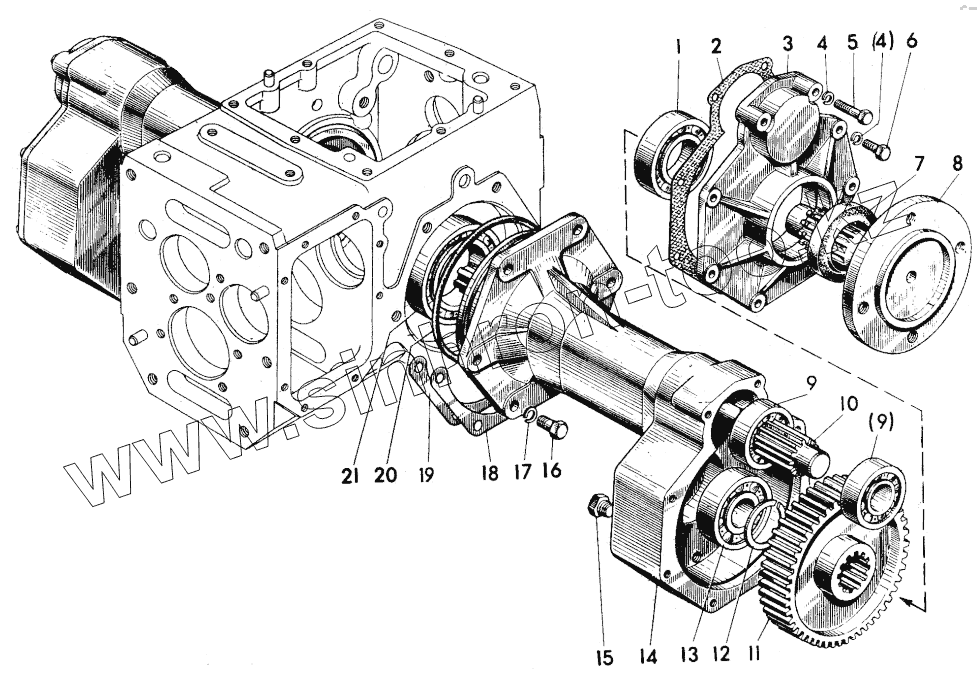
Каталог запасных частей к технике: МТЗ Беларус-08Н (09Н). 05-2407. Передача конечная
1
2
3
4
4
5
6
7
8
9
9
10
11
12
13
14
15
16
17
18
19
20
21
| Позиция на иллюстрации | Заводской номер детали | Название детали | |
|---|---|---|---|
| 05-2407010 | 05-2407010 | Конечная передача | |
| 1 | 206 | Подшипник ГОСТ 8338-75 | |
| 2 | 05-2407056 | Прокладка | |
| 3 | 05-2407020 | Крышка | |
| 3 | 05-2407028 | Крышка | |
| 4 | Шайба8Т | Шайба 8Т | |
| 5 | БолтМ8-6gх35.88.35.019 | Болт | |
| 6 | БолтМ8-6gх25.88.35.019 | Болт | |
| 7 | Манжета2-38х58-1 | Манжета | |
| 8 | 05-2407054 | Фланец | |
| 9 | 204 | Подшипник | |
| 10 | 05-2407152 | Вал | |
| 11 | 05-2407053 | Колесо зубчатое | |
| 12 | 2Б30 | Кольцо ГОСТ 13940-86 | |
| 13 | 304 | Подшипник | |
| 14 | 05-2407118 | Рукав | |
| 15 | ПробкаКГ1/8dm | Пробка КГ 1/8dm | |
| 16 | БолтМ10-6gх30.88.35.019 | Болт | |
| 17 | Шайба10Т | Шайба 10Т | |
| 18 | 05-2407058 | Прокладка | |
| 19 | 05-2407058-01 | Прокладка | |
| 20 | 50-1601322 | Кольцо уплотнительное | |
| 21 | 110 | Подшипник ГОСТ 8338-75 |
Содержащиеся в справочниках-каталогах запасные части и детали не предлагаются к продаже, а носят исключительно информационный характер