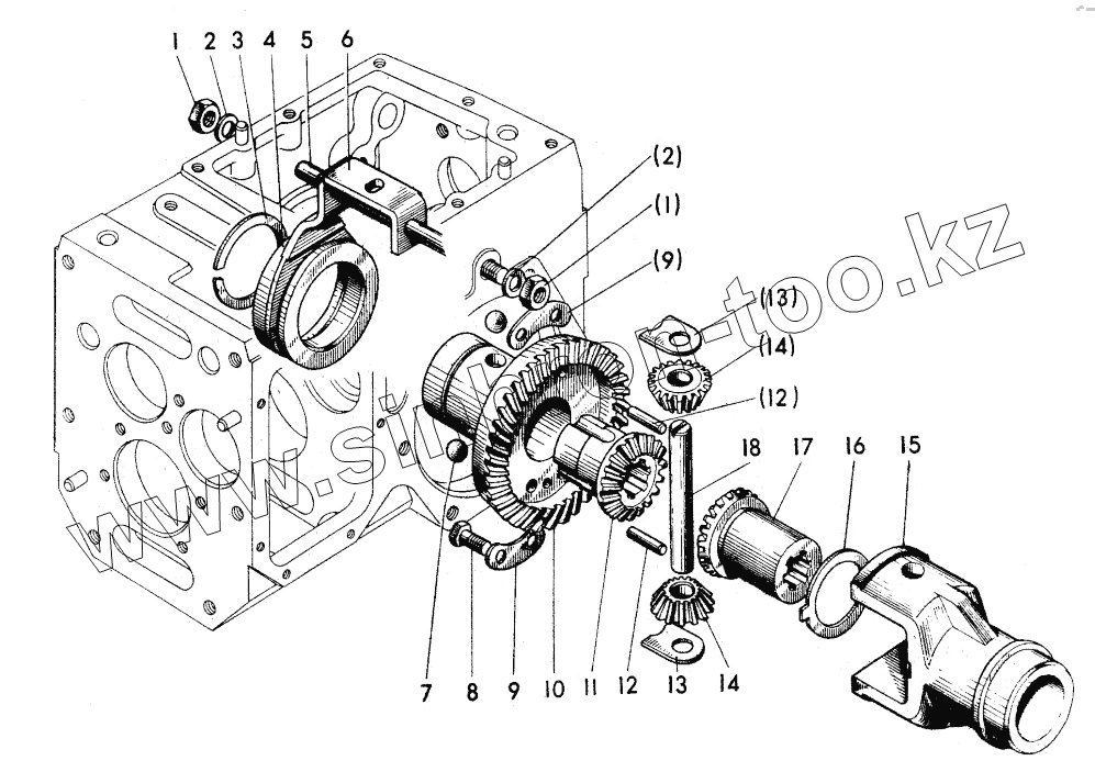
Каталог запасных частей к технике: МТЗ Беларус-08Н (09Н). 05-2403. Дифференциал
1
1
2
2
3
4
5
6
7
8
9
9
10
11
12
12
13
13
14
14
15
16
17
18
| Позиция на иллюстрации | Заводской номер детали | Название детали | |
|---|---|---|---|
| 05-2403110 | 05-2403110 | Дифференциал | |
| 1 | 52-2203013 | Гайка | |
| 2 | 36-1104788 | Прокладка | |
| 3 | Кольцо2В50 | Кольцо | |
| 4 | 05-2409014 | Поводок | |
| 5 | 05-2409012 | Шпилька | |
| 6 | 05-2409015 | Вилка | |
| 7 | Шарик11,112-100 | Шарик | |
| 8 | БолтМ8-6gх20.88.35.019 | Болт | |
| 9 | 05-2403124 | Пластина стопорная | |
| 10 | 05-2403117 | Колесо зубчатое | |
| 11 | 05-2403123-01 | Шестерня полуоси | |
| 12 | 5Пр22ах25 | Штифт | |
| 13 | 05-2403121 | Шайба сателлита | |
| 14 | 05-2403118 | Сателлит | |
| 15 | 05-2403116 | Корпус дифференциала | |
| 16 | 05-2403122 | Шайба | |
| 17 | 05-2403123 | Шестерня полуоси | |
| 18 | 05-2403119 | Ось сателлитов |
Содержащиеся в справочниках-каталогах запасные части и детали не предлагаются к продаже, а носят исключительно информационный характер