Каталог запасных частей к технике: МТЗ 1220. Задний мост. Дифференциал. Конечные передачи
2
2
2
2
2
3
3
3
3
3
4
4
4
5
6
7
8
9
10
11
12
13
13
14
14
14
15
16
17
17
18
19
19
20
20
20
21
21
21
21
22
23
23
24
24
25
26
27
28
29
30
30
31
32
32
33
34
35
36
37
38
39
40
41
42
43
44
45
45
45
46
46
46
47
48
49
50
51
52
52
53
54
55
56
57
58
58
59
60
61
62
63
63
64
65
66
67
67
68
69
70
71
72
73
74
74
75
75
75
76
77
77
79
80
80
81
82
83
84
85
86
87
88
89
89
90
90
91
92
93
94
96
102
104
106
107
108
109
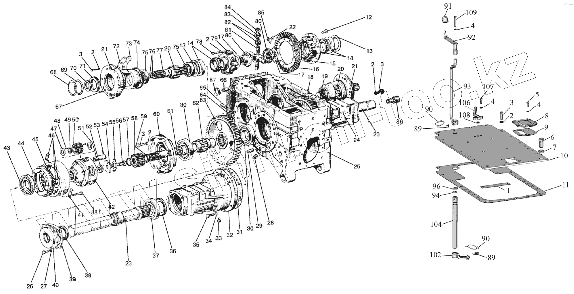
| Позиция на иллюстрации | Заводской номер детали | Название детали | |
|---|---|---|---|
| 1221-2401010-05 | 1221-2401010-05 | Задний мост | |
| 1221М-2401010-05 | 1221М-2401010-05 | Задний мост | |
| 1221-2401010-07 | 1221-2401010-07 | Задний мост | |
| 1221М-2401010-07 | 1221М-2401010-07 | Задний мост | |
| 1221-2401015-05 | 1221-2401015-05 | Корпус заднего моста | |
| 1522-2403010-А | 1522-2403010-А | Дифференциал | |
| 1522-2403015-02 | 1522-2403015-02 | Корпус дифференциала | |
| 1221-2407060-02 | 1221-2407060-02 | Стакан правый | |
| 1221М-2407060 | 1221М-2407060 | Стакан левый | |
| 1521-2407060 | 1521-2407060 | Стакан правый | |
| 1523М-2407060-02 | 1523М-2407060-02 | Стакан левый | |
| 1221-2407060-03 | 1221-2407060-03 | Стакан правый | |
| 1221М-2401060-01 | 1221М-2401060-01 | Стакан правый | |
| 1521-2407060-01 | 1521-2407060-01 | Стакан правый | |
| 1523М-2407060-03 | 1523М-2407060-03 | Стакан правый | |
| 1221-2407540 | 1221-2407540 | Шестерня ведущая | |
| 1221-2407500 | 1221-2407500 | Конечная передача левая | |
| 1221-2407500-02 | 1221-2407500-02 | Конечная передача левая | |
| 1221-2407500-01 | 1221-2407500-01 | Конечная передача правая | |
| 1221-2407500-03 | 1221-2407500-03 | Конечная передача правая | |
| 1221-2407535-А1 | 1221-2407535-А1 | Водило | |
| 1221-2407030 | 1221-2407030 | Крышка | |
| 1221-2407130 | 1221-2407130 | Стакан с подшипником в сборе | |
| 1 | 1221-2401028 | Прокладка | |
| 2 | Шайба12.ОТ | Шайба | |
| 3 | М12-6gx35.88.35.019 | Болт | |
| 3 | 80М-2407041 | Болт | |
| 4 | ШайбаШайба8Т | Шайба | |
| 5 | М8-6gx25.88.35.019 | Болт | |
| 6 | 600-2401026 | Болт | |
| 7 | ШайбаШайба20.ОТ | Шайба | |
| 8 | 1221-2401026 | Крышка | |
| 9 | 50-2401027-А | Прокладка | |
| 10 | 1221-2401024 | Крышка | |
| 11 | 1221.1-2401025 | Прокладка | |
| 12 | 50-1702092 | Болт призонный М12х42 | |
| 13 | 1221-2407043 | Кольцо | |
| 14 | 7216А | Подшипник | |
| 14 | SNR30216А | Подшипник | |
| 15 | 1522-2403018-02 | Корпус | |
| 16 | 50-2403021-Б | Шестерня ведомая главной передачи (в запасные части поставляется только в комплекте 50-2403014-А) | |
| 17 | 1220-2403049 | Шайба опорная | |
| 18 | Д01-015 | Штифт установочный | |
| 19 | 1521-2407053-01 | Вал | |
| 19 | 1221М-2407053-01 | Вал | |
| 20 | 1221-2407052 | Шестерня | |
| 20 | 1522-2407052 | Шестерня | |
| 21 | 1221-2407042 | Стакан подшипника | |
| 21 | 1221М-2407042-01 | Стакан подшипников правый | |
| 21 | 1221М-2407042 | Стакан подшипников левый | |
| 22 | 50-2403023 | Пластина стопорная | |
| 23 | 1221-2407082 | Полуось | |
| 24 | 1221-2407018-Б-01 | Рукав полуоси правый | |
| 24 | 1221М-2407018-01 | Рукав полуоси правый | |
| 25 | 1221-2401016-05 | Корпус СЧ20 | |
| 26 | М10-6gx25.88.35.019 | Болт | |
| 27 | Шайба10.ОТ | Шайба | |
| 28 | 70-1701300 | Пробка | |
| 29 | 1221-2407508-01 | Штифт | |
| 30 | 217А | Подшипник | |
| 31 | 1221-2407552 | Прокладка | |
| 32 | 1221-2407018-Б | Рукав полуоси левый | |
| 32 | 1221М-2407018 | Рукав полуоси левый | |
| 33 | КГ1/8.А12.019 | Пробка | |
| 34 | Шайба16.ОТ | Шайба | |
| 35 | М16-6gx60.88.35.019 | Болт | |
| 36 | 142-2407091 | Кольцо | |
| 37 | 7218А | Подшипник | |
| 38 | 2.2-90x120-1 | Манжета | |
| 39 | 1221-2407089 | Прокладка | |
| 40 | 1221-2407028 | Крышка | |
| 41 | 1221-2407503-А | Пластина | |
| 42 | 1221-2407536-Б | Водило | |
| 43 | 7217А | Подшипник | |
| 44 | 1221-2407502-Б | Ступица эпицикла | |
| 45 | 5336-2405050-А | Шестерня ведомая | |
| 45 | 5336-2405050-А2 | Шестерня ведомая | |
| 45 | 5336-2405050-А3 | Шестерня ведомая | |
| 46 | 1221-2407512 | Штифт | |
| 46 | 1221-2407504 | Пластина | |
| 46 | 54.38.619 | Кольцо | |
| 47 | 1221-2407538 | Шайба сателлита | |
| 48 | 5x27,8А3 | Ролик | |
| 49 | 1221-2407539 | Шайба распорная | |
| 50 | 5336-2405035-А | Сателлит | |
| 51 | 1221-2407556-А | Валик | |
| 52 | 1221-2407506 | Прокладка | |
| 52 | 1221-2407506-01 | Прокладка 0,2 мм | |
| 53 | А.8х45.65Г | Штифт | |
| 54 | 1221-2407537 | Шайба | |
| 55 | 1221-2407507 | Шайба | |
| 56 | 70-4605036 | Болт | |
| 57 | 2С55 | Кольцо | |
| 58 | 5336-2405028-А | Шестерня ведущая | |
| 58 | 5336-2405028 | Шестерня ведущая | |
| 59 | 1221-2407542 | Втулка | |
| 60 | 1221-2407131 | Стакан | |
| 61 | 1221-2407541 | Вал | |
| 62 | 1221-2407123 | Втулка | |
| 63 | 1221-2407122 | Шестерня ведомая | |
| 63 | 1522-2407122 | Шестерня ведомая | |
| 64 | 80-2401016 | Прокладка | |
| 65 | 50-4605027 | Штифт | |
| 66 | 36-3502037-А | Втулка | |
| 67 | 50-1601352 | Штифт | |
| 67 | 80М-2407039 | Штифт | |
| 68 | С125 | Кольцо | |
| 69 | 115-120-30-2-2 | Кольцо | |
| 70 | 2.2-52x75-1 | Манжета | |
| 71 | 1221-2407081 | Обойма | |
| 72 | 1221-2407056 | Прокладка (0,5 mm) | |
| 73 | 1221-2407057 | Прокладка (0,2 mm) | |
| 74 | 205-210-36-1-4 | Кольцо | |
| 74 | 200-205-36-2-2 | Кольцо | |
| 75 | 311А | Подшипник | |
| 75 | 6-311АШ1 | Подшипник | |
| 76 | 035-040-30-1-4 | Кольцо | |
| 77 | 1521-2407053 | Вал | |
| 77 | 1221М-2407053 | Вал | |
| 79 | 1522-2403019-02 | Крышка | |
| 80 | 1522-2403048 | Шестерня полуосевая | |
| 81 | 1522-2403062-Б | Крестовина | |
| 82 | 1522-2403057-Б | Сателлит | |
| 83 | 4x29,8А3 | Ролик | |
| 84 | 1522-2403025-Б | Шайба сателлита | |
| 85 | М12-6Н.6.019 | Гайка | |
| 86 | 50-4216024 | Втулка | |
| 87 | 2.2-25x42-1 | Манжета | |
| 88 | 1221-2407505 | Болт | |
| 89 | 36-1702110 | Винт установочный | |
| 90 | 1,6-О-С | Проволока | |
| 91 | А13.11.000-02 | Рукоятка | |
| 92 | 85-2401080-А | Рычаг | |
| 93 | 74-2401050 | Рычаг | |
| 94 | 020-025-30-1-4 | Кольцо | |
| 96 | 50-2401031 | Шайба | |
| 102 | 50-2401020 | Поводок | |
| 104 | 1221-2401019 | Валик | |
| 106 | 1221-2400030 | Патрубок | |
| 107 | M8-6gx30.88.35.019 | Болт | |
| 108 | 017-022-30-1-4 | Кольцо | |
| 109 | M8-6gx55.88.35.019 | Болт |
Содержащиеся в справочниках-каталогах запасные части и детали не предлагаются к продаже, а носят исключительно информационный характер