Вернуться на главную
Поиск
Каталоги запчастей к технике
Сельхозтехника
МТЗ
1220
Конечная передача (смазка)
Каталог запасных частей к технике: МТЗ 1220. Конечная передача (смазка)
zoom-in
zoom-out
enlarge
shrink
circle-right
circle-left
file-text2
info
cart
Тип техники
Не выбрано
Легковые автомобили
Грузовые автомобили и прицепы
Автобусы
Сельхозтехника
Спецтехника
Двигатели
Мототехника
Марка
Не выбрано
AGCO
Amity
CASE IH
DongFeng
Fortschritt
Foton
Franz Kleine
Gaspardo
Great Plains
KRONE
KUHN
Lemken
Lovol
MacDon
Massey Ferguson
New Holland
TIGARBO
Vaderstad
Versatile
Wirax
Агро
Агротехмаш
Бобруйскагромаш (ОАО «УКХ «Бобруйскагромаш»)
БЭМЗ
ВгТЗ
Воронежсельмаш
ВТЗ
Гомсельмаш
ДКЗ
ЗАО "Техника-сервис"
ЗиД
КЗК
Кировец-Ландтехник
Клевер
Красная Звезда
Лидагропроммаш
Лидсельмаш
ЛТЗ
Машстройхолдинг
Минитракторы
Мордовагромаш
МТЗ
Навигатор-Новое машиностроение
Нефтекамский автозавод
ПТЗ
Ремком
РСМ
Сибсельмаш
ТеКЗ
ТКЗ
ХЗТСШ
ХТЗ
ЮМЗ
Модель
Не выбрано
1025.5 (2013)
1025/1025.2/1025.3 (2009)
1220 (2011)
1220.5 (2013)
1523.5 (2013)
1523.5 с ГМТ (2014)
2122.3/2122.4 (2015)
3022ДЦ.1 (2011)
320.4М (2019)
622 (2012)
800/900 (2003)
80Х (2012)
892 (2011)
922.3 / 922.4 (2013)
922.5 (2013)
923.4 (2014)
923.5 (2013)
92П (2010)
952.5 (2013)
БЕЛАРУС 1025.7 (2022)
БЕЛАРУС 1220.7 (2022)
БЕЛАРУС 1221.7 (2022)
БЕЛАРУС 2103 (2015)
БЕЛАРУС 320 (1998)
БЕЛАРУС 3522.5 (2013)
БЕЛАРУС 3525 (2019)
БЕЛАРУС 421 (2014)
БЕЛАРУС 451 (2023)
БЕЛАРУС 651 (2023)
БЕЛАРУС 923.7 (2022)
БЕЛАРУС 952.7 (2022)
Беларус-08Н (09Н) (2015)
Беларус-422.1 (2018)
КБ-00.000 (САЗ) (2015)
КМ-2 (САЗ) (2015)
МТЗ-082
МТЗ-100
МТЗ-1005 (2008)
МТЗ-1021.3 (2010)
МТЗ-1025.4 (2009)
МТЗ-112Н, 132Н (2010)
МТЗ-1221 (1997)
МТЗ-1221 (2009) (2009)
МТЗ-1221.4 (2009)
МТЗ-1221.4 (2009)
МТЗ-1221.5 (2013)
МТЗ-1222/1523 (2009)
МТЗ-1522 (2008)
МТЗ-1523
МТЗ-1523 (2013)
МТЗ-1523 (2008) (2008)
МТЗ-1523.4 (2010)
МТЗ-1523.6 (2018)
МТЗ-2022 (2010)
МТЗ-2103 (2010)
МТЗ-2522 (2010)
МТЗ-310, 320, 321 (2011)
МТЗ-3522 (2011)
МТЗ-510/512, 520/522 (2010)
МТЗ-570 (2010)
МТЗ-80 (1998)
МТЗ-80 (2002) (2002)
МТЗ-80 (2009) (2009)
МТЗ-80.1 (2015)
МТЗ-821/921 (2009)
МТЗ-822 (2008)
МТЗ-826 (2010)
МТЗ-90/92 (2008)
МТЗ-900
МТЗ-900/920/950/952 (2009)
МТЗ-920.4/952.4 (2009)
МТЗ-922 (2008)
МТЗ-923 (2008)
ФР-00.010 (САЗ) (2015)
ФР-00700-Б (САЗ) (2015)
Схема
>
Не выбрано
Установка стеклоочистителя
Установка стеклоомывателя
Кабина трактора
Кабина трактора
Крыша
Крыша
Панели
Двери кабины
Сиденье оператора
Сиденье оператора
Подвеска сиденья
Сиденье дополнительное
Отопитель
Установка кондиционера
Установка компрессора
Зеркало внутреннее
Зеркало наружное
Козырек противосолнечный
Облицовка
Крылья передних колес
Подножка
Управление двигателем ММЗ Tier-3a (Д-245.2S3A)
Управление ПВМ, БД заднего моста и передним ВОМ (с КП 16Fx8R) (электрическая часть)
Управление ПВМ, БД заднего моста и передним ВОМ (с КП 16Fx8R) (для тракторов 1220.4) (электрическая часть)
Управление ПВМ, БД заднего моста, задним ВОМ и редуктором (с КП 24Fx12R) (электрическая часть)
Управление задним навесным устройством
Установка двигателя
Баки топливные
Управление подачей топлива (с гидроподъемником)
Управление подачей топлива
Управление подачей топлива
Установка воздухоочистителя «Donaldson» (Д-245.2S2)
Установка воздухоочистителя «Donaldson» (Д-245.2S3А и Д-245.2S3АМ)
Установка топливного фильтра
Глушитель
Глушитель
Глушитель
Блок охлаждения
Ограждение вентилятора
Установка охладителя
Сцепление
Корпус сцепления
Корпус сцепления
Управление сцеплением
Коробка передач 112-1700010-А (16F+8R)
Коробка передач. Вал первичный (16F+8R)
Коробка передач. Вал вторичный (16F+8R)
Коробка передач. Вал промежуточный (16F+8R)
Вал пониженных передач (16F+8R)
Механизм управления коробкой передач (16F+8R)
Коробка передач (24F+12R)
Вал первичный (24F+12R)
Вал промежуточный (24F+12R)
Вал пониженных передач и заднего хода (24F+12R)
Вал блока шестерен (24F+12R)
Вал вторичный (24F+12R)
Механизм управления коробкой передач (24F+12R)
Привод насосов
Фильтр
Фильтр-распределитель
Привод переднего ведущего моста
Вал карданный
Ограждение
Передний ведущий мост 822-2300020
Главная передача переднего ведущего моста
Дифференциал
Редуктор конечной передачи переднего ведущего моста
Задний мост. Дифференциал. Конечные передачи
Конечная передача (смазка)
Механизм блокировки дифференциала
Механизм блокировки дифференциала «мокрого» типа
Тягово-сцепное устройство
Тягово-сцепное устройство (варианты комплектации)
Полурама
Устройство буксирное
Крюк прицепной К1220-2807010-А
Тяга рулевая
Колеса передние ведущие
Колеса передние ведущие
Колеса задние ведущие
Колонка рулевая
Рулевое управление 1025-3400010
Гидроцилиндр Ц63 (63x30-200)
Бак
Тормоза
Тормоза «мокрые»
Управление «мокрыми» тормозами
Тормоз стояночно-запасной, управление стояночно-запасным тормозом
Тормоз стояночно-запасной. Управление стояночно-запасным тормозом (для «мокрых тормозов»)
Пневмопривод 1220-3506005 (однопроводный)
Пневмопривод 1220-3506505 (двухпроводный)
Кран тормозной
Головка соединительная (для однопроводного пневмопривода)
Головка соединительная (для двухпроводного пневмопривода)
Головка соединительная (для двухпроводного пневмопривода)
Электрооборудование двигателя 920-3700030-В
Электрооборудование двигателя 1025.4М-3700030
Электрооборудование трансмиссии
Электрооборудование кабины
Установка батарей аккумуляторных
Установка фар дорожных
Установка фар рабочих
Установка фонарей передних
Установка фонарей задних
Электрооборудование кондиционера
Электрооборудование отопителя
Фонари автопоезда
Установка маяка сигнального
Электрооборудование пускового устройства
Щиток приборов
Навесное устройство с гидроподъемником
Навесное устройство
Гидросистема М1221-4600010
Корпус гидросистемы М1221-4600015
Гидросистема Р1221-4600010
Корпус гидросистемы Р1221-4600015
Гидросистема Е1221-4600010
Корпус гидросистемы Е1221-4600015
Гидросистема Р920-4600010-01
Корпус гидросистемы Р920-4600015-01
Гидросистема 920-4600010-01
Корпус гидросистемы 952-4600015-08
Привод насоса
Управление гидрораспределителем (РП70, RS 213 Mita)
Корпус гидросистемы и фильтр
Муфта быстросоединяемая
Гидрораспределитель РП70
Цилиндр гидроподъемника
Распределитель гидроподъемника
Управление гидроподъемником
Гидроподъемник
Гидроподъемник Е1221-4635010
Вал отбора мощности задний
Шестерня коронная
Управление задним валом отбора мощности
Балласт
Инструмент оператора
Аптечка (по заказу)
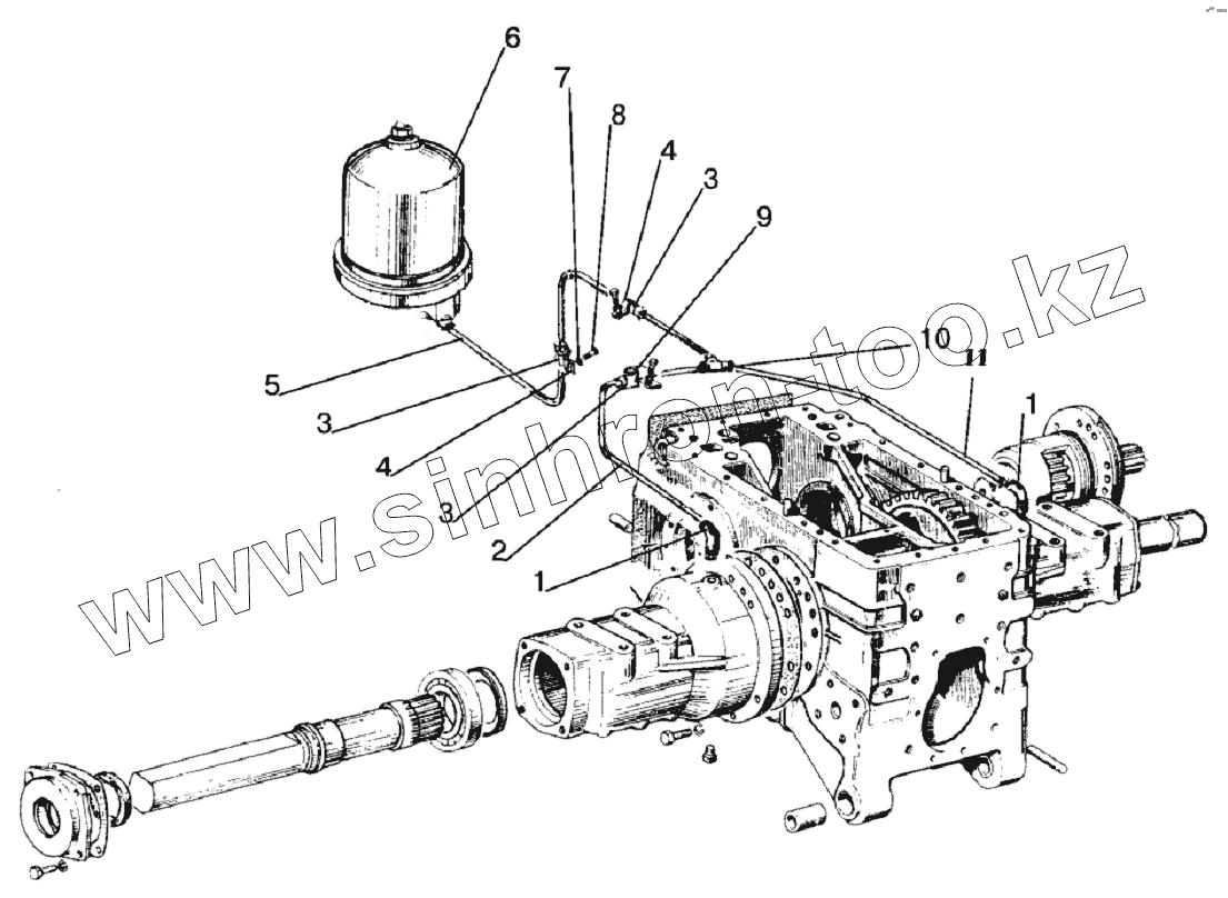
1
1
2
3
3
3
4
4
5
6
7
8
9
10
11
Позиция на иллюстрации
Заводской номер детали
Название детали
1
86-1802088
Угольник
2
1522-2407330
Маслопровод
3
1522-2407317
Трубка
4
70-4802046
Хомут
5
1522-2407310
Маслопровод
6
80-1737110
Фильтр-распределитель в сборе
7
Шайба10.ОТ
Шайба
8
М10-6gx20.88.35.019
Болт
9
70-4802043
Кляммер
10
1221-2407288-02
Тройник
11
1522-2407320
Маслопровод
Содержащиеся в справочниках-каталогах запасные части и детали не предлагаются к продаже, а носят исключительно информационный характер
Дополнительная информация
×
Название:
Номер:
Примечание: