Каталог запасных частей к технике: КЗК Енисей КЗС-950. Механизм обратной прокрутки барабанов
1
1
1
1
2
2
3
3
4
5
6
7
8
9
10
11
12
13
14
14
15
16
16
17
17
18
19
19
20
21
21
22
23
24
25
26
27
28
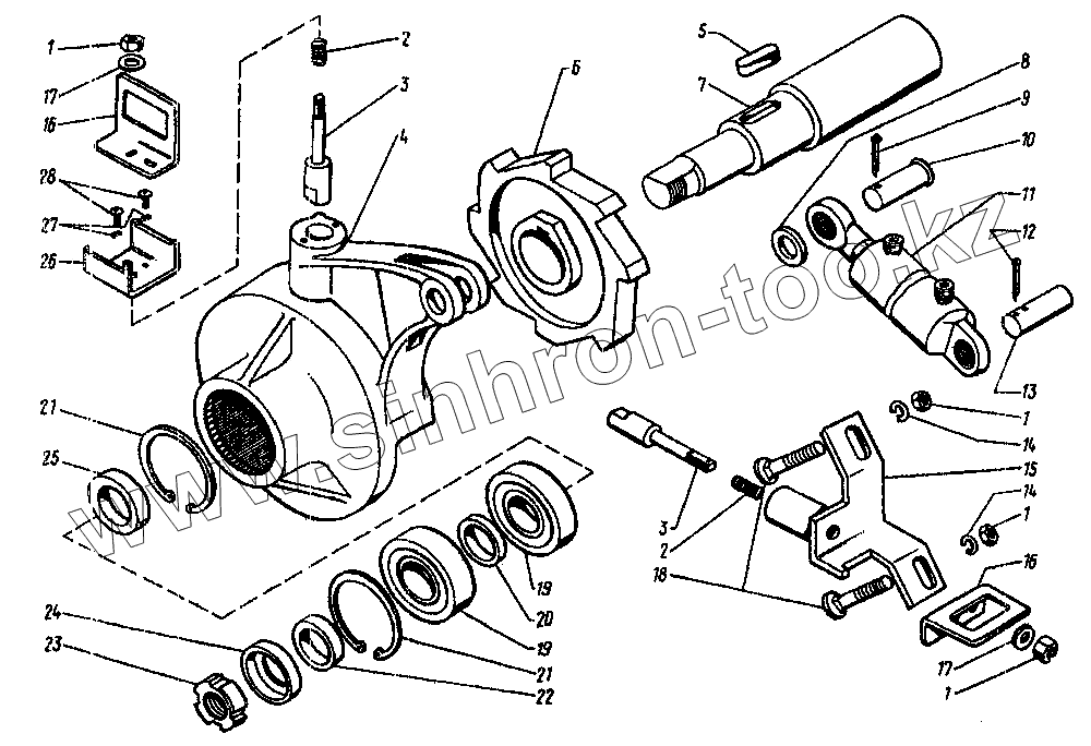
| Позиция на иллюстрации | Заводской номер детали | Название детали | |
|---|---|---|---|
| 1 | М10-5915 | Гайка | |
| 2 | КДМ 6996 | Пружина | |
| 3 | КДМ 6981Б | Фиксатор | |
| 4 | КДМ 2040 | Рычаг | |
| 5 | 14х9х36-23360 | Шпонка | |
| 6 | КДМ 2-105 | Храповик | |
| 7 | КДМ 6046Ж | Вал барабана | |
| 8 | 20-11371 | Шайба | |
| 9 | 5х28-397 | Шплинт | |
| 10 | 20х55-9650 | Ось | |
| 11 | ГА-93.000-02 | Гидроцилиндр | |
| 12 | 4х36-397 | Шплинт | |
| 13 | КД 6349А-01 | Ось гидроцилиндра | |
| 14 | 10.65Г-6402-01 | Шайба | |
| 15 | КДМ 0-3-1А | Кронштейн | |
| 16 | КДМ 41128 | Ручка | |
| 17 | 10-11371 | Шайба | |
| 18 | М10х75-7802 | Болт | |
| 19 | 180508 | Подшипник | |
| 20 | КДМ 8286 | Втулка дистанционная | |
| 21 | С 80- 13943 | Кольцо | |
| 22 | КДМ 8242 | Втулка | |
| 23 | КДМ 8065 | Гайка | |
| 24 | 3518050-94014 | Шайба замочная | |
| 25 | КДМ 8175 | Втулка | |
| 26 | КДМ 5414 | Упор | |
| 27 | 6.65Г- 6402 | Шайба | |
| 28 | М6х16-17473 | Винт |
Содержащиеся в справочниках-каталогах запасные части и детали не предлагаются к продаже, а носят исключительно информационный характер