Каталог запасных частей к технике: КЗК Енисей 1200. Установка моторная КДМ 3К
1
2
2
3
3
4
4
4
5
6
6
6
6
7
8
9
10
11
11
11
12
13
13
14
14
15
15
16
17
17
18
18
19
20
21
22
23
24
25
26
27
28
29
30
31
31
32
33
33
34
35
36
36
37
38
38
39
40
41
42
43
44
45
46
47
48
49
50
51
52
53
54
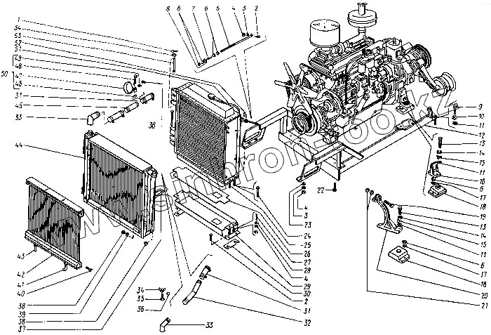
| Позиция на иллюстрации | Заводской номер детали | Название детали | |
|---|---|---|---|
| 1 | 3.2Х20-397 | Шплинт | |
| 2 | 47 9374 1037 00 | Болт М10х35-7796 | |
| 3 | 10.65Г-6402 | Шайба | |
| 4 | М10-5915 | Гайка | |
| 5 | КДМ-60094 | Растяжка | |
| 6 | М12-5915 | Гайка | |
| 7 | КД-6699 | Пружина | |
| 8 | КД-5041 | Скоба | |
| 9 | 47 9374 1226 00 | Болт М16х40-7796 | |
| 10 | КД-40211 | Шайба | |
| 11 | 16-11371 | Шайба | |
| 12 | КДМ-3-1К | Рама подмоторная | |
| 13 | 47 9374 1229 00 | Болт М16х55-7796 | |
| 14 | 16.65Г-6402 | Шайба | |
| 15 | 16-13463 | Шайба | |
| 16 | КД-3016 | Лапа | |
| 17 | 12.65Г-6402 | Шайба | |
| 18 | КДМ-3-70-А | Амортизатор | |
| 19 | 47 9324 1141 00 | Болт М14х85-7795 | |
| 20 | КД-2004-А | Кронштейн | |
| 21 | М14-5915 | Гайка | |
| 22 | 47 9374 1173 00 | Болт М12х35-7796 | |
| 23 | 10-6958 | Шайба | |
| 24 | 47 9324 1047 00 | Болт М10х65-7795 | |
| 25 | 54У-3-30 | Радиатор водяной | |
| 26 | КД-0054 | Прокладка | |
| 27 | 61094 | Пружина | |
| 28 | 10-11371 | Шайба | |
| 29 | КД-3-9 | Траверса | |
| 30 | 41080 | Прокладка | |
| 31 | ГСТ-0006 | Шланг соединительный | |
| 32 | ГСТ-3-15-1 | Труба | |
| 33 | КДМ-3-14 | Патрубок | |
| 34 | М8-3032 | Гайка | |
| 35 | 47 9644 1309 00 | Болт М8х55-7802 | |
| 36 | 3-11371 | Шайба | |
| 37 | КД-6057 | Скоба | |
| 38 | М8-5915 | Гайка | |
| 39 | 8.65Г-6402 | Шайба | |
| 40 | 47 9374 1005 00 | Болт М8х20-7796 | |
| 41 | КДМ3-53Д | Трубопровод маслоотводящий | |
| 42 | 100У.08.002 | Радиатор масляной | |
| 43 | КДМ-3-52Д | Трубопровод маслоотводящий | |
| 44 | КДМ-3-50 | Радиатор воздушный | |
| 45 | КДН-8093 | Труба соединительная | |
| 46 | А23.02.163 | Гайка | |
| 47 | А23.02.201 | Лента | |
| 48 | М6Х35-7798 | Болт (47) | |
| 49 | А23.02.164 | Шайба | |
| 50 | А23.02.200 | Хомут стяжной | |
| 51 | КДМ-0391 | Трубка | |
| 52 | 8.16.9 | Скоба | |
| 53 | 12Х115-9650 | Ось | |
| 54 | 12-11371 | Шайба |
Содержащиеся в справочниках-каталогах запасные части и детали не предлагаются к продаже, а носят исключительно информационный характер