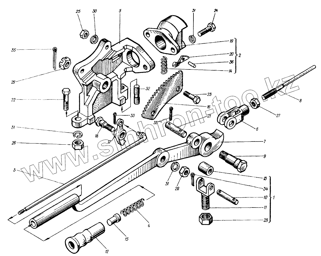
Каталог запасных частей к технике: ХТЗ Т-25Ф. Привод тормозов прицепа 25Ф.68.001
1
1
2
3
4
5
6
7
8
9
10
11
12
13
14
15
16
17
18
19
20
21
22
23
24
25
26
26
27
28
29
30
31
31
31
32
33
34
35
35
36
| Позиция на иллюстрации | Заводской номер детали | Название детали | |
|---|---|---|---|
| 1 | 25Ф.68.104 | Рычаг | |
| 1 | 25Ф.68.011-1 | Вилка | |
| 2 | 25Ф.68.012 | Седло | |
| 3 | 25Ф.68.013 | Тяга | |
| 4 | 8.22.114 | Пружина собачки | |
| 5 | 25Ф.68.101 | Кронштейн | |
| 6 | 25Ф.68.102 | Вилка | |
| 7 | 25Ф.68.104 | Рычаг | |
| 8 | 25Ф.68.105 | Шток | |
| 9 | 25Ф.68.106 | Палец | |
| 10 | 25Ф.68.107 | Ось | |
| 11 | 25Ф.68.108 | Вилка | |
| 12 | 25Ф.68.110 | Ручка | |
| 13 | 25Ф.68.111 | Ролик | |
| 14 | 25Ф.68.112 | Пружина | |
| 15 | 25Ф.68.114 | Кнопка | |
| 16 | 25Ф.68.115 | Сектор | |
| 17 | 25Ф.68.116 | Собачка | |
| 18 | 25Ф.68.117 | Палец | |
| 19 | 25Ф.68.118 | Седло | |
| 20 | 25Ф.68.119 | Фиксатор | |
| 21 | А40-18-01 | Палец | |
| 22 | [Болт М10-68х40.88.35.019 ГОСТ7795-70] | Болт М10-68х40.88.35.019 ГОСТ7795-70 | |
| 23 | [Болт М8-6gх30.88.35.019 ГОСТ7796-70] | Болт М8-6gх30.88.35.019 ГОСТ7796-70 | |
| 24 | [Болт М10-6gх35.88.35.019 ГОСТ7796-70] | Болт М10-6gх35.88.35.019 ГОСТ7796-70 | |
| 25 | [Гайка М8-6Н.6.019 ГОСТ5915-70] | Гайка М8-6Н.6.019 ГОСТ5915-70 | |
| 26 | [Гайка М10-6Н.6.019 ГОСТ5915-70] | Гайка М10-6Н.6.019 ГОСТ5915-70 | |
| 27 | [Гайка М12-6Н.6.019 ГОСТ5915-70] | Гайка М12-6Н.6.019 ГОСТ5915-70 | |
| 28 | [Гайка М16х1,5-6Н.04.019 ГОСТ5929-70] | Гайка М16х1,5-6Н.04.019 ГОСТ5929-70 | |
| 29 | [Гайка М12-6Н.04.0112 ГОСТ5933-73] | Гайка М12-6Н.04.0112 ГОСТ5933-73 | |
| 30 | [Шайба 8.65Г.05 ГОСТ6402-70] | Шайба 8.65Г.05 ГОСТ6402-70 | |
| 31 | [Шайба 10.ОТ.65Г.05 ГОСТ6402-70] | Шайба 10.ОТ.65Г.05 ГОСТ6402-70 | |
| 32 | [Шпилька М10х24/6х25.66.013-6 ГОСТ22036-70] | Шпилька М10х24/6х25.66.013-6 ГОСТ22036-70 | |
| 33 | [Шплинт 2х12.016 ГОСТ397-79] | Шплинт 2х12.016 ГОСТ397-79 | |
| 34 | [Шплинт 2,5х16.016 ГОСТ397-79] | Шплинт 2,5х16.016 ГОСТ397-79 | |
| 35 | [Шплинт 3,2х20.016 ГОСТ397-79] | Шплинт 3,2х20.016 ГОСТ397-79 | |
| 36 | [Штифт 3.4х16 ГОСТ3128-70] | Штифт 3.4х16 ГОСТ3128-70 |
Содержащиеся в справочниках-каталогах запасные части и детали не предлагаются к продаже, а носят исключительно информационный характер