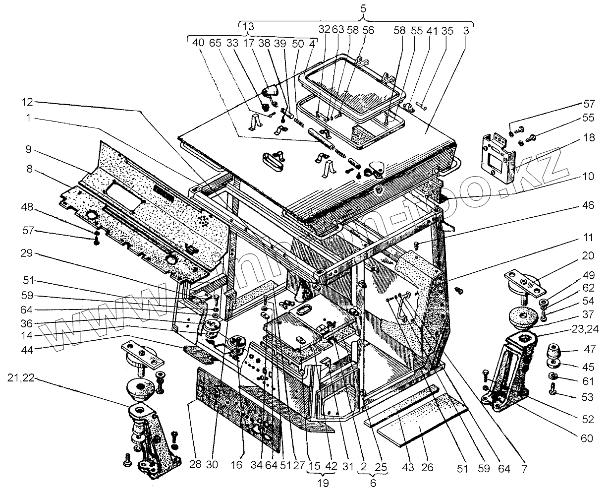
Каталог запасных частей к технике: ХТЗ Т-151К. Кабина
151М.45.001-1
1
1
2
3
4
5
6
7
8
9
10
11
12
13
14
15
16
16
17
18
19
20
21
22
23
24
25
26
27
28
29
30
31
32
33
34
35
36
37
38
39
40
41
42
43
44
45
46
47
48
49
50
51
51
51
52
53
54
55
55
56
57
57
58
58
59
59
60
61
62
63
64
64
64
65
| Позиция на иллюстрации | Заводской номер детали | Название детали | |
|---|---|---|---|
| 151М.45.001-1 | 151М.45.001-1 | Кабина | |
| 1 | 151К.45.010 | Каркас | |
| 1 | 151К.45.010-10 | Кабина | |
| 2 | 151М.45.039-1 | Крышка | |
| 3 | 151К.45.046-3 | Крыша | |
| 4 | 151К.45.048 | Крышка | |
| 5 | 151К.45.051-2 | Крыша | |
| 6 | 151М.45.052 | Крышка | |
| 7 | 151К.45.058 | Поручень | |
| 8 | 151К.45.069-1 | Экран | |
| 9 | 151К.45.070-1 | Экран | |
| 10 | 151К.45.075-2 | Экран | |
| 11 | 151К.45.090 | Чехол | |
| 12 | 151М.45.099 | Уплотнитель рычаг | |
| 13 | 151К.45.0108 | Крышка | |
| 14 | 125.45.039 | Уплотнитель педали | |
| 15 | 150М.45.037-1 | Крышка | |
| 16 | 170.21.018 | Крышка | |
| 16 | 150.45.039 | Крышка уплотнения педали | |
| 17 | 150М.45.050-2 | Замок | |
| 18 | 150М.45.072А | Кронштейн | |
| 19 | 150М.45.085 | Крышка | |
| 20 | 150М.45.096-1А | Планка | |
| 21 | 151.45.112-7 | Кронштейн | |
| 22 | 151.45.112-7-02 | Кронштейн | |
| 23 | 151.45.112-7-03 | Кронштейн | |
| 24 | 151.45.112-7-04 | Кронштейн | |
| 25 | 151М.45.327-1А | Экран | |
| 26 | 151К.45.330 | Экран | |
| 27 | 151М.45.331А | Экран | |
| 28 | 151М.45.386-1 | Экран | |
| 29 | 151М.45.387-1 | Облицовка | |
| 30 | 151К.45.440 | Обивка | |
| 31 | 151К.45.440-01 | Обивка | |
| 32 | 120.45.299 | Зацеп | |
| 33 | 150М.45.143 | Гайка | |
| 34 | 150М.45.180 | Зажим | |
| 35 | 150.45.188-1 | Ось петли | |
| 36 | 150.45.209-1 | Крышка | |
| 37 | 150.45.216-3А | Амортизатор | |
| 38 | 150М.45.230 | Ось | |
| 39 | 150М.45.252 | Шток | |
| 40 | 150М.45.253 | Рукоятка | |
| 41 | 150М.45.256 | Петля | |
| 42 | 150М.45.329А | Экран | |
| 43 | 150М.45.332А | Экран | |
| 44 | 150М.45.366-1А | Экран | |
| 45 | 150М.45.421-2А | Шайба | |
| 46 | 150М.45.434-1 | Фиксатор | |
| 47 | 150.45.435-1 | Буфер | |
| 48 | 150.45.449 | Шайба специальная | |
| 49 | 150.45.449-1А | Шайба | |
| 50 | 150.57.172 | Пружина клапана | |
| 51 | М8х16.7796 | Болт | |
| 52 | М16х45.7796 | Болт | |
| 53 | М20х50.7796 | Болт | |
| 54 | М20х70.7796 | Болт (d=20, l=70, L0=46, H=11, S=27) | |
| 55 | М6х12.7798 | Болт | |
| 56 | М6х16.7798 | Болт | |
| 57 | М6х12.17473 | Винт | |
| 58 | 6 65Г.6402 | Шайба | |
| 59 | 8 65Г.6402 | Шайба | |
| 60 | 16 65Г.6402 | Шайба | |
| 61 | 20 65Г.6402 | Шайба | |
| 62 | 20Т 65Г.6402 | Шайба | |
| 63 | 6.04.11371 | Шайба | |
| 64 | 8.04.11371 | Шайба | |
| 65 | 2х10.397 | Шплинт |
Содержащиеся в справочниках-каталогах запасные части и детали не предлагаются к продаже, а носят исключительно информационный характер