Каталог запасных частей к технике: ХТЗ Т-151К. Гидросистема навесного устройства
1
2
2
3
4
5
6
7
8
8
9
9
10
10
11
12
13
14
15
16
17
18
19
20
21
22
22
23
24
25
26
27
28
29
30
31
31
32
33
34
35
36
37
38
39
40
41
42
43
44
45
46
47
48
49
50
51
52
52
53
54
54
54
55
56
56
57
58
58
58
59
60
61
62
63
63
64
65
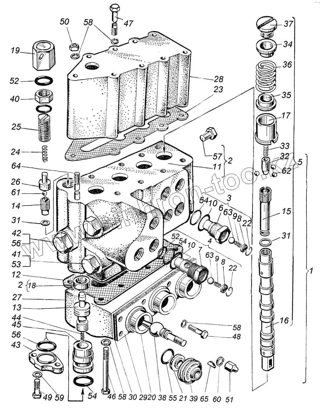
| Позиция на иллюстрации | Заводской номер детали | Название детали | |
|---|---|---|---|
| 1 | Р80-3.3.000 | Гидрораспределитель Р80-3/1-222Г | |
| 2 | Р80-3-004-10 | Корпус распределителя | |
| 3 | Р80Г3.6.000 | Гидрозамок | |
| 4 | Р80Г3.6.000-01 | Гидрозамок | |
| 5 | Р80-030 | Золотник | |
| 6 | Р80Г3.6.011 | Корпус | |
| 7 | Р80Г3.6.011-01 | Корпус | |
| 8 | Р80Г3.6.012 | Фиксатор | |
| 9 | Р80Г3.6.013 | Пружина | |
| 10 | Р80Г3.6.015 | Прокладка | |
| 11 | Р80-3.021-10 | Корпус | |
| 12 | Р80-3-038 | Прокладка | |
| 13 | Р80-3-041 | Клапан перепускной | |
| 14 | Р80-3-063 | Гнездо предохранительного клапана | |
| 15 | Р80-23.20.060 | Гильза | |
| 16 | Р80-024 | Золотник | |
| 17 | Р80-031 | Обойма | |
| 18 | Р80-040-10 | Гнездо | |
| 19 | Р80-051Б | Колпачок | |
| 20 | Р80-064 | Кольцо | |
| 21 | Р80-065 | Кольцо | |
| 22 | Н036.50.102 | Кольцо | |
| 23 | Р40/75-0808039А | Прокладка нижняя | |
| 24 | Р40/75-0808048Б | Пружина | |
| 25 | Р40/75-0808049А | Винт | |
| 26 | Р40/75-0808059А | Направляющая | |
| 27 | Р75-3-022Б | Крышка | |
| 28 | Р75-3-023 | Крышка нижняя | |
| 29 | Р75-3-055Б | Пластина | |
| 30 | Р75-3-057 | Пластина колец | |
| 31 | Р75-В-028А | Прокладка | |
| 32 | Р75-В-029 | Втулка фиксаторная | |
| 33 | Р75-В-032 | Пружина фиксатора | |
| 34 | Р75-033 | Стакан нижний | |
| 35 | Р75-034 | Стакан верхний | |
| 36 | Р75-035 | Пружина золотника | |
| 37 | Р75-037А | Пробка | |
| 38 | Р75-054А | Рычаг | |
| 39 | Р75-056М | Чехол | |
| 40 | Р75-058Б | Гайка | |
| 41 | Р75-066 | Заглушка | |
| 42 | Р75-067 | Заглушка | |
| 43 | Р75-071Г | Упор | |
| 44 | Р75-072 | Пружина перепускного клапана | |
| 45 | Р75-073А | Направляющая | |
| 46 | М8х55.7795 | Болт | |
| 47 | М8х100.7795 | Болт | |
| 48 | М8х16.7796 | Болт | |
| 49 | 3М10х30.7796 | Болт | |
| 50 | М8.5915 | Гайка | |
| 51 | М12х1,25.11860 | Гайка | |
| 52 | 018-022-25-2-3.9833 | Кольцо | |
| 53 | 022-027-30-2-3.9833 | Кольцо | |
| 54 | 025-030-30-2-3.9833 | Кольцо | |
| 55 | 028-033-30-2-3.9833 | Кольцо | |
| 56 | У-35х30-3.9833 | Кольцо | |
| 57 | КГ 1/4' | Пробка | |
| 58 | 8 65Г.6402 | Шайба | |
| 59 | 10 65Г.6402 | Шайба | |
| 60 | 12 65Г.6402 | Шайба | |
| 61 | 5,556-100.3722 | Шарик | |
| 62 | 6,35-100.3722 | Шарик | |
| 63 | 11,112-100.3722 | Шарик | |
| 64 | ШМ8х120 | Шпилька | |
| 65 | 3х6,5.24071 | Шпонка |
Содержащиеся в справочниках-каталогах запасные части и детали не предлагаются к продаже, а носят исключительно информационный характер