Каталог запасных частей к технике: ХТЗ Т-151К. Гидросистема навесного устройства
1
2
2
2
3
3
3
4
5
5
6
7
7
8
9
10
11
12
13
14
15
16
17
18
19
20
21
22
23
24
25
26
26
27
28
29
29
30
30
30
31
32
33
34
35
36
37
37
38
38
39
39
40
40
41
42
43
43
43
43
43
43
44
45
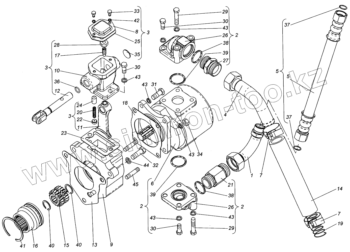
| Позиция на иллюстрации | Заводской номер детали | Название детали | |
|---|---|---|---|
| 1 | 151.57.042-2 | Труба | |
| 2 | 151.57.053-1 | Насос гидравлической системы в сборе | |
| 3 | 151.57.064-4 | Крышка корпуса в сборе | |
| 4 | 151.57.074-5 | Труба | |
| 5 | 150.61.020-01 | Шланг | |
| 6 | НШ50А-3-Л-00 | Гидронасос | |
| 7 | ХСВА-43 | Хомут | |
| 8 | 151.57.200 | Крышка | |
| 9 | 151.57.201-1 | Корпус привода гидронасоса | |
| 10 | 151.57.202-1 | Крышка | |
| 11 | 151.57.203-1 | Вилка включения гидравлического насоса | |
| 12 | 151.57.204-2 | Валик | |
| 13 | 151.57.206-1 | Прокладка | |
| 14 | 151.57.208-1 | Шланг | |
| 15 | 151.57.241-1 | Втулка муфты | |
| 16 | 151.57.242 | Муфта подвижная | |
| 17 | 151.57.253 | Винт стопорный | |
| 18 | 151.57.275 | Прокладка | |
| 19 | 151.57.382 | Каркас | |
| 20 | 5.10.312 | Пружина фиксатора | |
| 21 | 125.57.175 | Штуцер | |
| 22 | 125.57.205 | Пробка | |
| 23 | 125.57.207 | Прокладка | |
| 24 | 125.57.209 | Фиксатор | |
| 25 | 125.57.212-1 | Прокладка | |
| 26 | 150.53.137 | Муфта | |
| 27 | 150.53.138 | Штуцер | |
| 28 | ГПШ-М10х1 | Гайка | |
| 29 | М10х65.7795 | Болт | |
| 30 | М10х25.7796 | Болт | |
| 31 | М10х30.7796 | Болт | |
| 32 | М12х35.7796 | Болт | |
| 33 | М6х12.7798 | Болт | |
| 34 | М10.5915 | Гайка | |
| 35 | 26.3111 | Заглушка | |
| 36 | 014-018-25-2-2.9833 | Кольцо | |
| 37 | 017-020-19-2-2.9833 | Кольцо | |
| 38 | 035-040-30-2-2.9833 | Кольцо | |
| 39 | 036-042-36-2-2.9833 | Кольцо | |
| 40 | 1Б25.13940 | Кольцо | |
| 41 | 1Б72.13941 | Кольцо | |
| 42 | 6 65Г.6402 | Шайба | |
| 43 | 10 65Г.6402 | Шайба | |
| 44 | 12 65Г.6402 | Шайба | |
| 45 | М10х30.22036 | Шпилька (d=10, l=30, l0=25, l1=16) |
Содержащиеся в справочниках-каталогах запасные части и детали не предлагаются к продаже, а носят исключительно информационный характер