Каталог запасных частей к технике: ХТЗ Т-150К (2004). Тормоз стояночный
1
2
3
4
5
6
7
8
9
10
11
12
13
14
15
16
17
18
19
20
20
20
21
22
23
24
25
26
27
28
29
30
31
32
33
34
34
34
35
36
36
37
38
39
40
41
42
43
43
44
45
46
46
46
46
46
46
47
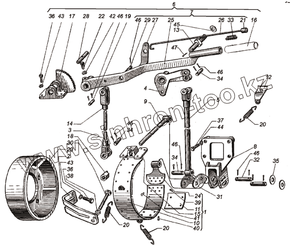
| Позиция на иллюстрации | Заводской номер детали | Название детали | |
|---|---|---|---|
| 1 | 151.46.011-1 | Лента центрального тормоза | |
| 2 | 151.46.014А | Кронштейн | |
| 3 | 151.46.019 | Тяга в сборе | |
| 4 | 151.46.022-2 | Рычаг переходной в сборе | |
| 5 | 151.46.029 | Ушко | |
| 6 | 151.46.035 | Рычаг | |
| 7 | 125.46.016 | Рычаг центрального тормоза в сборе | |
| 8 | 151.46.102-2 | Кронштейн центрального тормоза | |
| 9 | 151.46.108 | Тяга ленты | |
| 10 | 151.46.111-1 | Лента | |
| 11 | 151.46.112 | Колодка | |
| 12 | 151.46.115-1 | Кронштейн | |
| 13 | 151.46.120 | Ось рычага | |
| 14 | 151.46.123 | Вилка | |
| 15 | 151.46.124 | Кронштейн | |
| 16 | 151.46.125 | Трубка | |
| 17 | 151.46.222-1 | Кронштейн рычага | |
| 18 | 151.46.234 | Гайка регулировочная | |
| 19 | 5.22.213 | Ось рычага фиксатора | |
| 20 | 5.23.133 | Пружина для оттяжки тормозных лент | |
| 21 | 54.20.401 | Кнопка | |
| 22 | 125.37.270 | Винт установочный | |
| 23 | 125.46.101-1А | Барабан | |
| 24 | 125.46.110 | Ушко ленты | |
| 25 | 125.46.116 | Рычаг центрального тормоза | |
| 26 | 125.46.117 | Тяга | |
| 27 | 125.46.118 | Фиксатор | |
| 28 | 125.46.223 | Валик | |
| 29 | 125.46.225 | Палец | |
| 30 | 150.23.161 | Болт регулировочный | |
| 31 | А5.23.107-1 | Рычаг тормоза | |
| 32 | А5.23.155 | Палец пружины тормоза | |
| 33 | А20.3.01 | Пружина | |
| 34 | A40.1S.01 | Палец | |
| 35 | ШШс-14x24x2 | Шайба | |
| 36 | М10x25.7796 | Болт | |
| 37 | М12х35.7796 | Болт | |
| 38 | М10.5915 | Гайка | |
| 39 | 4x12.10300 | Заклёпка | |
| 40 | 4x20.10300 | Заклёпка | |
| 41 | 6x20.10299 | Заклёпка | |
| 42 | 865Г.6402 | Шайба | |
| 43 | 1065Г.6402 | Шайба | |
| 44 | 1265Г.6402 | Шайба | |
| 45 | 18Т65Г.6402 | Шайба | |
| 46 | 3.2x20.397 | Шплинт | |
| 47 | 3.2x25.397 | Шплинт |
Содержащиеся в справочниках-каталогах запасные части и детали не предлагаются к продаже, а носят исключительно информационный характер