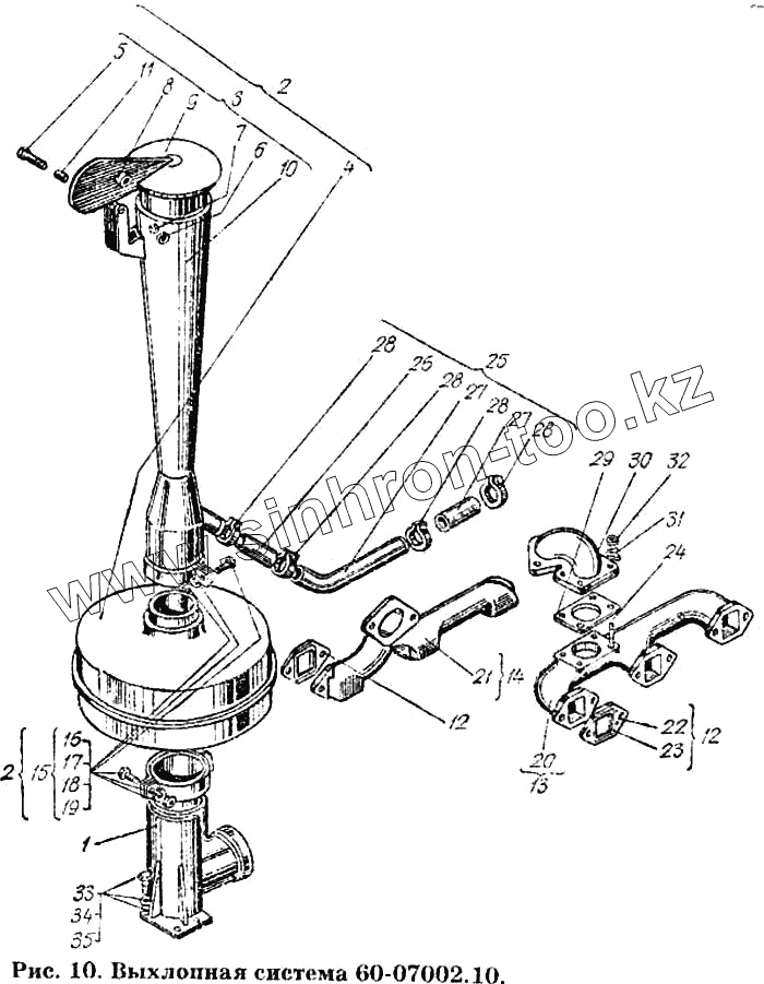
Каталог запасных частей к технике: ХТЗ Т-150К. Выхлопная система 60-07002.10
1
2
3
4
5
7
8
9
10
11
12
12
13
14
15
16
17
18
19
20
21
22
23
24
25
26
27
27
28
28
28
28
29
30
31
32
33
34
35
| Позиция на иллюстрации | Заводской номер детали | Название детали | |
|---|---|---|---|
| 1 | 60-07002.10 | Труба выхлопная в сборе | |
| 2 | 60-07003.20 | Установка глушителя и эжектора | |
| 3 | 60-07010.10 | Эжектор с крышкой в сборе | |
| 4 | 60-07012.00 | Глушитель в сборе | |
| 5 | Болт М8.2х60.56.05 ГОСТ 7795-70 | Болт М8.2х60.56.05 ГОСТ 7795-70 | |
| 7 | Шайба 8.65Г.05 ГОСТ 6402-70 | Шайба 8.65Г.05 ГОСТ 6402-70 | |
| 8 | 60-07140.00 | Втулка | |
| 9 | 60-07011.10 | Крышка в сборе | |
| 10 | 60-07006.10 | Эжектор | |
| 11 | 60-07119.01 | Трубка внутренняя | |
| 12 | 60-07007.10 | Прокладка выхлопного коллектора | |
| 13 | 60-07014.01 | Коллектор выхлопной правый с теплоизоляцией | |
| 14 | 60-07015.01 | Коллектор выхлопной левый с теплоизоляцией | |
| 15 | 60-07016.00 | Хомут в сборе | |
| 16 | 60-07157.00 | Хомут | |
| 17 | Болт М12.2х35.56.05 ГОСТ 7796-70 | Болт М12.2х35.56.05 ГОСТ 7796-70 | |
| 18 | Гайка М12.2.6.016 ГОСТ 2524-70 | Гайка М12.2.6.016 ГОСТ 2524-70 | |
| 19 | Шайба 12.65Г.05 ГОСТ 6402-70 | Шайба 12.65Г.05 ГОСТ 6402-70 | |
| 20 | 60-07101.10 | Коллектор выхлопной правый | |
| 21 | 60-07102.10 | Коллектор выхлопной левый | |
| 22 | 60-07106.10 | Полотно прокладки | |
| 23 | 60-07108.00 | Окантовка прокладки | |
| 24 | Шпилька БМ10 кл. То/2х 0(15/22)х055 ГОСТ | Шпилька БМ10 кл. То/2х 0(15/22)х055 ГОСТ 11765-66 | |
| 25 | 60-12012.30 | Отсосная трубка | |
| 26 | 60-12126.00 | Шланг соединительный | |
| 27 | 60-12132.20 | Отсосная трубка | |
| 28 | А23-02.170 | Хомут стяжной | |
| 29 | 60-28016.10 | Прокладка патрубка | |
| 30 | 60-28103.10 | Патрубок турбины | |
| 31 | 60-28114.00 | Шайба контровочная | |
| 32 | СМД7-0645 | Гайка крепления выхлопного коллектора | |
| 33 | Болт 12.2х25.56.016 ГОСТ 7796-70 | Болт 12.2х25.56.016 ГОСТ 7796-70 | |
| 34 | Шайба 12х2-015 ГОСТ 11371-68 | Шайба 12х2-015 ГОСТ 11371-68 | |
| 35 | Шайба 12.65Г.05 ГОСТ 6402-70 | Шайба 12.65Г.05 ГОСТ 6402-70 |
Содержащиеся в справочниках-каталогах запасные части и детали не предлагаются к продаже, а носят исключительно информационный характер