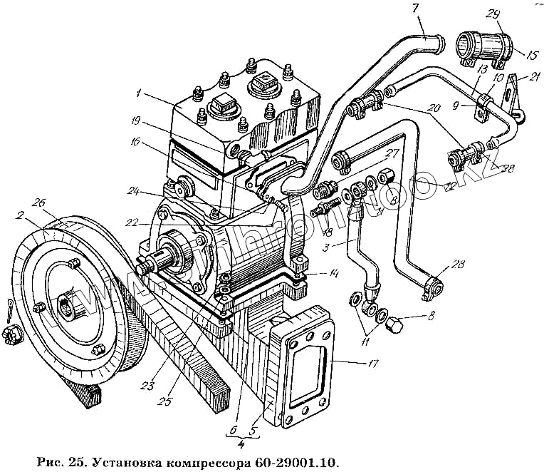
Каталог запасных частей к технике: ХТЗ Т-150К. Установка компрессора 60-29001.10
1
2
3
4
5
6
8
8
9
10
11
11
12
13
14
15
16
17
18
19
20
21
22
23
24
25
26
27
28
28
29
| Позиция на иллюстрации | Заводской номер детали | Название детали | |
|---|---|---|---|
| 60-29001.10 | 60-29001.10 | Установка компрессора | |
| 1 | 540-3509015 | Компрессор | |
| 2 | 60-29003.10 | Шкив компрессора | |
| 3 | 60-29004.10 | Трубка подвода масла | |
| 4 | 60-29009.00 | Кронштейн компрессора | |
| 5 | 60-29101.00 | Кронштейн компрессора | |
| 6 | Шпилька БМ 10 кл. То/2х28 (15/20)х055 ГО | Шпилька БМ 10 кл. То/2х28 (15/20)х055 ГОСТ 11765-66 | |
| 7 | 60-29011.20 | Трубка подвода воздуха нижняя | |
| 8 | 60-13169.00 | Гайка колпачковая | |
| 9 | 14-1571 | Прокладка | |
| 10 | 60-15178.00 | Хомут | |
| 11 | СДМ7-1591А | Прокладка поворотного угольника | |
| 12 | 60-29105.30 | Шланг подвода воды | |
| 13 | 60-29106.10 | Трубка отвода воды | |
| 14 | 60-29108.00 | Прокладка компрессора | |
| 15 | 60-29112.00 | Шланг соединительный | |
| 16 | 60-29114.00 | Прокладка | |
| 17 | 60-29115.00 | Прокладка кронштейна | |
| 18 | 60-29133.10 | Ниппель конечный | |
| 19 | Угольник конечный | Угольник конечный | |
| 20 | 60-29135.00 | Шланг соединительный | |
| 21 | 60-29136.00 | Кронштейн | |
| 22 | Болт М8.2х20.56 ГОСТ 7796-70 | Болт М8.2х20.56 ГОСТ 7796-70 | |
| 23 | Гайка М10.2.6.016 ГОСТ 2524-70 | Гайка М10.2.6.016 ГОСТ 2524-70 | |
| 24 | Шайба 8.65Г.05 ГОСТ 6402-70 | Шайба 8.65Г.05 ГОСТ 6402-70 | |
| 25 | Шайба 10.65Г.05 ГОСТ 6402-70 | Шайба 10.65Г.05 ГОСТ 6402- 70 | |
| 26 | Ремень II-16х11х1120 ГОСТ 5813-64 | Ремень II-16х11х1120 ГОСТ 5813-64 | |
| 27 | Н-6081А | Ниппель конечный (475313148) | |
| 28 | Н-66с1 | Хомут | |
| 29 | А.23-02.160 | Хомут |
Содержащиеся в справочниках-каталогах запасные части и детали не предлагаются к продаже, а носят исключительно информационный характер