Вернуться на главную
Поиск
Каталоги запчастей к технике
Сельхозтехника
ХТЗ
Т-150К
Установка генератора 60-14001.00
Каталог запасных частей к технике: ХТЗ Т-150К. Установка генератора 60-14001.00
zoom-in
zoom-out
enlarge
shrink
circle-right
circle-left
file-text2
info
cart
Тип техники
Не выбрано
Легковые автомобили
Грузовые автомобили и прицепы
Автобусы
Сельхозтехника
Спецтехника
Двигатели
Мототехника
Марка
Не выбрано
AGCO
Amity
CASE IH
DongFeng
Fortschritt
Foton
Franz Kleine
Gaspardo
Great Plains
KRONE
KUHN
Lemken
Lovol
MacDon
Massey Ferguson
New Holland
TIGARBO
Vaderstad
Versatile
Wirax
Агро
Агротехмаш
Бобруйскагромаш (ОАО «УКХ «Бобруйскагромаш»)
БЭМЗ
ВгТЗ
Воронежсельмаш
ВТЗ
Гомсельмаш
ДКЗ
ЗАО "Техника-сервис"
ЗиД
КЗК
Кировец-Ландтехник
Клевер
Красная Звезда
Лидагропроммаш
Лидсельмаш
ЛТЗ
Машстройхолдинг
Минитракторы
Мордовагромаш
МТЗ
Навигатор-Новое машиностроение
Нефтекамский автозавод
ПТЗ
Ремком
РСМ
Сибсельмаш
ТеКЗ
ТКЗ
ХЗТСШ
ХТЗ
ЮМЗ
Модель
Не выбрано
Т-012 (2004)
Т-150
Т-150К
Т-150К (2004) (2004)
Т-151К (2006)
Т-151К-08 (2004)
Т-25Ф (2004)
Схема
>
Не выбрано
Кабина 151.45.001
Кабина 151.45.001
Кабина 151.45.001
Дверь 151.45.012-1
Оборудование кабины 151.69.001
Сиденья 151.44.001
Вентиляция кабины 150.66.001-1
Обогрев кабины 150.67.001-1
Воздухоохладитель 150.95.001-1
Воздухоохладитель 150.95.001-1
Воздухоохладитель 150.95.001-1
Облицовка 151.47.001-1
Установка двигателя 151.00.001
Блок-картер 60-01001.21
Крышка передняя 60-02003.00
Картер маховика 60-02005.20
Привод 60.02014.00
Поршень с шатуном 60-03001.10
Вал коленчатый 60-04001.00
Механизм распределения 60-05001.10
Головка цилиндров 60-06001.10
Крышка картера 60-08001.40
Насос масляный 60-09001.32
Центрифуга масляная полнопоточная 60-10002.00
Установка компрессора 60-29001.10
Корпус компрессора 111.300013.00
Корпус средний 112.30.003.01
Корпус турбины 112.30008.00
Пусковой двигатель П-350. 350.01.010.00
Пусковой двигатель П-350. 350.03.010.00
Пусковой механизм 350.03.010.11
Регулятор пускового двигателя Д27С11В
Редуктор пускового двигателя 350.12.010.00
Редуктор пускового двигателя 350.12.010.00
Редуктор пускового двигателя 350.12.010.00
Система подогрева двигателя 150.23.001
Котел пускового подогревателя 150.23.013-1
Привод тахоспидометра ПТ-3802000У2
Топливная система 60-15001.10
Фильтр тонкой очистки топлива 2ТФ-3 Э02-161-000.4
Фильтр грубой очистки топлива ФГ2-11050.10
Топливный фильтр-кронштейн Э11-161-000.1
Бачок топливный 150.23.018-1
Управление двигателем 150.20.001-1
Баки топливные 150.50.001-3
Выхлопная система 60-07002.10
Насос водяной и вентилятор 60-13001.10
Система охлаждения двигателя 150.13.001-1 А
Система предпусковой прокачки масла 60-26001.20
Масляная и газовая системы 60-28001.10
Масляный фильтр 17К-28С9А
Радиатор масляный двухрядный с маслопроводом 150.08.001 А
Шторка радиатора 125.08.012
Воздухоочиститель 60-12002.01
Воздухоочиститель пускового двигателя 350.04.010.00
Муфта главного сцепления 151.21.011-3
Муфта главного сцепления 151.21.011-3
Управление муфтой главного сцепления 151.21.011-3
Коробка передач 151.37.021-6
Коробка передач 151.37.021-6
Коробка передач 151.37.021-6
Коробка передач 151.37.021-6
Передняя муфта 151.37.011
Задняя муфта 151.37.011
Коробка передач 151.37.021-6
Правый распределитель 150.37.025
Гидроаккумулятор 150.37.044-1
Перепускной распределитель 151.37.025-1. Насос НМШ-25-00-00. Фильтр 151.37.067-1
Раздаточная коробка 151.37.031-6
Раздаточная коробка 151.37.031-6
Раздаточная коробка 151.37.031-6
Раздаточная коробка 151.37.031-6
Раздаточная коробка 151.37.031-6
Редуктор колесный 151.39.011-4 (012-4)
Кардан передний 125.36.011-2
Вилка двойная 125.36.023-2А
Опора задняя 151.36.013-2
Мосты передний и задний 151.72.001-5А и 151.73.001-5А
Рама 151.30.001-4
Подвеска 151.31.001-1
Амортизатор передней подвески 151.31.001
Колеса 151.74.011
Рулевое управление 151.40.001-4
Рулевой механизм 151.40.051-1
Колонка рулевого управления 151.40.056-1
Тяга 151.40.022-2
Клапан расхода 151.40.039-1
Гидроцилиндр 151.40.040-3
Бак гидросистемы 151.40.044-4
Тормоз колесный 151.38.011-1 (012-1)
Тормозной кран 130-3514010-Б
Тормоз центральный 151.46.001-1
Пневматическая система 151.64.001-3
Пневматическая система 151.64.001-3
Пневматическая система 151.64.001-3
Установка генератора 60-14001.00
Электрооборудование 151.48.001-2
Электрооборудование 151.48.001-2
Электрооборудование 151.48.001-2
Фонари тракторные ПФ204-3712000 и Пф209-3716000
Фары ФГ12-3711000 и ФГ304-3711000Г
Аккумуляторная батарея ФЯз-552-033Г4
Электрооборудование 151.48.001-2
Электрооборудование 151.48.001-2
Электрооборудование 151.48.001-2
Щиток подогревателя с проводами 150.48.050-2
Пучок проводов 151.48.082-4
Пучок проводов 151.48.083-3
Устройство прицепное 150.35.001
Вал отбора мощности с приводом 151.41.001-2
Вал отбора мощности с приводом 151.41.001-2
Гидравлическая система 151.57.001-1
Цилиндр основной 151.57.030-1
Бак гидравлической системы 151.57.031-2
Насос гидравлической системы 151.57.053-1
Распределитель Р76-В3А-Х 001
Гидравлическая система трансмиссии 151.55.001-3
Механизм навески 151.56.001-1А
Механизм навески 151.56.001-1А
Крюк тяговый гидрофицированный 151.58.001-1Б
Муфта разрывная 151.61.001-1
Инструмент и принадлежности 151.49.001
Инструмент и принадлежности 151.49.001
Инструмент и принадлежности 151.49.001
Инструмент и принадлежности 151.49.001
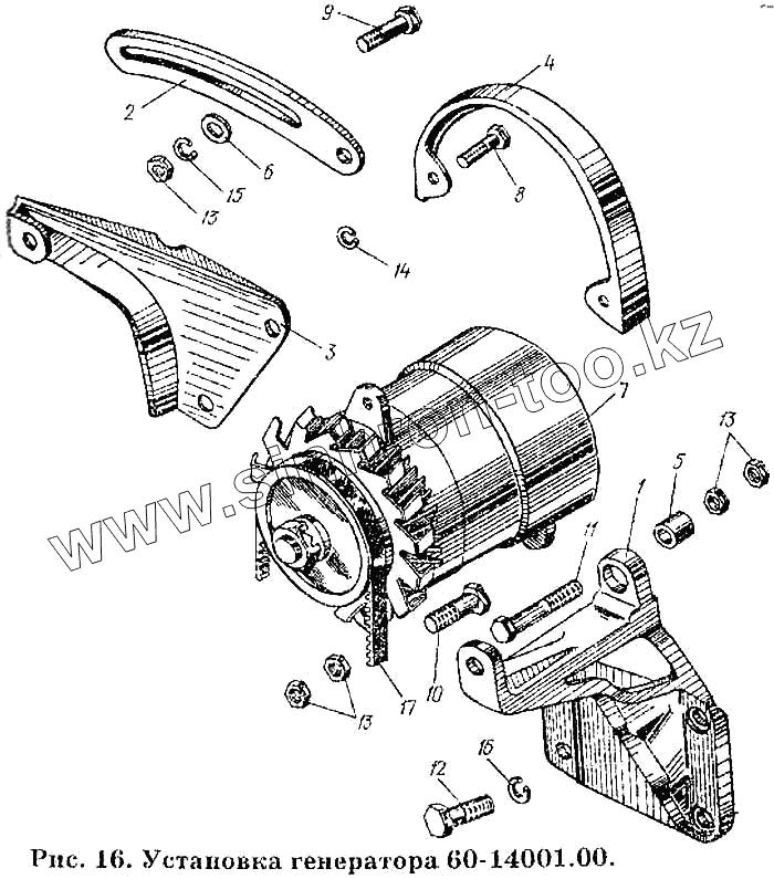
1
2
3
4
5
6
7
8
10
11
12
13
13
13
14
15
16
17
Позиция на иллюстрации
Заводской номер детали
Название детали
60-14001.10
60-14001.10
Установка генератора
1
62-14101.00
Кронштейн генератора
2
62-14102.00
Натяжитель
3
62-14103.00
Кронштейн натяжителя
4
62-14117.00
Кожух генератора
5
62-14119.00
Втулка
6
60-02159.00
Шайба
7
Генератор Г309
Генератор Г309
8
Болт М8.6gх20.56.016 ГОСТ 7796-70
Болт М8.6gх20.56.016 ГОСТ 7796-70
9
Болт М106gх25.56.016 ГОСТ 7796-70
Болт М106gх25.56.016 ГОСТ 7796-70
10
Болт М10.6gх40.56.016 ГОСТ 7796-70
Болт М10.6gх40.56.016 ГОСТ 7796-70
11
Болт М10.6gх10.56.016 ГОСТ 7796-70
Болт М10.6gх10.56.016 ГОСТ 7796-70
12
Болт М12.6gх35.56.016 ГОСТ 7796-70
Болт М12.6gх35.56.016 ГОСТ 7796-70
13
Гайка М10.6Н.6.016 ГОСТ 2524-70
Гайка М10.6Н.6.016 ГОСТ 2524-70
14
Шайба 8.65Г.05 ГОСТ 6402-70
Шайба 8.65Г.05 ГОСТ 6402-70
15
Шайба 10.65Г.05 ГОСТ 6402-70
Шайба 10.65Г.05 ГОСТ 6402-70
16
Шайба 12.65Г.05 ГОСТ 6402-70
Шайба 12.65Г.05 ГОСТ 6402-70
17
Ремень 11-12,5х9х1120 ГОСТ 5818-64
Ремень 11-12,5х9х1120 ГОСТ 5818-64
Содержащиеся в справочниках-каталогах запасные части и детали не предлагаются к продаже, а носят исключительно информационный характер
Дополнительная информация
×
Название:
Номер:
Примечание: