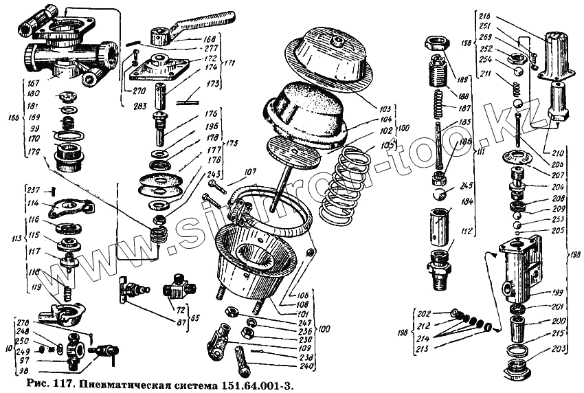
Каталог запасных частей к технике: ХТЗ Т-150К. Пневматическая система 151.64.001-3
10
10
65
72
87
97
98
99
100
100
101
102
103
104
105
106
107
108
109
111
112
113
114
115
116
117
118
119
166
167
168
169
170
171
172
173
174
175
176
177
178
178
179
180
181
184
185
186
187
188
189
196
198
198
198
199
200
201
202
203
204
205
206
207
208
209
210
211
212
213
214
215
216
230
236
237
238
243
245
247
248
249
250
251
252
253
254
269
270
277
278
283
| Позиция на иллюстрации | Заводской номер детали | Название детали | |
|---|---|---|---|
| 151.64.001-3 | 151.64.001-3 | Пневмосистема | |
| 10 | 151.64.025 | Краник спускной Кр2А-1305010Г | |
| 10 | 151.64.025 | Краник спускной Кр2А-1305010Г | |
| 11 | 151.64.027 | Кран тормозной в сборе | |
| 65 | 125.64.069 | Кран отбора воздуха в сборе | |
| 72 | 125.64.252 | Корпус крана отбора воздуха | |
| 87 | А5.24.043-2 | Пробка | |
| 97 | Кр2-1305011 | Корпус | |
| 98 | Кр2-1305020 | Пробка в сборе | |
| 99 | К80-1107343 | Прокладка пробки | |
| 100 | 500-3519010 | Камера тормозная передняя в сборе | |
| 101 | 500-3519020 | Корпус передней тормозной камеры в сооре | |
| 102 | 500-3519030-А | Шток передней тормозной камеры в сборе | |
| 103 | 500-3519040 | Крышка передней тормозной камеры в сборе | |
| 104 | 500-3519050 | Диафрагма передней тормозной камеры | |
| 105 | 500-3519054 | Пружина передней тормозной камеры | |
| 106 | 500-3519058 | Хомутик передней тормозной камеры в сборе | |
| 107 | 500-3519064 | Болт | |
| 108 | 500-3519066 | Гайка М8 | |
| 109 | 200-3504055Б | Вилка тяги от педали тормоза к тормозному крану | |
| 111 | 200-3515050 | Клапан предохранительный в сборе | |
| 112 | 200-3515055 | Седло предохранительного клапана | |
| 113 | 200-3521010-Г | Головка соединительная в сборе | |
| 114 | 200-3521018-Г | Крышка соединительной головки | |
| 115 | 200-3521020-Б | Кольцо уплотнительное соединительной головки | |
| 116 | 200-3521030 | Гайка корпуса соединительной головки | |
| 117 | 200-3521031-А2 | Клапан обратный соединительной головки в сборе | |
| 118 | 200-3521032 | Пружана обратного клапана соединительной головки | |
| 119 | 214Б-3521016-Б | Корпус соединительной головки | |
| 166 | 130-3520010 | Кран разобщительный пневмотормозов в сборе | |
| 167 | 130-3520016 | Корпус разобщительного крана | |
| 168 | 130-3520020 | Ручка разобщительного крана | |
| 169 | 130-3520022 | Пружина клапана | |
| 170 | 130-3520023 | Пробка разобщительного крана | |
| 171 | 130-3520028 | Крышка разобщительного крана в сборе | |
| 172 | 130-3520029 | Крышка разобщительного крана | |
| 173 | 130-3520031 | Штифт толкателя | |
| 174 | 130-3520033 | Толкатель разобщительного крана | |
| 175 | 130-3520036 | Шток разобщительного крана в сборе | |
| 176 | 130-3520037 | Шток разобщительного крана | |
| 177 | 130-3520053 | Диафрагма разобщительного крана | |
| 178 | 130-3520055 | Шайба диафрагмы разобщительного крана | |
| 179 | 130-3520057-Б | Пружина возвратная | |
| 180 | 130-3520061 | Клапан разобщительного крана | |
| 181 | 130-3520063 | Шайба клапана | |
| 184 | 120-3513054 | Корпус предохранительного клапана | |
| 185 | 120-3513056 | Стержень направляющий предохранительного клапана | |
| 186 | 120-3513057 | Сухарь направляющего стержня пружины предохранительного клапана | |
| 187 | 120-3513060 | Пружина предохранительного клапана | |
| 188 | 120-3513062 | Винт регулировочный предохранительного клапана | |
| 189 | 120-3513063 | Гайка регулировочного винта предохранительного клапана | |
| 196 | 120Д-1107247 | Прокладка штока | |
| 198 | АР11-3512010 | Регулятор давления в сборе | |
| 199 | АР11-3512026-А | Блок клапанов | |
| 200 | АР11-3512031-А | Фильтр металлокерамический | |
| 201 | АР11-3512032 | Прокладка уплотнительная | |
| 202 | АР11-3512077 | Шайба | |
| 203 | АР11-3512078-А | Пробка | |
| 204 | АР10Б-3512033 | Седло регулятора давления | |
| 205 | АР10Б-3512035 | Пружина клапана | |
| 206 | АР10Б-3512036 | Шток клапана | |
| 207 | АР10Б-3512037 | Шайба стопорная | |
| 208 | АР10Б-3512038 | Прокладка регулировочная | |
| 209 | АР10Б-3512039 | Прокладка регулировочная | |
| 210 | АР10Б-3512050-А | Колпак регулировочный | |
| 211 | АР10Б-3512058 | Пружина | |
| 212 | АР10Б-3512072 | Сетка фильтра верхняя | |
| 213 | АР10Б-3512073 | Сетка фильтра нижняя | |
| 214 | АР10Б-3512076-А | Набивка сетки фильтра | |
| 215 | АР10Б-3512080 | Прокладка уплотнительная | |
| 216 | АР10Б-3512085 | Кожух | |
| 230 | 250515-П29 | Гайка М12х1,25 ГОСТ 5927-62 | |
| 236 | 252137-П2 | Шайба 12НА ОН 025168-63 | |
| 237 | 252597-П29 | Заклепка 5х22 ГОСТ 10299-52 | |
| 238 | 255052-П29 | Шплинт 4х20 ГОСТ 397-66 | |
| 243 | 303117-П29 | Гайка | |
| 245 | 306210-П | Шарик 6П10 | |
| 247 | 311504-П29 | Гайка М12х1,25 | |
| 248 | 901008-0 | Шайба | |
| 249 | 901018-0 | Шайба | |
| 250 | 907116-0 | Пружина | |
| 251 | 455081 | Винт М3х8,5 | |
| 252 | 456034 | Гайка М12х1,25 Н22 21-63 | |
| 253 | Шар II 7,933-7,978мм Н ТУН2337-56 | Шар II 7,933-7,978мм Н ТУН2337-56 | |
| 254 | Шар VI 8,731мм Н ГОСТ 3722-60 | Шар VI 8,731мм Н ГОСТ 3722-60 | |
| 269 | Шайба 3Т.65Г.05 ГОСТ 6402-70 | Шайба 3Т.65Г.05 ГОСТ 6402-70 | |
| 270 | Шайба 5Н.65Г ГОСТ 6402-70 | Шайба 5Н.65Г ГОСТ 6402-70 | |
| 277 | Штифт 3С/3х20 ГОСТ 3128-70 | Штифт 3С/3х20 ГОСТ 3128-70 | |
| 278 | Шплинт 2х12 ГОСТ 397-66 | Шплинт 2х12 ГОСТ 397-66 | |
| 283 | Винт М5-6gх18.58 ГОСТ 1489-62 | Винт М5-6gх18.58 ГОСТ 1489-62 |
Содержащиеся в справочниках-каталогах запасные части и детали не предлагаются к продаже, а носят исключительно информационный характер