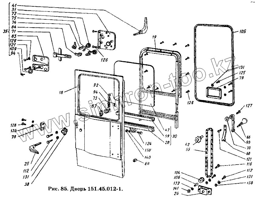
Каталог запасных частей к технике: ХТЗ Т-150К. Дверь 151.45.012-1
18
19
20
25
26
28
31
35
38
41
42
47
55
59
66
68
69
70
71
72
73
74
75
78
79
79
83
84
87
88
92
94
94
104
105
106
109
112
112
112
116
121
121
124
125
126
127
128
129
130
131
131
131
132
132
136
136
140
140
141
| Позиция на иллюстрации | Заводской номер детали | Название детали | |
|---|---|---|---|
| 151.45.001 | 151.45.001 | Кабина в сборе | |
| 150.45.012-1 | 150.45.012-1 | Дверь в сборе | |
| 18 | 150.45.014-1 | Панель двери в сборе | |
| 19 | 150.45.018 | Рамка двери в сборе | |
| 20 | 150.45.020 | Кронштейн стекла двери в сборе | |
| 25 | 150.45.032 | Ручка наружная в сборе | |
| 26 | 150.45.038 | Кронштейн натяжного ролика в сборе | |
| 28 | 150.45.047 | Кронштейн окна левый в сборе | |
| 31 | 150.45.062-1 | Корпус замка в сборе | |
| 35 | 150.45.070-1 | Замок в сборе | |
| 38 | 150.45.077 | Фланец в сборе | |
| 41 | 150.45.087 | Ручка замка внутренняя в сборе | |
| 42 | 150.45.089 | Звездочка в сборе | |
| 47 | 150.45.141 | Стекло двери | |
| 55 | 150.45.180 | Цепь | |
| 59 | 150.45.189 | Прокладка опускного стекла | |
| 66 | 150.45.253 | Фиксатор | |
| 68 | 150.45.260 | Пружина | |
| 69 | 150.45.262 | Ручка стеклоподъемника | |
| 70 | 150.45.264 | Шайба специальная | |
| 71 | 150.45.266-1 | Шток | |
| 72 | 150.45.271-1 | Пружина замка | |
| 73 | 150.45.278 | Планка штока | |
| 74 | 150.45.280 | Скоба стопорная | |
| 75 | 150.45.293-1 | Пружина | |
| 78 | 150.45.315 | Направляющий шип двери | |
| 79 | 150.45.319 | Крышка люка | |
| 79 | 150.45.319 | Крышка люка | |
| 83 | 150.45.339 | Крышка замка | |
| 84 | 150.45.340-1 | Кулачок | |
| 87 | 150.45.350 | Пластина крепления ручки двери | |
| 88 | 150.45.354 | Амортизатор стекла | |
| 92 | 150.45.376 | Пружина | |
| 94 | 150.45.404 | Шплинт пружинный | |
| 94 | 150.45.404 | Шплинт пружинный | |
| 104 | 125.45.144 | Ролик | |
| 105 | 125.45.208-1 | Уплотнитель фланца двери | |
| 106 | 125.45.504 | Втулка распорная | |
| 109 | 7.38.117 | Шайба | |
| 112 | Болт М6-6gх16.66.099 ГОСТ 7798-70 | Болт М6-6gх16.66.099 ГОСТ 7798-70 | |
| 112 | Болт М6-6gх16.66.099 ГОСТ 7798-70 | Болт М6-6gх16.66.099 ГОСТ 7798-70 | |
| 112 | Болт М6-6gх16.66.099 ГОСТ 7798-70 | Болт М6-6gх16.66.099 ГОСТ 7798-70 | |
| 116 | Болт М8-6gх35.66.099 ГОСТ 7795-70 | Болт М8-6gх35.66.099 ГОСТ 7795-70 | |
| 121 | Винт М4-6gх8.58.099 ГОСТ 1489-62 | Винт М4-6gх8.58.099 ГОСТ 1489-62 | |
| 121 | Винт М4-6gх8.58.099 ГОСТ 1489-62 | Винт М4-6gх8.58.099 ГОСТ 1489-62 | |
| 124 | Винт М5-6gх22.58.099 ГОСТ 1489-62 | Винт М5-6gх22.58.099 ГОСТ 1489-62 | |
| 125 | Винт М6-6gх12.58-099 ГОСТ 1490-62 | Винт М6-6gх12.58-099 ГОСТ 1490-62 | |
| 126 | Винт М6-6gх12.58.099 ГОСТ 1489-62 | Винт М6-6gх12.58.099 ГОСТ 1489-62 | |
| 127 | Винт М6-6gх16.58.099 ГОСТ 1489-62 | Винт М6-6gх16.58.099 ГОСТ 1489-62 | |
| 128 | Винт М6-6gх18.58.099 ГОСТ 1489-62 | Винт М6-6gх18.58.099 ГОСТ 1489-62 | |
| 129 | Шайба 4.65Г.05 ГОСТ 6402-70 | Шайба 4.65Г.05 ГОСТ 6402-70 | |
| 130 | Шайба 5.65Г.05 ГОСТ 6402-70 | Шайба 5.65Г.05 ГОСТ 6402-70 | |
| 131 | Шайба 6.65Г.05 ГОСТ 6402-70 | Шайба 6.65Г.05 ГОСТ 6402-70 | |
| 131 | Шайба 6.65Г.05 ГОСТ 6402-70 | Шайба 6.65Г.05 ГОСТ 6402-70 | |
| 132 | Шайба 8.65Г.05 ГОСТ 6402-70 | Шайба 8.65Г.05 ГОСТ 6402-70 | |
| 132 | Шайба 8.65Г.05 ГОСТ 6402-70 | Шайба 8.65Г.05 ГОСТ 6402-70 | |
| 136 | Шайба 6-010 ГОСТ 11371-68 | Шайба 6-010 ГОСТ 11371-68 | |
| 136 | Шайба 6-010 ГОСТ 11371-68 | Шайба 6-010 ГОСТ 11371-68 | |
| 140 | Гайка М5-6Н.8 ГОСТ 5927-70 | Гайка М5-6Н.8 ГОСТ 5927-70 | |
| 140 | Гайка М5-6Н.8 ГОСТ 5927-70 | Гайка М5-6Н.8 ГОСТ 5927-70 | |
| 141 | Гайка М8-7Н.6 ГОСТ 5915-70 | Гайка М8-7Н.6 ГОСТ 5915-70 |
Содержащиеся в справочниках-каталогах запасные части и детали не предлагаются к продаже, а носят исключительно информационный характер