Каталог запасных частей к технике: ХТЗ Т-150. Воздухоохладитель-отопитель
1
10
11
12
12
12
13
14
29
30
35
44
45
53
54
57
58
70
71
72
73
74
86
101
102
105
113
114
115
115
124
129
129
129
129
136
136
136
136
136
140
140
145
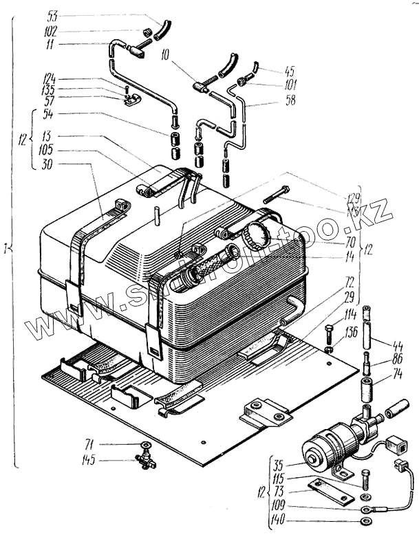
| Позиция на иллюстрации | Заводской номер детали | Название детали | |
|---|---|---|---|
| 150.95.001-5 | 150.95.001-5 | Арматура отопительная воздухоохладителя | |
| 1 | 150.95.012-3 | Воздухоохладитель | |
| 10 | 150.95.037-1 | Трубка слива левая | |
| 11 | 150.95.038-1 | Трубка слива правая | |
| 12 | 150.95.040-3А | Бак для воды | |
| 13 | 150.95.041-6 | Бак | |
| 14 | 150.95.043 | Фильтр в сборе | |
| 29 | 150.95.0101-2 | Каркас сиденья пассажира | |
| 30 | 150.95.0103-1 | Лента | |
| 35 | 351.3730010 | Электродвигатель с насосом | |
| 44 | 150.95.317 | Трубка подачи воды | |
| 45 | 150.95.317-01 | Трубка | |
| 53 | 150.95.328-01 | Шланг | |
| 54 | 150.95.328-02 | Трубка | |
| 57 | 150.95.334 | Скоба | |
| 58 | 150.95.335 | Труба подачи воды | |
| 70 | 150.95.408А | Крышка | |
| 71 | 150.95.429-1 | Прокладка | |
| 72 | 150.95.434-1 | Прокладка | |
| 73 | 150.95.435-2 | Амортизатор | |
| 74 | 150.95.437 | Трубка соединительная | |
| 86 | 150.95.618-1 | Штуцер | |
| 101 | 14.48.392 | Втулка | |
| 102 | 14.48.393 | Втулка | |
| 105 | 150.57.167 | Прокладка | |
| 113 | Болт М8-6gх65.66.019 ГОСТ 7795-70 | Болт М8-6gх65.66.019 ГОСТ 7795-70 | |
| 114 | Болт М8-6gх16.88.35.019 ГОСТ 7796-70 | Болт М8-6gх16.88.35.019 ГОСТ 7796-70 | |
| 115 | Болт М8-6gх20.66.019 ГОСТ 7796-70 | Болт М8-6gх20.66.019 ГОСТ 7796-70 | |
| 115 | Болт М8-6gх20.66.019 ГОСТ 7796-70 | Болт М8-6gх20.66.019 ГОСТ 7796-70 | |
| 124 | Винт В1М6-6gх12.58.019 ГОСТ 17473-80 | Винт В1М6-6gх12.58.019 ГОСТ 17473-80 | |
| 129 | Гайка М8.6.0112 ГОСТ 5915-70 | Гайка М8.6.0112 ГОСТ 5915-70 | |
| 129 | Гайка М8.6.0112 ГОСТ 5915-70 | Гайка М8.6.0112 ГОСТ 5915-70 | |
| 129 | Гайка М8.6.0112 ГОСТ 5915-70 | Гайка М8.6.0112 ГОСТ 5915-70 | |
| 129 | Гайка М8.6.0112 ГОСТ 5915-70 | Гайка М8.6.0112 ГОСТ 5915-70 | |
| 136 | Шайба 8 65Г 05 ГОСТ 6402-70 | Шайба 8 65Г 05 ГОСТ 6402-70 | |
| 136 | Шайба 8 65Г 05 ГОСТ 6402-70 | Шайба 8 65Г 05 ГОСТ 6402-70 | |
| 136 | Шайба 8 65Г 05 ГОСТ 6402-70 | Шайба 8 65Г 05 ГОСТ 6402-70 | |
| 136 | Шайба 8 65Г 05 ГОСТ 6402-70 | Шайба 8 65Г 05 ГОСТ 6402-70 | |
| 136 | Шайба 8 65Г 05 ГОСТ 6402-70 | Шайба 8 65Г 05 ГОСТ 6402-70 | |
| 140 | Шайба 8.04.0115 ГОСТ 11371-78 | Шайба 8.04.0115 ГОСТ 11371-78 | |
| 140 | Шайба 8.04.0115 ГОСТ 11371-78 | Шайба 8.04.0115 ГОСТ 11371-78 | |
| 145 | 45 9930 0025 | Крап ПС10 ОСТ 37.001.241-81 |
Содержащиеся в справочниках-каталогах запасные части и детали не предлагаются к продаже, а носят исключительно информационный характер